|
|
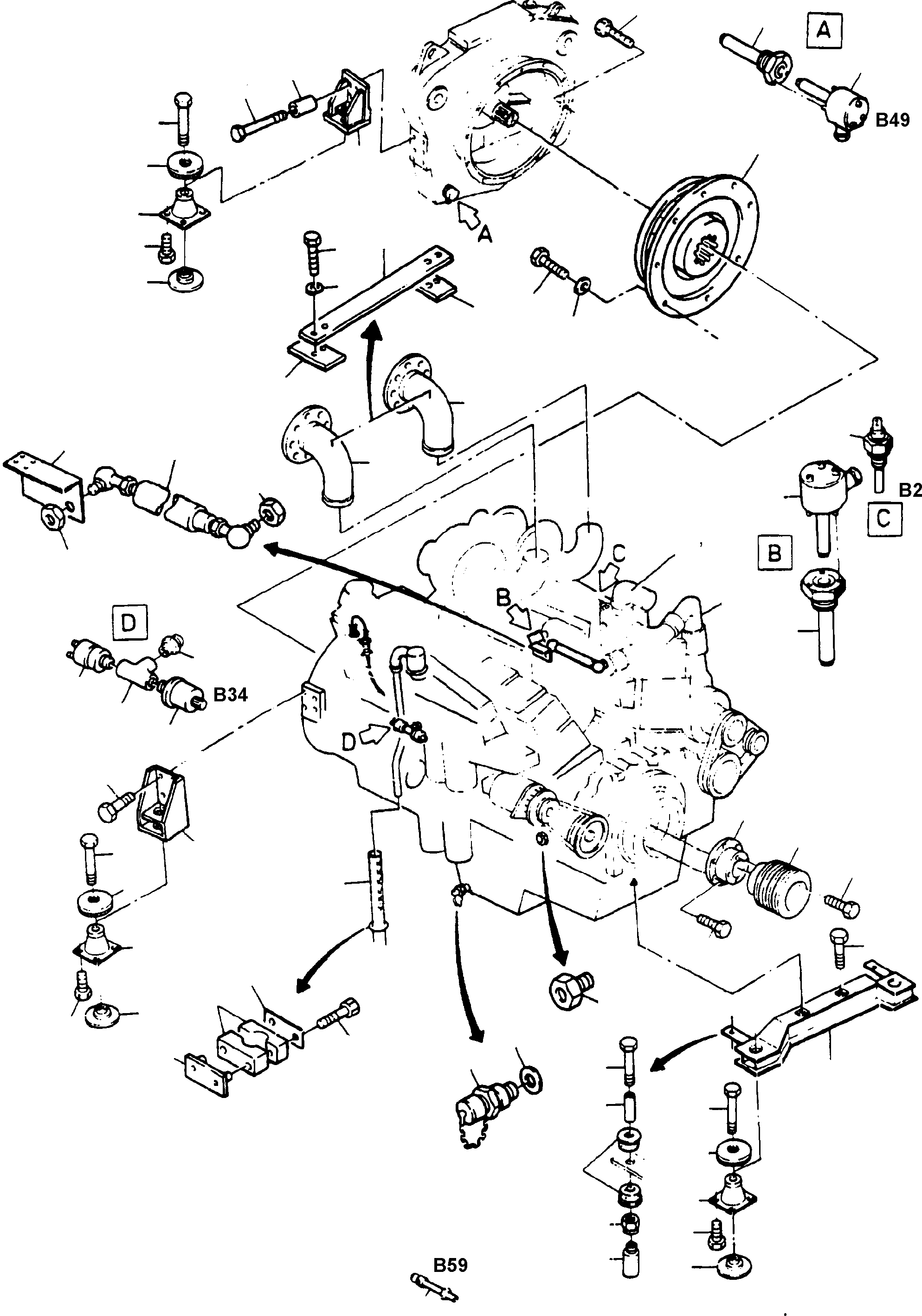
01 |
|
Engine |
1 |
InternBDB: 481 621 40 | InternKon: 456 310 40 / 1
|
090-2823 |
|
|
03 |
410 851 40
|
Engine suspension |
1 |
InternKon: 456 310 40 / 2
|
|
|
|
04 |
410 862 40
|
Lower part, engine |
2 |
InternKon: 456 308 40 / 8
|
|
|
|
05 |
246 377 40
|
V-belt pulley |
1 |
InternKon: 456 310 40 / 3
|
|
|
|
06 |
246 378 40
|
Intermediate flange |
1 |
InternKon: 456 310 40 / 4
|
|
|
|
07 |
440 382 40
|
Sensor |
-2 |
InternBDB: TP 31
|
|
|
|
08 |
456 326 40
|
Engine mount |
2 |
InternKon: 456 310 40 / 31
|
|
|
|
09 |
440 020 40
|
Silent bloc |
2 |
InternBDB: 17-0146-01// 45SH | InternKon: 456 308 40 / 27
|
|
|
|
10 |
461 390 40
|
Oil drain valve |
1 |
InternBDB: Rцlex 1 18 NS 28/M 26 mit Kette | InternKon: 456 310 40 / 10
|
|
|
|
11 |
340 002 99
|
Seal ring |
1 |
InternBDB: A27x32x2 | InternKon: 456 310 40 / 11
|
|
|
|
12 |
508 371 40
|
Retainer |
1 |
InternKon: 456 310 40 / 22
|
|
|
|
13 |
370 765 99
|
Reducer |
1 |
InternBDB: 1/4x1/8 / 2990 | InternKon: 456 310 40 / 14
|
|
|
|
14 |
501 154 98
|
Bolt |
2 |
InternBDB: M18x70 /931 | InternKon: 456 310 40 / 15
|
|
|
|
15 |
307 826 99
|
Bolt |
4 |
InternBDB: M16x50 /933 | InternKon: 456 310 40 / 16
|
|
|
|
16 |
308 670 99
|
Bolt |
12 |
InternBDB: M20x100 /931 | InternKon: 456 308 40 / 35
|
|
|
|
17 |
307 425 99
|
Bolt |
24 |
InternBDB: M8x20 /933 | InternKon: 456 308 40 / 36
|
|
|
|
18 |
005 835 98
|
Bolt |
6 |
InternBDB: 1/2-13 UNCx 1 3/4 | InternKon: 456 310 40 / 17
|
|
|
|
19 |
007 503 98
|
Bolt |
16 |
InternBDB: 1/2-13 UNCx 1 1/2 | InternKon: 456 308 40 / 37
|
|
|
|
20 |
436 061 40
|
Exhaust manifold, r.h. |
1 |
InternKon: 456 309 40 / 3
|
|
|
|
21 |
436 066 40
|
Exhaust manifold, l.h. |
1 |
InternKon: 456 309 40 / 4
|
|
|
|
22 |
436 074 40
|
Pin |
2 |
InternKon: 456 309 40 / 10
|
|
|
|
23 |
332 420 99
|
Nut |
2 |
InternBDB: M30x1,5 /934 | InternKon: 456 309 40 / 11
|
|
|
|
24 |
413 278 40
|
Pipe |
2 |
InternKon: 456 309 40 / 12
|
|
|
|
25 |
414 106 40
|
Silencer |
4 |
InternBDB: Metalastik 15/3454/01 | InternKon: 456 309 40 / 13
|
|
|
|
26 |
308 583 99
|
Bolt |
2 |
InternBDB: M10x80 /931 | InternKon: 456 309 40 / 14
|
|
|
|
27 |
414 103 40
|
Buffer |
6 |
InternBDB: Metalastik KA-0240 | InternKon: 439 899 40 / 4
|
|
|
|
28 |
414 104 40
|
Spacer |
6 |
InternBDB: KA-0200 | InternKon: 439 899 40 / 5
|
|
|
|
29 |
505 010 98
|
Bolt |
6 |
InternBDB: M16x170 /931 10.9 | InternKon: 439 899 40 / 6
|
|
|
|
30 |
440 382 40
|
Sensor |
1 |
InternBDB: TP 31 0-120 ? C | InternKon: 431 196 40 / 4
|
|
|
|
31 |
269 870 40
|
Cover tube |
2 |
InternBDB: MX2 /R12 R 1/2 | InternKon: 431 196 40 / 6
|
|
|
|
32 |
431 169 40
|
Water sensor |
1 |
InternBDB: Moto-Meter 642.007.1009 | InternKon: 431 196 40 / 12
|
|
|
|
33 |
431 170 40
|
Oil pressure transmitter |
1 |
InternBDB: 675.002.1009 | InternKon: 431 196 40 / 13
|
|
|
|
34 |
256 732 40
|
Oil pressure switch |
1 |
InternBDB: 6M 510 0678
|
|
|
|
35 |
461 350 40
|
rpm-sensor |
1 |
InternBDB: Ginsbury Electronic GmbH 725951/ 5/8-18 UNF
|
|
|
|
42 |
|
Coupling |
1 |
InternBDB: 576 047 40 | InternKon: 456 308 40 / 45
|
090-0879 |
|
|
43 |
370 753 99
|
Twin nipple |
1 |
InternBDB: 1/8 /2990 | InternKon: 456 308 40 / 46
|
|
|
|
44 |
370 709 99
|
T-Union |
1 |
InternBDB: 1/8 /2987 | InternKon: 456 308 40 / 47
|
|
|
|
45 |
501 291 98
|
Bolt |
8 |
InternBDB: 1/2-13 UNC x 1 3/4 10.9 | InternKon: 456 308 40 / 43
|
|
|
|
46 |
506 256 98
|
Bolt |
8 |
InternBDB: 5/8-11 UNCx3 1/4 10.9 | InternKon: 456 310 40 / 32
|
|
|
|
47 |
|
Adjusting cylinder |
1 |
InternKon: 456 308 40 / 50
|
116-1280c |
|
|
49 |
316 216 99
|
Washer |
8 |
InternBDB: 13 /6916 | InternKon: 456 308 40 / 44
|
|
|
|
50 |
440 019 40
|
Silent bloc |
4 |
InternBDB: Melalistik 17-0146-04/ 60 SH | InternKon: 456 308 40 / 49
|
|
|
|
51 |
507 037 98
|
Nut |
1 |
InternBDB: M 10 /985 | InternKon: 456 308 40 / 51
|
|
|
|
52 |
507 025 98
|
Nut |
1 |
InternBDB: M 6 /985 | InternKon: 456 308 40 / 52
|
|
|
|
53 |
487 652 40
|
Resilient sleeve |
12 |
InternKon: 456 308 40 / 53
|
|
|
|
63 |
439 841 40
|
Water fitting |
2 |
InternKon: 456 310 40 / 29
|
|
|
|
64 |
249 061 40
|
Gasket |
2 |
InternKon: 456 310 40 / 30
|
|
|
|
65 |
457 053 40
|
Retainer |
1 |
InternKon: 456 309 40 / 31
|
|
|
|
66 |
251 837 40
|
Plate |
2 |
InternKon: 456 309 40 / 35
|
|
|
|
67 |
307 729 99
|
Bolt |
4 |
InternBDB: M6x18 /933 | InternKon: 456 309 40 / 43
|
|
|
|
68 |
346 499 99
|
Lock washer |
4 |
InternBDB: 6 /128 | InternKon: 456 309 40 / 45
|
|
|
|
69 |
168 422 40
|
Hose ca. 1500 lg.
Bulk ware, state length
required |
2 |
InternKon: 456 309 40 / 37
|
|
|
|
70 |
504 923 98
|
Clamp |
4 |
InternBDB: H-CS 5/32 | InternKon: 456 309 40 / 38
|
|
|
|
71 |
534 005 99
|
Plate |
2 |
InternBDB: ES 5 | InternKon: 456 309 40 / 39
|
|
|
|
72 |
534 004 99
|
Plate |
4 |
InternBDB: DS 5 | InternKon: 456 309 40 / 40
|
|
|
|
73 |
308 581 99
|
Bolt |
4 |
InternBDB: M10x70 /931 | InternKon: 456 309 40 / 41
|
|