|
|
? |
|
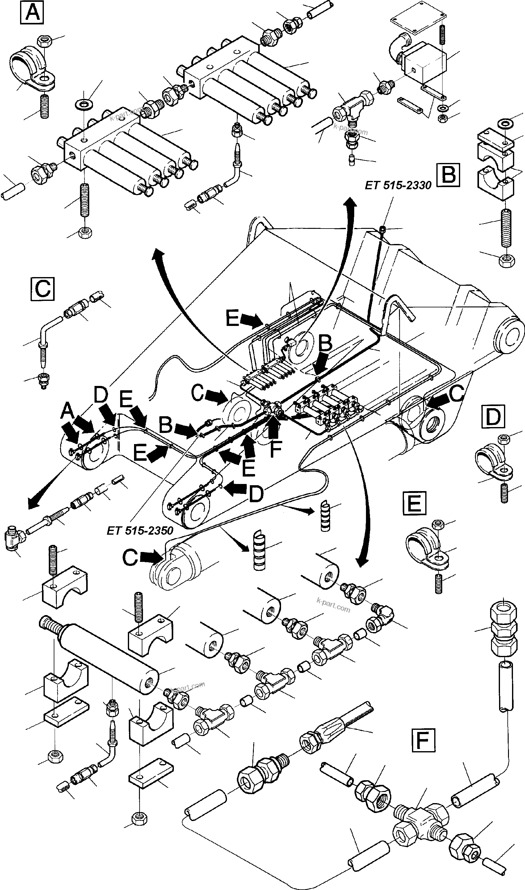
Metering valve |
4 |
InternBDB: 269 881 40 | InternKon: 653 150 40 / 8
|
991-0323 |
|
|
? |
|
Metering valve |
2 |
InternBDB: 269 880 40 | InternKon: 653 150 40 / 9
|
991-0091 |
|
|
? |
372 415 99
|
Union |
2 |
InternBDB: ES 25 /2353 | InternKon: 653 150 40 / 21
|
|
|
|
? |
635 896 40
|
Tube protection 12x9x1.5
Bulk ware, state length
required |
-2 |
InternBDB: 100 121 005 Baier u. Kцppel | InternKon: 653 150 40 / 55
|
|
|
|
? |
372 625 99
|
Union |
3 |
InternBDB: QS 16 /2353 | InternKon: 653 150 40 / 20
|
|
|
|
? |
372 980 99
|
Union |
1 |
InternBDB: KOR 25/16-S | InternKon: 653 150 40 / 48
|
|
|
|
? |
502 303 98
|
Socket |
4 |
InternBDB: EVGE 16-S/ 1/2 NPT | InternKon: 653 150 40 / 10
|
|
|
|
? |
576 270 40
|
Union |
8 |
InternBDB: GE6-L1/4 NPT | InternKon: 653 150 40 / 11
|
|
|
|
? |
576 271 40
|
Union |
4 |
InternBDB: SWVE6-SG1/4 | InternKon: 653 150 40 / 15
|
|
|
|
? |
634 775 40
|
Clamp |
8 |
InternBDB: DM 50,8 M 12 Stauffenberg | InternKon: 653 150 40 / 1
|
|
|
|
? |
511 885 98
|
Thread pin |
16 |
InternBDB: PM 12x90 /32500 | InternKon: 653 150 40 / 3
|
|
|
|
? |
341 754 40
|
Ultimate pressure control |
1 |
InternBDB: Delaval Typ X1T-5145 | InternKon: 653 150 40 / 27
|
|
|
|
? |
511 565 98
|
Thread pin |
4 |
InternBDB: PM 8x50 /32500 | InternKon: 653 150 40 / 6
|
|
|
|
? |
343 004 99
|
Washer |
4 |
InternBDB: 8,4 /93 | InternKon: 653 150 40 / 29
|
|
|
|
? |
652 383 40
|
Shackle |
2 |
InternKon: 653 150 40 / 28
|
|
|
|
? |
340 112 99
|
Washer |
16 |
InternBDB: A 18 /7989 | InternKon: 653 150 40 / 5
|
|
|
|
? |
510 130 98
|
Thread pin |
16 |
InternBDB: PM10x30/32500 | InternKon: 653 150 40 / 24
|
|
|
|
? |
372 483 99
|
Union |
3 |
InternBDB: GE12PS/3/8NPT | InternKon: 653 150 40 / 19
|
|
|
|
? |
502 000 98
|
Socket |
1 |
InternBDB: EVGE 10-PLR- ED | InternKon: 653 150 40 / 38
|
|
|
|
? |
372 891 99
|
Union |
1 |
InternBDB: KOR 10/6-L | InternKon: 653 150 40 / 40
|
|
|
|
? |
371 861 99
|
Breech block |
1 |
InternBDB: 6-L | InternKon: 653 150 40 / 18
|
|
|
|
? |
653 121 40
|
Pipe assy. Ш 25 |
1 |
InternKon: 653 150 40 / 41
|
|
|
|
? |
653 122 40
|
Pipe assy. Ш 25 |
1 |
InternKon: 653 150 40 / 42
|
|
|
|
? |
653 123 40
|
Pipe assy. Ш 16 |
1 |
InternKon: 653 150 40 / 43
|
|
|
|
? |
170 427 40
|
Cable strap |
40 |
InternBDB: TY 27 M | InternKon: 653 150 40 / 53
|
|
|
|
? |
372 978 99
|
Union |
1 |
InternBDB: KOR25 /12-S | InternKon: 653 150 40 / 49
|
|
|
|
? |
428 861 40
|
Pipe assy. Ш 16 |
3 |
InternKon: 653 150 40 / 25
|
|
|
|
? |
215 424 99
|
Pipe Ш 12
Bulk ware, state length
required |
-2 |
InternBDB: 12x1,5 /2391 | InternKon: 653 150 40 / 44
|
|
|
|
? |
576 160 40
|
Hose
Bulk ware, state length
required |
-2 |
InternBDB: 504-36033-3 | InternKon: 653 150 40 / 52
|
|
|
|
? |
512 705 98
|
Hose assy. DN 20x3800 |
1 |
InternBDB: DOS 25 /DOS 25 WN 341 951 40 | InternKon: 653 150 40 / 46
|
|
|
|
? |
372 722 99
|
Union |
1 |
InternBDB: KS 16 /2353 | InternKon: 653 150 40 / 23
|
|
|
|
? |
378 252 99
|
Clamp |
8 |
InternBDB: 39 /1593 | InternKon: 653 150 40 / 26
|
|
|
|
? |
651 255 40
|
Half clamp |
6 |
InternBDB: TL / S-2-R-25/3015 | InternKon: 653 150 40 / 31
|
|
|
|
? |
634 978 40
|
Cover plate |
6 |
InternBDB: DPAL 4S Stauffenberg | InternKon: 653 150 40 / 32
|
|
|
|
? |
323 945 40
|
Thread pin |
45 |
InternBDB: M6x15 /32501 | InternKon: 653 150 40 / 35
|
|
|
|
? |
512 055 98
|
Thread pin |
12 |
InternBDB: PM 12x80 /32500 | InternKon: 653 150 40 / 33
|
|
|
|
? |
332 334 99
|
Nut |
28 |
InternBDB: M 12 /934 | InternKon: 653 150 40 / 4
|
|
|
|
? |
635 121 40
|
Hose connection 90° |
20 |
InternBDB: 532-31819-1 | InternKon: 653 150 40 / 12
|
|
|
|
? |
635 120 40
|
Hose connection |
4 |
InternBDB: 432-23675-1 | InternKon: 653 150 40 / 16
|
|
|
|
? |
174 411 40
|
Cable strap |
10 |
InternBDB: TY 25 M | InternKon: 653 150 40 / 54
|
|
|
|
? |
634 774 40
|
Cover plate |
8 |
InternBDB: DP III /Stauffenberg | InternKon: 653 150 40 / 2
|
|
|
|
? |
373 588 99
|
Union |
8 |
InternBDB: GE 6 PL /1/8 NPT | InternKon: 653 150 40 / 14
|
|
|
|
? |
372 895 99
|
Union |
1 |
InternBDB: KOR 12/10-PL | InternKon: 653 150 40 / 50
|
|
|
|
? |
512 273 98
|
Socket |
1 |
InternBDB: EVGE 12-S /3/8 NPT | InternKon: 653 150 40 / 51
|
|
|
|
? |
635 122 40
|
Collet |
24 |
InternBDB: 432-23676-1 | InternKon: 653 150 40 / 13
|
|
|
|
? |
635 123 40
|
Union |
8 |
InternBDB: GE6-SR1/4 | InternKon: 653 150 40 / 17
|
|
|
|
? |
006 302 98
|
Clamp |
35 |
InternBDB: RSGU 1100/15/15 | InternKon: 653 150 40 / 37
|
|
|
|
? |
534 092 98
|
Clamp |
10 |
InternBDB: 8/15 | InternKon: 653 150 40 / 36
|
|
|
|
? |
372 511 99
|
Union |
1 |
InternBDB: ZS 25 /2353 | InternKon: 653 150 40 / 47
|
|
|
|
? |
215 627 99
|
Pipe Ш 10
Bulk ware, state length
required |
-2 |
InternBDB: 10x2 /2391 | InternKon: 653 150 40 / 45
|
|
|
|
? |
507 025 98
|
Nut |
45 |
InternBDB: 6 /985 | InternKon: 653 150 40 / 34
|
|
|
|
? |
332 114 99
|
Nut |
20 |
InternBDB: M10 /934 | InternKon: 653 150 40 / 30
|
|
|
|
? |
653 129 40
|
Hose protection |
4 |
InternKon: 653 150 40 / 22
|
|
|
|
? |
371 952 99
|
Union |
1 |
InternBDB: FFL 10/2353 | InternKon: 653 150 40 / 39
|
|
|
|
? |
334 599 99
|
Nut |
4 |
InternBDB: M 8 /985 | InternKon: 653 150 40 / 7
|
|