|
|
01 |
|
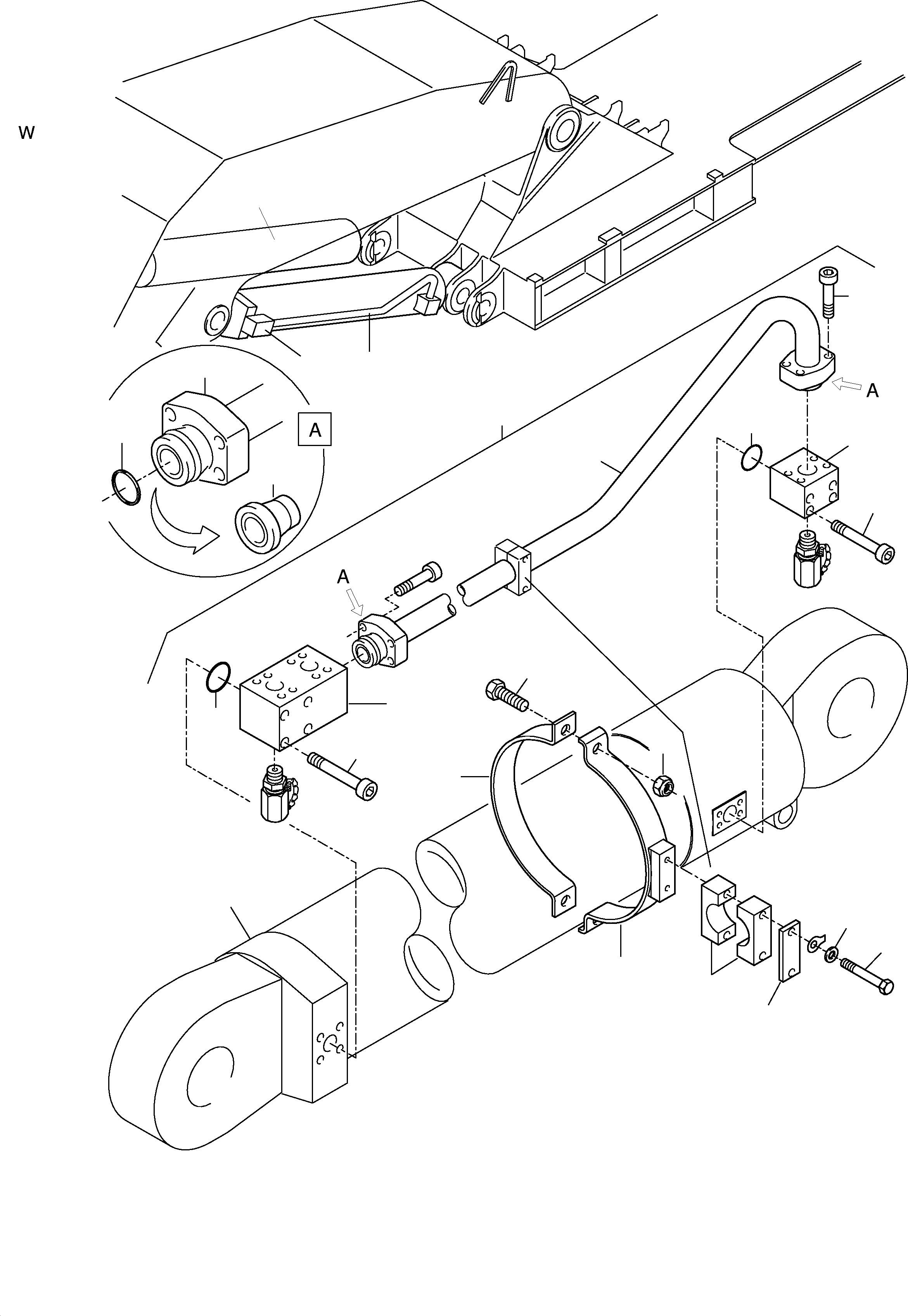
Hydr.-cylinder |
2 |
InternBDB: 607 730 40 | InternKon: 636 539 40 / 1
|
515-4075c |
|
|
02 |
636 533 40
|
Piping assy. r.h.
fig-nos. 05-23 |
1 |
InternBDB: E-ST | InternKon: 636 539 40 / 2
|
|
|
|
03 |
636 532 40
|
Piping assy. l.h.
fig-nos. 04,06-23 |
1 |
InternBDB: E-ST | InternKon: 636 538 40 / 2
|
|
|
|
04 |
651 028 40
|
Manifold, l.h. |
1 |
InternKon: 636 532 40 / 1
|
|
|
|
05 |
651 029 40
|
Manifold, r.h. |
1 |
|
|
|
|
06 |
636 544 40
|
Connecting block |
2 |
InternKon: 636 532 40 / 2
|
|
|
|
07 |
763 478 73
|
Pipe assy. Ш 65 |
2 |
InternBDB: 650 491 40 | InternKon: 636 532 40 / 3
|
|
|
|
08 |
504 448 98
|
Flange |
4 |
InternBDB: FE-6500-32/6 | InternKon: 636 532 40 / 4
|
|
|
|
09 |
504 461 98
|
Collar ring |
4 |
InternBDB: K-6580-32 | InternKon: 636 532 40 / 5
|
|
|
|
10 |
385 243 40
|
Quadring |
4 |
InternBDB: 58,1x2,79x3,2 | InternKon: 636 532 40 / 6
|
|
|
|
11 |
007 697 98
|
O-ring |
2 |
InternBDB: 69,4x3,53 B NB 90 | InternKon: 636 532 40 / 7
|
|
|
|
12 |
006 734 98
|
O-ring |
2 |
InternBDB: 56,74x3,53 B NB 90 | InternKon: 636 532 40 / 8
|
|
|
|
13 |
319 397 99
|
Bolt |
8 |
InternBDB: M20x160 /912 | InternKon: 636 532 40 / 9
|
|
|
|
14 |
512 100 98
|
Bolt |
8 |
InternBDB: M20x150 /912 | InternKon: 636 532 40 / 10
|
|
|
|
15 |
319 323 99
|
Bolt |
16 |
InternBDB: M20x90 /912 | InternKon: 636 532 40 / 11
|
|
|
|
16 |
653 946 40
|
Half clamp |
2 |
InternKon: 636 532 40 / 12
|
|
|
|
17 |
653 947 40
|
Half clamp |
2 |
InternKon: 636 532 40 / 13
|
|
|
|
18 |
505 440 98
|
Half clamp |
4 |
InternBDB: S-4-R-65 /3015 | InternKon: 636 532 40 / 16
|
|
|
|
19 |
534 008 99
|
Cover plate |
2 |
InternBDB: S-DP-A-4 /3015 | InternKon: 636 532 40 / 17
|
|
|
|
20 |
307 828 99
|
Bolt |
4 |
InternBDB: M16x60 /933 | InternKon: 636 532 40 / 18
|
|
|
|
21 |
334 601 99
|
Nut |
4 |
InternBDB: M 16 /985 | InternKon: 636 532 40 / 19
|
|
|
|
22 |
308 614 99
|
Bolt |
4 |
InternBDB: M12x120 /931 | InternKon: 636 532 40 / 20
|
|
|
|
23 |
343 006 99
|
Washer |
4 |
InternBDB: 13 /93 | InternKon: 636 532 40 / 21
|
|