|
|
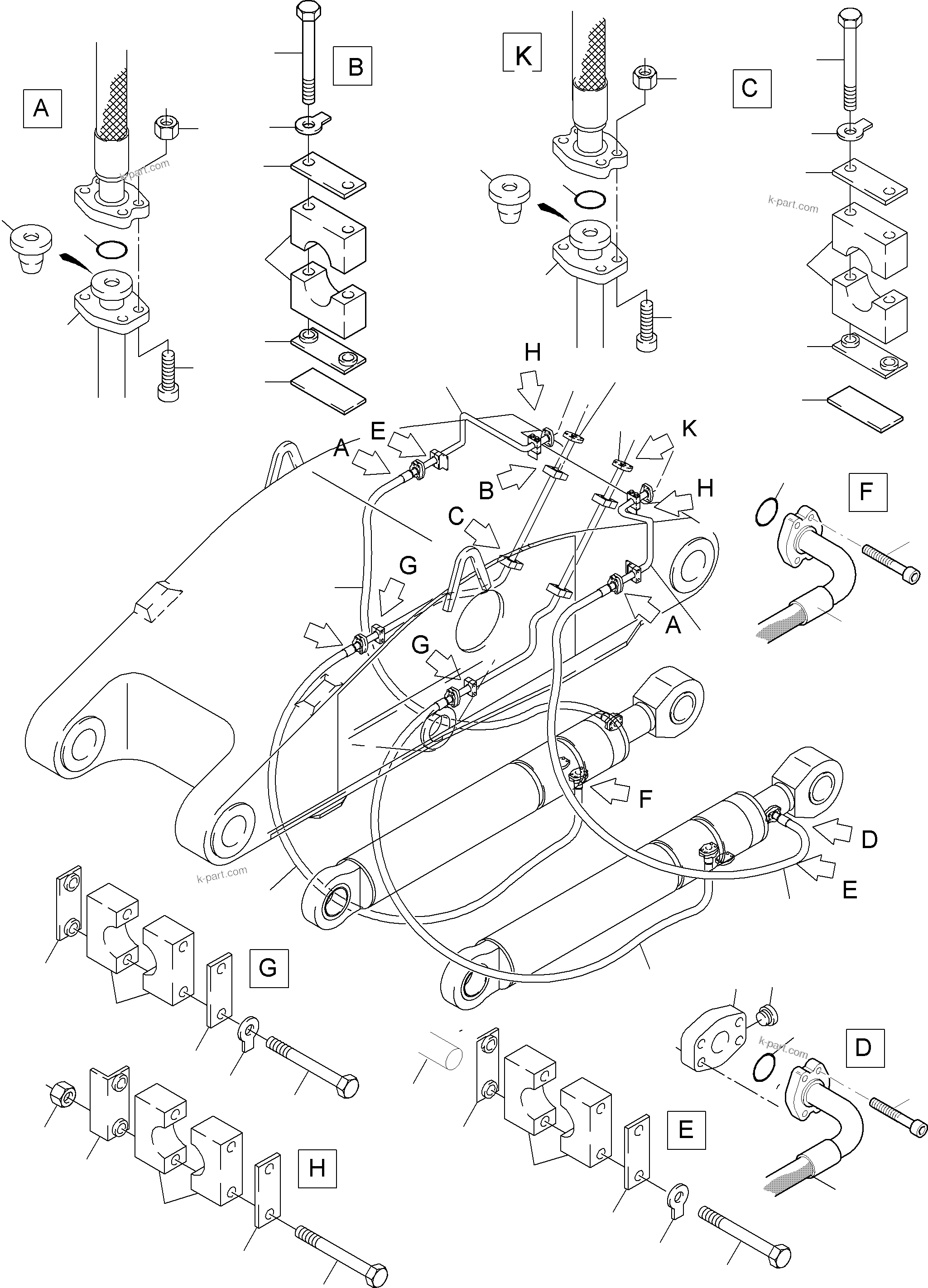
? |
898 970 40
|
Stick, weldment |
1 |
InternKon: 898 990 40 / 1
|
|
|
|
? |
899 840 40
|
Flanged bush |
4 |
InternKon: 898 990 40 / 2
|
|
|
|
? |
899 842 40
|
Freeze-in bushing |
2 |
InternKon: 898 990 40 / 3
|
|
|
|
? |
900 690 40
|
Freeze-in bushing |
2 |
InternKon: 898 990 40 / 4
|
|
|
|
? |
907 020 40
|
Seal ring |
4 |
InternBDB: n. Zchng. 575 861 40 | InternKon: 898 990 40 / 6
|
|
|
|
? |
907 024 40
|
Seal ring |
4 |
InternBDB: n. Zchng. 575 861 40 | InternKon: 898 990 40 / 5
|
|
|
|
? |
500 127 98
|
Flange |
8 |
InternBDB: FE-5000-24/6 | InternKon: 898 990 40 / 7
|
|
|
|
? |
500 203 98
|
Collar ring |
8 |
InternBDB: KO-5060-24 | InternKon: 898 990 40 / 8
|
|
|
|
? |
504 448 98
|
Flange |
4 |
InternBDB: FE-6500-32/6 | InternKon: 898 990 40 / 13
|
|
|
|
? |
504 449 98
|
Collar ring |
4 |
InternBDB: KO-6580-32 | InternKon: 898 990 40 / 14
|
|
|
|
? |
385 243 40
|
Flange seal |
8 |
InternBDB: 2" NBR 90 | InternKon: 898 990 40 / 15
|
|
|
|
? |
319 313 99
|
Bolt |
16 |
InternBDB: M20x120 /912 10.9 | InternKon: 898 990 40 / 16
|
|
|
|
? |
504 662 98
|
Nut |
16 |
InternBDB: M 20 /934 10. | InternKon: 898 990 40 / 17
|
|
|
|
? |
319 292 99
|
Bolt |
32 |
InternBDB: M16x90 /912 10.9 | InternKon: 898 990 40 / 10
|
|
|
|
? |
504 445 98
|
Half clamp |
12 |
InternBDB: S-4-R-65 /3015 | InternKon: 898 990 40 / 30
|
|
|
|
? |
534 008 99
|
Cover plate |
20 |
InternBDB: S-DP-A-4 /3015 | InternKon: 898 990 40 / 23
|
|
|
|
? |
308 612 99
|
Bolt |
24 |
InternBDB: M12x100 /931 | InternKon: 898 990 40 / 24
|
|
|
|
? |
509 310 98
|
Locking plate |
18 |
InternBDB: SI 6 | InternKon: 898 990 40 / 25
|
|
|
|
? |
534 009 99
|
Weld on plate |
6 |
InternBDB: S-AP-A-4 /3015 | InternKon: 898 990 40 / 28
|
|
|
|
? |
502 976 98
|
Half clamp |
20 |
InternBDB: S-4-R-50 /3015 | InternKon: 898 990 40 / 21
|
|
|
|
? |
899 836 40
|
Plate |
2 |
InternKon: 898 990 40 / 27
|
|
|
|
? |
510 151 98
|
Bolt |
4 |
InternBDB: M12x120 /933 | InternKon: 898 990 40 / 36
|
|
|
|
? |
332 334 99
|
Nut |
4 |
InternBDB: M 12 /934 8. | InternKon: 898 990 40 / 34
|
|
|
|
? |
900 675 40
|
Angle |
1 |
InternKon: 890 127 40 / 31
|
|
|
|
? |
899 838 40
|
Retainer |
2 |
InternKon: 890 127 40 / 26
|
|
|
|
? |
356 209 40
|
Flange seal |
10 |
InternBDB: 1 1/2 NBR 90 | InternKon: 898 990 40 / 9
|
|
|
|
? |
319 309 99
|
Bolt |
8 |
InternBDB: M20x80 /912 10.9 | InternKon: 898 990 40 / 19
|
|
|
|
? |
940 383 40
|
Hose assy. DN 50x2850 |
2 |
InternBDB: GH466-32x2850 / FS2/FS2 90 | InternKon: 898 990 40 / 37
|
|
|
|
? |
655 071 40
|
Intermediate flange with test point |
2 |
InternBDB: Havit 2" AGL 406 /75404 | InternKon: 898 990 40 / 18
|
|
|
|
? |
515 594 98
|
Hose assy. DN 40x3400 |
2 |
InternBDB: FS 2 /FS 2-90 | InternKon: 898 990 40 / 38
|
|
|
|
? |
899 839 40
|
Pipe Ш 65 |
2 |
InternKon: 890 290 40 / 35
|
|
|
|
? |
769 910 73
|
Pipe assy. Ш 65 |
1 |
InternBDB: 944 201 40 | InternKon: 890 290 40 / 44
|
|
|
|
? |
769 911 73
|
Pipe assy. Ш 65 |
1 |
InternBDB: 944 200 40 | InternKon: 890 290 40 / 45
|
|
|
|
? |
770 153 73
|
Pipe assy. Ш 50 |
1 |
InternBDB: 910 266 40 | InternKon: 910 285 40 / 40
|
|
|
|
? |
770 154 73
|
Pipe assy. Ш 50 |
1 |
InternBDB: 910 267 40 | InternKon: 910 285 40 / 41
|
|
|
|
? |
769 914 73
|
Pipe assy. Ш 50 |
1 |
InternBDB: 899 834 40 | InternKon: 890 289 40 / 42
|
|
|
|
? |
180 113 40
|
Plug |
2 |
InternBDB: Vsti R 1/4 ED | InternKon: 898 990 40 / 20
|
|
|
|
? |
319 288 99
|
Bolt |
8 |
InternBDB: M16x50 /912 10.9 | InternKon: 898 990 40 / 12
|
|
|
|
? |
332 355 99
|
Nut |
32 |
InternBDB: M 16 /934 | InternKon: 898 990 40 / 11
|
|
|
|
? |
502 977 98
|
Half clamp |
8 |
InternBDB: S-4-G-50 /3015 | InternKon: 898 990 40 / 22
|
|
|
|
? |
308 612 99
|
Bolt |
24 |
InternBDB: M12x100 /931 | InternKon: 898 990 40 / 24
|
|
|
|
? |
502 961 98
|
Weld on plate |
2 |
InternBDB: S-AP-S-4 /3015 | InternKon: 898 990 40 / 33
|
|
|
|
? |
516 107 98
|
Hose assy. DN 40x2800 |
2 |
InternBDB: FS 1 1/2 /FS 1 1/2-90 | InternKon: 898 990 40 / 39
|
|
|
|
? |
769 915 73
|
Pipe assy. Ш 50 |
1 |
InternBDB: 899 835 40 | InternKon: 890 289 40 / 43
|
|
|
|
? |
308 599 99
|
Bolt |
8 |
InternBDB: M12x105 / DIN 931 | InternKon: 890 990 40 / 32
|
|
|
|
? |
913 626 40
|
Ring |
4 |
InternBDB: 330x260x15 | InternKon: 898 990 40 / 29
|
|