|
|
? |
635 709 40
|
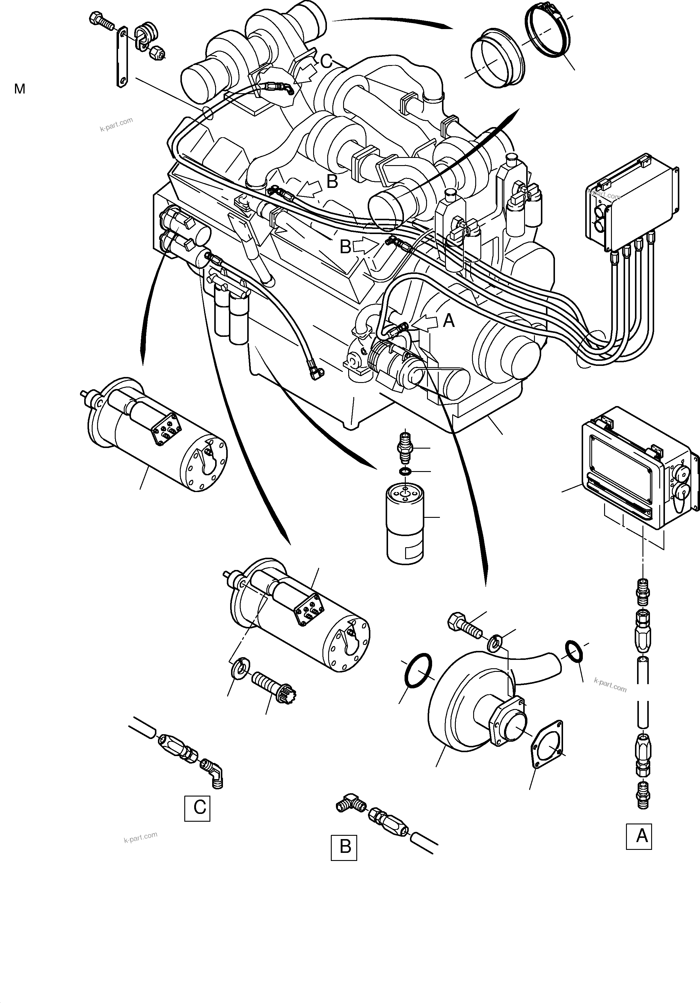
Diesel engine assy. |
1 |
InternBDB: Cummins KTTA 38 - C 1350 nach TL AT-Nr. 710 551 73
|
|
|
|
? |
692 337
|
Water filter |
4 |
InternBDB: WF 2075, 331 8318
|
|
|
|
? |
988 779
|
Lube oil filter |
4 |
InternBDB: LF 670, 331 3279, 388 9310
|
|
|
|
? |
692 306
|
By-pass oil filter |
2 |
InternBDB: LF 777, 331 3283, 388 9311
|
|
|
|
? |
693 587
|
Fuel filter |
2 |
InternBDB: FS 1216, 331 3304
|
|
|
|
? |
692 325
|
Starter |
1 |
InternBDB: 302 1038
|
|
|
|
? |
515 084 40
|
Generator 24 V / 100 A |
1 |
InternBDB: 307 2483
|
|
|
|
? |
763 650 73
|
Water pump |
1 |
InternBDB: 362 70 83
|
|
|
|
? |
|
Engine saver 550 |
-2 |
InternBDB: 696 820 73
|
090-0517 |
|
|
? |
693 164
|
Thermostat |
4 |
InternBDB: 201 737
|
|
|
|
? |
690 377 73
|
Seal ring |
4 |
InternBDB: 304 2759
|
|
|
|
? |
694 543
|
Gasket, valve cover |
12 |
InternBDB: 304 0720
|
|
|
|
? |
C362 8997
|
Starter |
1 |
|
|
|
|
? |
694 522
|
Lock washer |
6 |
InternBDB: S-603
|
|
|
|
? |
694 523
|
Screw |
6 |
InternBDB: 158 250
|
|
|
|
? |
694 534
|
O-ring |
2 |
InternBDB: 436 96-A
|
|
|
|
? |
694 535
|
Union |
2 |
InternBDB: 303 7219
|
|
|
|
? |
693 464
|
O-ring |
1 |
InternBDB: 206 457
|
|
|
|
? |
C001 3009
|
Srew |
4 |
InternBDB: 103 009
|
|
|
|
? |
C000 S610
|
Lock washer |
4 |
|
|
|
|
? |
C300 7512
|
O-ring |
1 |
|
|
|
|
? |
693 318
|
Seal |
1 |
InternBDB: 206 193
|
|
|
|
? |
C 301 630 6
|
Clamp |
4 |
|
|
|
|
? |
|
Colt start system |
1 |
|
090-2820 |
|
|
? |
693 165
|
Seal |
2 |
InternBDB: 206 443
|
|
|
|
? |
761 106 73
|
O-ring |
4 |
InternBDB: 145 528
|
|
|
|
? |
C02 063 26
|
Bolt |
1 |
InternBDB: 7/16-14 UNC x 1 1/4
|
|
|
|
? |
696 802 73
|
Washer |
3 |
InternBDB: 203 760
|
|
|
|
? |
C36 268 01
|
Link, adjusting |
1 |
|
|
|
|
? |
C30 673 44
|
Washer |
3 |
|
|
|
|
? |
C00 0S1 13
|
Bolt |
1 |
InternBDB: 1/2-13 UNC x 1 1/2
|
|
|
|
? |
694 528
|
Pulley |
1 |
InternBDB: 301 4711
|
|
|
|
? |
|
Washer |
1 |
|
|
|
|
? |
|
Nut |
1 |
|
|
|
|
? |
C36 289 38
|
Pulley |
1 |
|
|
|
|
? |
|
Bolt |
1 |
|
|
|
|
? |
762 301 73
|
Belt |
1 |
InternBDB: 302 4614
|
|
|
|
? |
C36 285 78
|
Retainer |
1 |
|
|
|
|
? |
C00 708 97
|
Nut |
1 |
|
|
|
|
? |
C01 588 29
|
Bolt |
1 |
InternBDB: 1/2-20 UNF x 6 1/2
|
|
|
|
? |
C36 275 88
|
Sleeve |
2 |
|
|
|
|
? |
696 803 73
|
Bolt |
2 |
InternBDB: 7/16-14 UNC x 5 1/2
|
|
|
|
? |
|
Feather key |
1 |
|
|
|
|
? |
694 550
|
Lock plate |
2 |
InternBDB: 300 4272
|
|
|
|
? |
694 548
|
Union |
2 |
InternBDB: 301 06 35
|
|
|
|
? |
694 549
|
O-ring |
2 |
InternBDB: 145 507
|
|
|
|
? |
C36 273 09
|
Union |
4 |
InternBDB: C362 7309
|
|
|
|
? |
C327 9639
|
Fuel pump assy. |
1 |
|
|
|
|
? |
C306 3511
|
Actuator |
1 |
|
|
|
|
? |
CAR12111
|
Damper |
1 |
|
|
|
|
? |
C303 4245
|
Fuel pump |
1 |
|
|
|
|
? |
C305 4607
|
Shut off solenoid |
1 |
|
|
|
|
? |
694 526
|
Seal |
1 |
InternBDB: 129 839
|
|
|
|
? |
692 839
|
O-ring |
1 |
InternBDB: 129 888
|
|
|
|
? |
C02 080 45
|
Cover |
1 |
|
|
|
|
? |
C31 788 57
|
Dipstick |
1 |
|
|