|
|
01 |
594 916 40
|
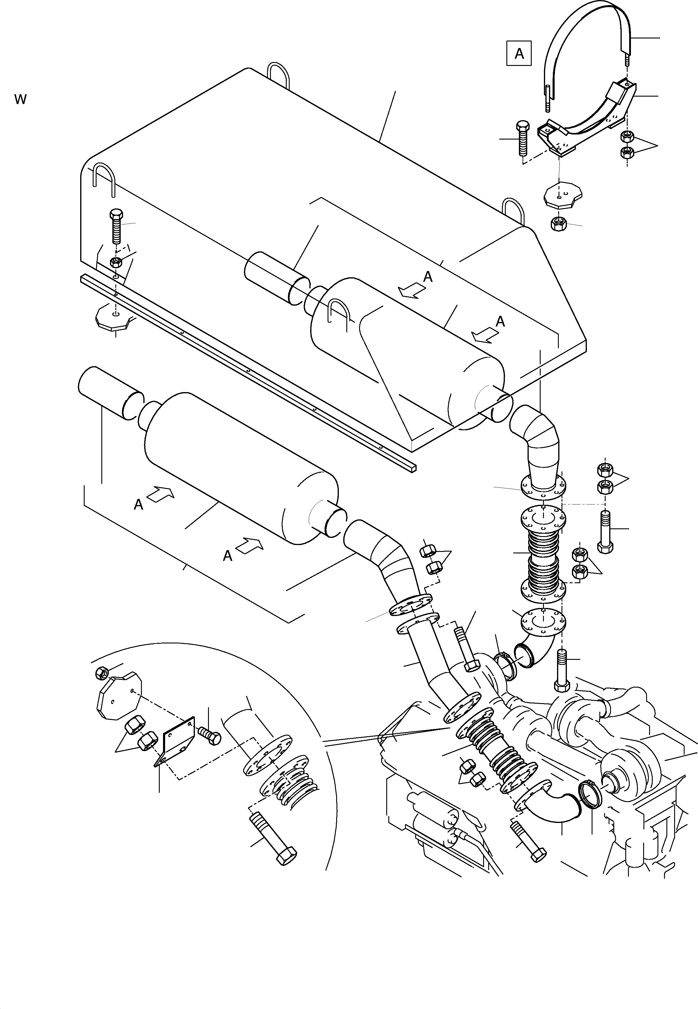
Muffler assy. |
2 |
InternBDB: DKG | InternKon: 594 930 40 / 1
|
|
|
|
02 |
594 918 40
|
Muffler assy. |
2 |
InternBDB: DKG | InternKon: 594 930 40 / 2
|
|
|
|
03 |
594 920 40
|
Pipe |
2 |
InternKon: 594 930 40 / 3
|
|
|
|
04 |
887 085 40
|
Covering |
2 |
InternKon: 594 930 40 / 4
|
|
|
|
05 |
767 478 73
|
Connection |
4 |
InternBDB: E-ST | InternKon: 594 930 40 / 5
|
|
|
|
06 |
594 925 40
|
Holding device |
2 |
InternKon: 594 930 40 / 6
|
|
|
|
09 |
576 161 40
|
Compensator DN 150 |
4 |
InternBDB: Stenflex NW 150 x 520 PN 2,5 PN 10 SF 23 | InternKon: 594 930 40 / 9
|
|
|
|
10 |
509 286 40
|
Muffler support |
8 |
InternKon: 594 930 40 / 10
|
|
|
|
11 |
509 288 40
|
Clamp |
8 |
InternKon: 594 930 40 / 11
|
|
|
|
12 |
307 850 99
|
Bolt |
80 |
InternBDB: M20 x 75 / 933 | InternKon: 594 930 40 / 12
|
|
|
|
13 |
332 338 99
|
Nut |
160 |
InternBDB: M20 / 934 | InternKon: 594 930 40 / 13
|
|
|
|
14 |
307 491 99
|
Bolt |
32 |
InternBDB: M16 x 50 / 933 | InternKon: 594 930 40 / 14
|
|
|
|
15 |
504 011 98
|
Bolt |
20 |
InternBDB: M12 x 80 / 931 | InternKon: 594 930 40 / 15
|
|
|
|
16 |
510 741 98
|
Resilient sleeve |
20 |
InternKon: 594 930 40 / 16
|
|
|
|
17 |
334 601 99
|
Nut |
48 |
InternBDB: M16 / 985 | InternKon: 594 930 40 / 17
|
|
|
|
18 |
307 777 99
|
Bolt |
4 |
InternBDB: M10 x 25 / 933 | InternKon: 594 930 40 / 18
|
|
|
|
19 |
507 037 98
|
Nut |
4 |
InternBDB: M10 / 985 | InternKon: 594 930 40 / 19
|
|
|
|
25 |
604 027 40
|
Muffler |
4 |
InternBDB: Gilette 0.00.8340 | InternKon: 594 916 40 / 2
|
|
|
|
26 |
652 853 40
|
Manifold
( without flange ) |
2 |
InternBDB: DKG | InternKon: 594 916 40 / 1
|
|
|
|
27 |
594 915 40
|
End pipe |
4 |
InternBDB: DKG | InternKon: 594 916 40 / 3
|
|
|
|
28 |
652 854 40
|
Manifold
( without flange ) |
2 |
InternBDB: DKG | InternKon: 594 918 40 / 1
|
|
|
|
29 |
C 301 630 6
|
Clamp |
4 |
InternBDB: Cummins
|
|
|
|
30 |
509 215 40
|
Flange |
4 |
InternKon: 594 930 40 / 7
|
|