|
|
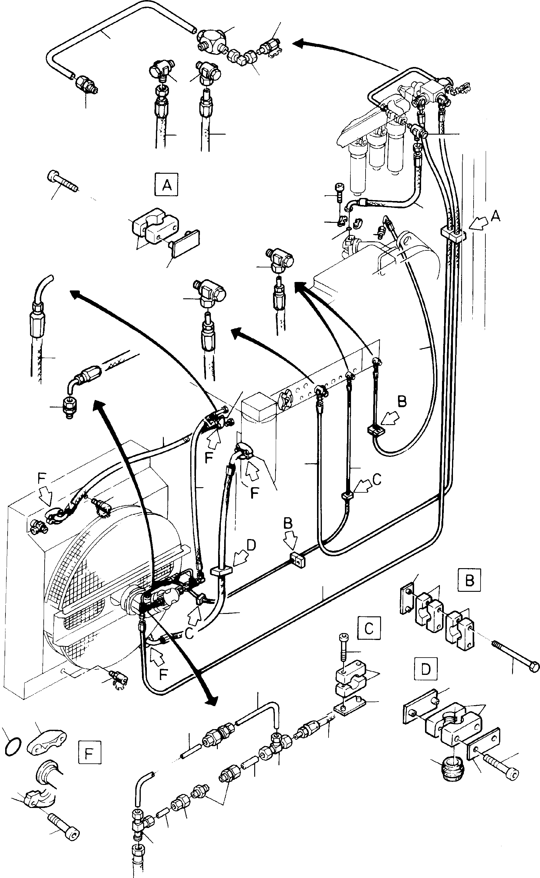
01 |
374 414 99
|
Socket |
2 |
InternBDB: S 25 B-M / 3901 | InternKon: 429 850 40 / 25
|
|
|
|
02 |
372 981 99
|
Union |
1 |
InternBDB: KOR 25/20-S | InternKon: 429 850 40 / 27
|
|
|
|
03 |
372 626 99
|
Union |
1 |
InternBDB: QS 20 /2353 | InternKon: 429 850 40 / 24
|
|
|
|
04 |
373 775 99
|
Union |
1 |
InternBDB: TR 25/20/25-S | InternKon: 429 850 40 / 23
|
|
|
|
05 |
504 953 98
|
Non-return valve |
1 |
InternBDB: RHD 20-PS 0,2 bar | InternKon: 429 850 40 / 19
|
|
|
|
06 |
441 409 40
|
Pipe assy. Ш 20 |
2 |
InternBDB: 20x2,5x272 | InternKon: 429 850 40 / 30
|
|
|
|
07 |
441 410 40
|
Pipe assy. Ш 20 |
1 |
InternBDB: 20x2,5x70 | InternKon: 429 850 40 / 31
|
|
|
|
08 |
441 447 40
|
Pipe assy. Ш 25 |
1 |
InternBDB: 25x3x90 | InternKon: 429 850 40 / 42
|
|
|
|
09 |
652 004 40
|
Hose assy. NW 20x1400 lg. |
1 |
InternBDB: DOS 25 /DOS 25 - 90 WN 341 951 40 | InternKon: 646 800 40 / 128
|
|
|
|
10 |
007 630 98
|
Half flange |
8 |
InternBDB: 60 /210 | InternKon: 646 800 40 / 72
|
|
|
|
11 |
643 891 40
|
Hose assy. NW 50x1200 lg. |
1 |
InternBDB: FL 2 1/2-90 /FL 2 1/2 WN 341 951 40 | InternKon: 646 800 40 / 29
|
|
|
|
12 |
643 892 40
|
Hose assy. NW 50x1450 lg. |
1 |
InternBDB: FL 2 1/2-90 /FL 2 1/2-90 WN 341 951 40 | InternKon: 646 800 40 / 11
|
|
|
|
13 |
153 646 40
|
Test coupling |
2 |
InternBDB: AR 1/4
|
|
|
|
14 |
502 371 98
|
Clamp |
1 |
InternBDB: S-4-E /3015 | InternKon: 646 800 40 / 6
|
|
|
|
15 |
534 008 99
|
Plate |
1 |
InternBDB: S-DP-A-4 /3015 | InternKon: 646 800 40 / 5
|
|
|
|
16 |
308 612 99
|
Screw |
2 |
InternBDB: M12x100 /931 | InternKon: 646 800 40 / 107
|
|
|
|
17 |
534 009 99
|
Plate |
1 |
InternBDB: S-AP-A-4 /3015 | InternKon: 646 800 40 / 107
|
|
|
|
18 |
319 158 99
|
Bolt |
8 |
InternBDB: M 12x40 /912
|
|
|
|
19 |
502 626 98
|
Insert |
1 |
InternBDB: S-4-56,4 /3015 | InternKon: 646 800 40 / 110
|
|
|
|
22 |
319 157 99
|
Bolt |
8 |
InternBDB: M12x35 /912 | InternKon: 646 800 40 / 83
|
|
|
|
23 |
643 877 40
|
Hose assy. NW 10x3000 lg. |
1 |
InternBDB: DOL 12 /DOS 12-90 WN 341 951 40 | InternKon: 646 800 40 / 30
|
|
|
|
25 |
007 697 98
|
O-ring |
4 |
InternBDB: 69,4x3,53B NB 90 | InternKon: 646 800 40 / 81
|
|
|
|
26 |
007 140 98
|
Union |
2 |
InternBDB: Voss 12-LR | InternKon: 646 800 40 / 60
|
|
|
|
27 |
372 435 99
|
Union |
2 |
InternBDB: CS 12 /2353 | InternKon: 646 800 40 / 48
|
|
|
|
28 |
643 878 40
|
Hose assy. NW 10x3100 lg. |
1 |
InternBDB: DOL 12 /DOL 12-90 WN 341 951 40 | InternKon: 646 800 40 / 31
|
|
|
|
29 |
007 142 98
|
Union |
1 |
InternBDB: Voss 18-LR | InternKon: 646 800 40 / 62
|
|
|
|
30 |
652 007 40
|
Hose assy. NW 16x4150 lg. |
1 |
InternBDB: DOL 18 /DOS 20 WN 341 951 40 | InternKon: 646 800 40 / 137
|
|
|
|
31 |
440 168 40
|
Hose assy. NW 16x5300 lg. |
1 |
InternBDB: Aeroquip DKO-S/DKO-S | InternKon: 646 800 40 / 92
|
|
|
|
32 |
440 169 40
|
Hose assy. NW 16x950 lg. |
1 |
InternBDB: DKO-S/SFL 3/4-90 | InternKon: 646 800 40 / 91
|
|
|
|
33 |
006 636 98
|
Half flange |
2 |
InternBDB: 20 /420 | InternKon: 646 800 40 / 94
|
|
|
|
34 |
006 697 98
|
O-ring |
1 |
InternBDB: 25x3,5 B NB 90 | InternKon: 646 800 40 / 95
|
|
|
|
35 |
319 149 99
|
Bolt |
4 |
InternBDB: M10x35 /912 | InternKon: 646 800 40 / 96
|
|
|
|
45 |
007 171 98
|
Union |
3 |
InternBDB: Voss 20-SR | InternKon: 427 951 40 / 35
|
|
|
|
46 |
372 085 99
|
Union |
1 |
InternBDB: DSVT 20-PSR | InternKon: 427 951 40 / 36
|
|
|
|
47 |
372 462 99
|
Union |
1 |
InternBDB: DS 20 /2353 | InternKon: 427 951 40 / 21
|
|
|
|
48 |
004 132 98
|
Test socket |
1 |
InternBDB: B 20-S | InternKon: 427 951 40 / 29
|
|
|
|
49 |
427 950 40
|
Pipe assy. Ш 20 |
1 |
InternKon: 427 951 40 / 23
|
|
|
|
50 |
372 185 99
|
Union |
1 |
InternBDB: DDS 20 /2353 | InternKon: 427 951 40 / 42
|
|
|
|
52 |
504 780 98
|
Clamp |
5 |
InternBDB: L-3-G-20 /3015 | InternKon: 646 800 40 / 111
|
|
|
|
53 |
533 992 99
|
Plate |
5 |
InternBDB: L-AP-K-3 /3015 | InternKon: 646 800 40 / 112
|
|
|
|
54 |
319 133 99
|
Screw |
10 |
InternBDB: M6x30 /912 | InternKon: 646 800 40 / 113
|
|
|
|
55 |
504 900 98
|
Clamp |
4 |
InternBDB: L-4-G-28 /3015 | InternKon: 646 800 40 / 114
|
|
|
|
56 |
501 584 98
|
Plate |
4 |
InternBDB: L-AP-K-4 /3015 | InternKon: 646 800 40 / 115
|
|
|
|
57 |
341 419 99
|
Screw |
8 |
InternBDB: M6x70 /912
|
|
|
|
58 |
319 417 99
|
Screw |
8 |
InternBDB: M6x35 /912 | InternKon: 646 800 40 / 116
|
|