|
|
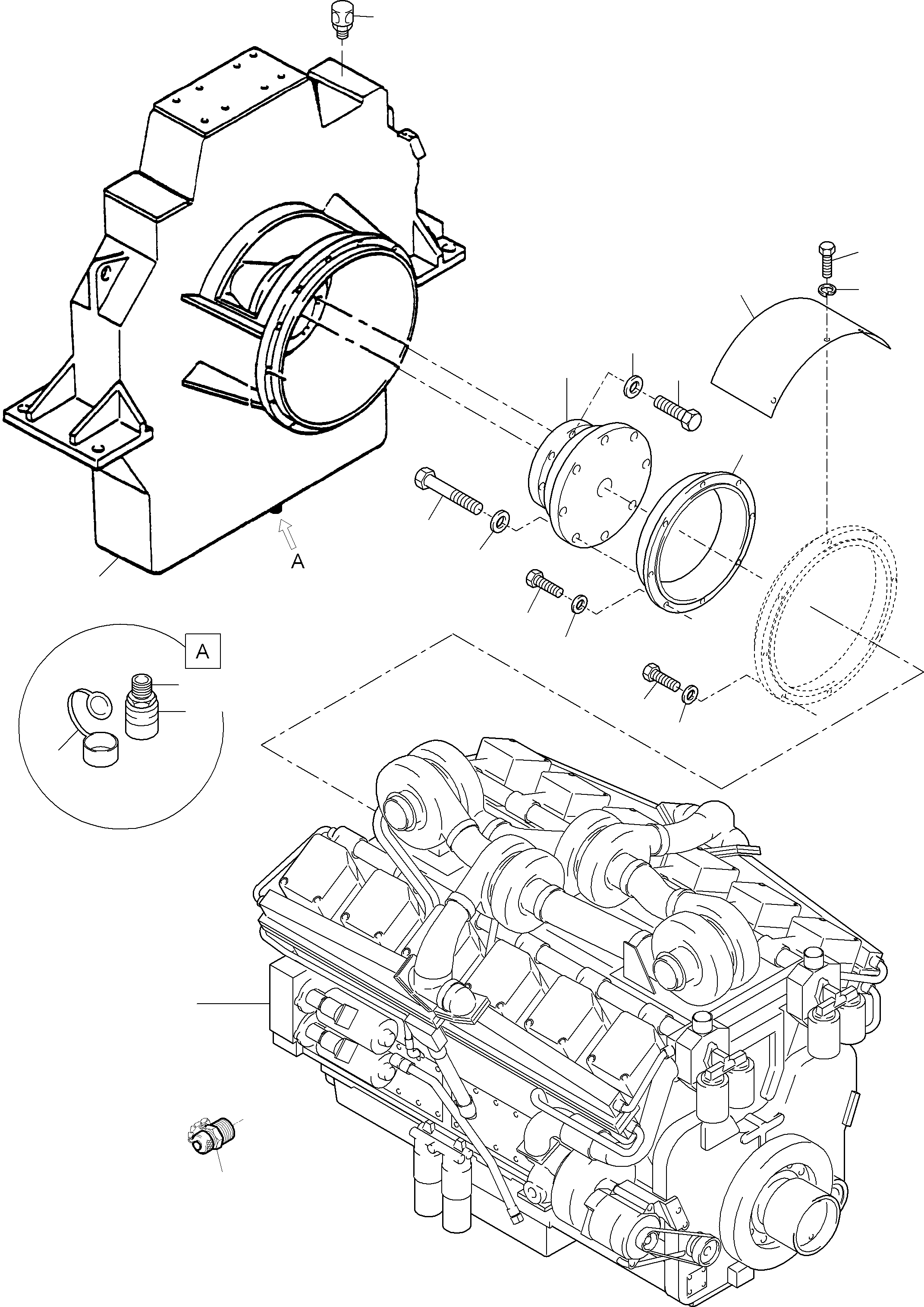
01 |
898 132 40
|
Diesel engine |
1 |
InternKon: 919 90540 / 1
|
|
|
|
02 |
|
Coupling |
1 |
InternBDB: 655 545 40 | InternKon: 919 90540 / 13
|
991-0160 |
|
|
03 |
534 059 99
|
Bolt (standard) |
10 |
InternBDB: M18x45 / DIN 933 10.9 | InternKon: 919 90540 / 21
|
|
|
|
03 |
501 106 98
|
Bolt (cold weather) |
10 |
InternBDB: M18x45 / DIN 933 10.9 kaltz | InternKon: 919 90540 / 21
|
|
|
|
04 |
507 012 98
|
Washer |
18 |
InternBDB: 19 / DIN 6916 | InternKon: 919 90540 / 20
|
|
|
|
05 |
501 154 98
|
Bolt (standard) |
8 |
InternBDB: M18x70 / DIN 931 10.9 | InternKon: 919 90540 / 19
|
|
|
|
05 |
506 851 98
|
Bolt (cold weather) |
8 |
InternBDB: M18x70 / DIN 931 10.9 kaltz | InternKon: 919 90540 / 19
|
|
|
|
06 |
512 960 98
|
Bolt (standard) |
16 |
InternBDB: 1/2-13 UNCx2 3/4 / WN 010 500 99 | InternKon: 919 90540 / 18
|
|
|
|
06 |
517 879 98
|
Bolt (cold weather) |
16 |
InternBDB: 1/2-13 UNCx2 3/4 / WN 010 500 99 kaltz | InternKon: 919 90540 / 18
|
|
|
|
07 |
316 216 99
|
Washer |
16 |
InternBDB: 13 /6916 | InternKon: 919 90540 / 17
|
|
|
|
08 |
487 634 40
|
Spacer block |
1 |
InternKon: 919 90540 / 14
|
|
|
|
09 |
534 062 99
|
Bolt (standard) |
12 |
InternBDB: 5/8-11 UNCx 1/4 WN 010 500 99 | InternKon: 919 90540 / 16
|
|
|
|
09 |
501 108 98
|
Bolt (cold weather) |
12 |
InternBDB: 5/8-11 UNCx 1/4 WN 010 500 99 kaltz | InternKon: 919 90540 / 16
|
|
|
|
10 |
316 211 99
|
Washer |
12 |
InternBDB: 17 / DIN 6916 | InternKon: 919 90540 / 15
|
|
|
|
11 |
461 390 40
|
Oil drain valve |
1 |
InternBDB: Roelex 1" 18 NS 28/M26 mit Kette | InternKon: 919 90540 / 49
|
|
|
|
|$$16 |
490 586 40
|
Oil drain hose |
1 |
InternBDB: Roelex
|
|
|
|
12 |
514 694 40
|
Cover |
1 |
InternBDB: Pick up | InternKon: 919 90540 / 48
|
|
|
|
13 |
901 135 40
|
Cover |
1 |
InternKon: 919 90540 / 26
|
|
|
|
14 |
377 750 99
|
Bolt |
3 |
InternBDB: M8x16 / DIN 933 8.8 | InternKon: 919 90540 / 27
|
|
|
|
15 |
346 510 99
|
Lock washer |
3 |
InternBDB: A 8 / 128 | InternKon: 919 90540 / 25
|
|
|
|
20 |
|
Pump distributor gear |
1 |
InternBDB: 915 376 40 | InternKon: 926 984 40 / 1
|
991-0600 |
|
|
24 |
323 460 40
|
Bleeder valve |
1 |
InternBDB: EV 1019 M22x1,5 | InternKon: 926 984 40 / 9
|
|
|
|
25 |
081 495 40
|
Coupling |
1 |
InternKon: 926 984 40 / 31
|
|
|
|
26 |
081 496 40
|
Protection cap |
1 |
InternKon: 926 984 40 / 32
|
|
|
|
27 |
516 235 98
|
Union |
1 |
InternBDB: SWSDS-L 22x M 26x1,5 / 8434-4 | InternKon: 926 984 40 / 30
|
|