Search in all models by partnumber
Search current book

Komatsu PC3000-6 S/N 46174 parts catalog PDF

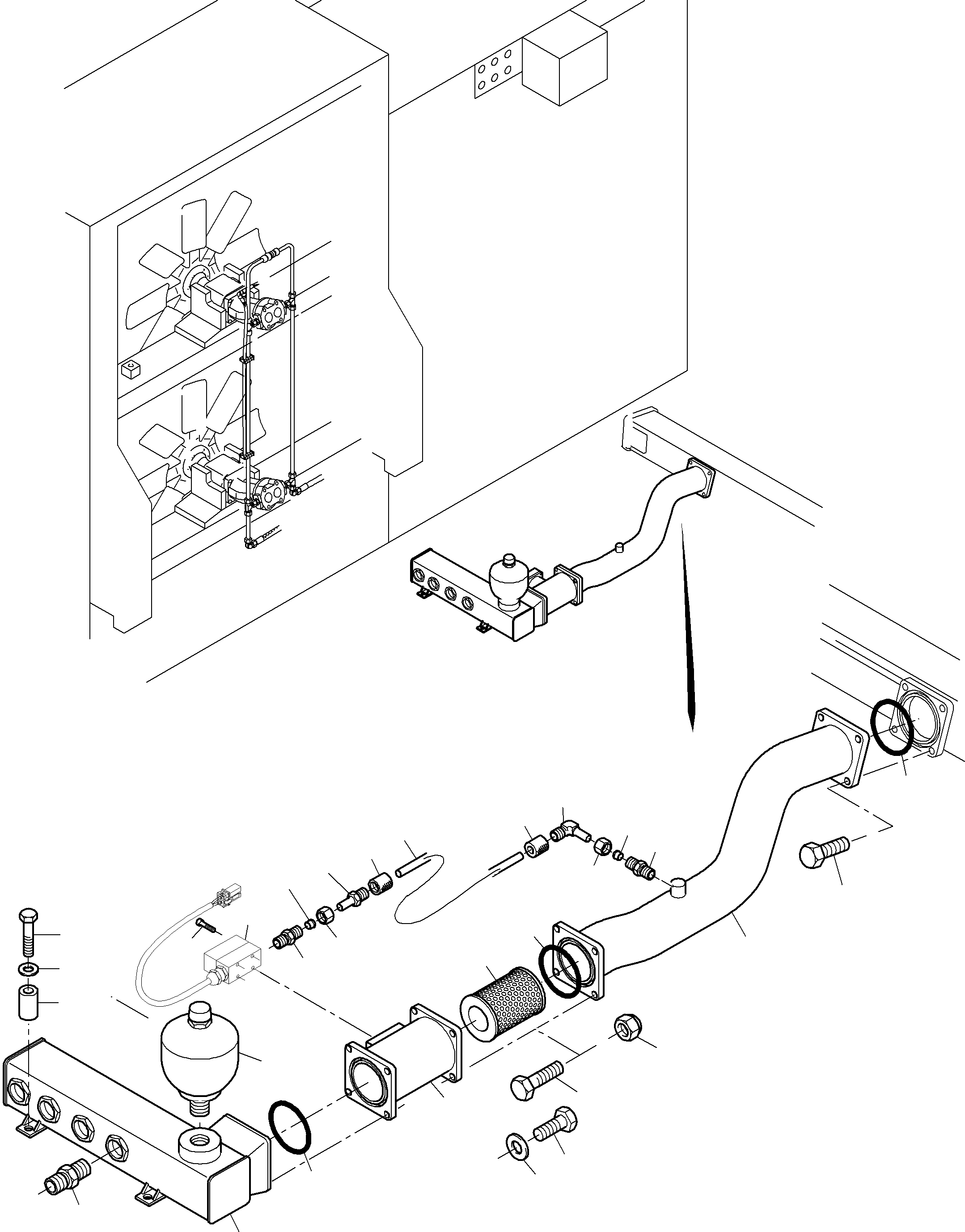
OIL COOLER 55 DEG. - HOSES ASSY. (485-1817d) in PC3000-6 S/N 46174. Diagram image and parts list.

Model manual types and quick links