|
|
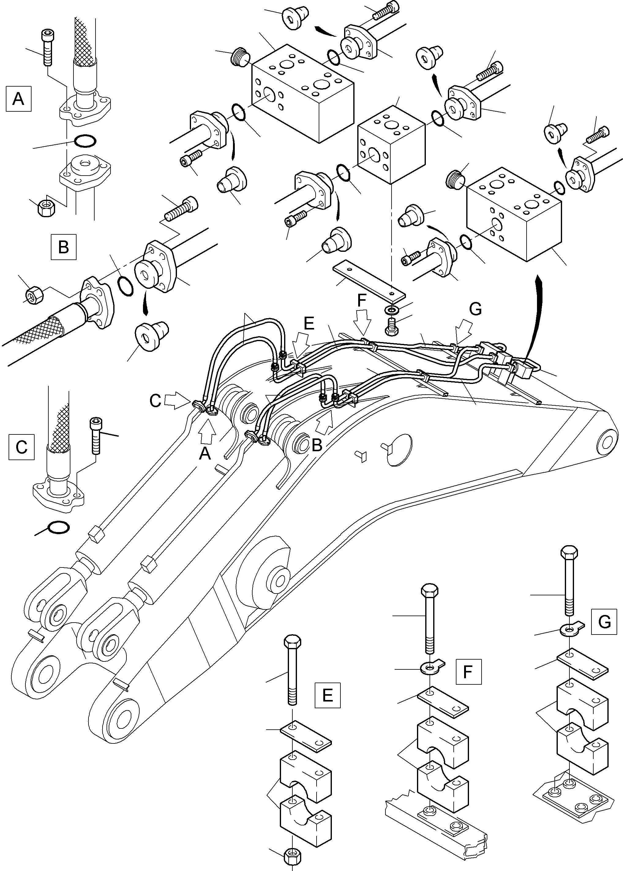
01 |
903 099 40
|
Boom |
1 |
InternKon: 903 098 40 / 1
|
|
|
|
02 |
905 263 40
|
Pin with plate |
1 |
InternKon: 903 098 40 / 2
|
|
|
|
03 |
905 266 40
|
Pin with plate |
2 |
InternKon: 903 098 40 / 3
|
|
|
|
04 |
905 269 40
|
Pin with plate |
2 |
InternKon: 903 098 40 / 4
|
|
|
|
05 |
905 205 40
|
Catch |
2 |
InternKon: 903 098 40 / 5
|
|
|
|
06 |
905 206 40
|
Cap |
1 |
InternKon: 903 098 40 / 6
|
|
|
|
07 |
905 207 40
|
Lining |
1 |
InternKon: 903 098 40 / 7
|
|
|
|
08 |
905 208 40
|
Shackle |
1 |
InternKon: 903 098 40 / 8
|
|
|
|
09 |
900 656 40
|
Flanged bush |
4 |
InternKon: 903 098 40 / 9
|
|
|
|
10 |
462 208 40
|
Catch |
8 |
InternKon: 903 098 40 / 10
|
|
|
|
11 |
905 271 40
|
Shackle |
4 |
InternKon: 903 098 40 / 11
|
|
|
|
12 |
500 117 98
|
O-ring |
1 |
InternKon: 903 098 40 / 12
|
|
|
|
13 |
575 796 40
|
Seal ring |
4 |
InternBDB: n. Zchng. 575 861 40 | InternKon: 903 098 40 / 13
|
|
|
|
14 |
409 329 40
|
Cap |
1 |
InternKon: 903 098 40 / 14
|
|
|
|
15 |
307 826 99
|
Bolt |
16 |
InternBDB: M16x50 /933 | InternKon: 903 098 40 / 15
|
|
|
|
16 |
517 123 98
|
Washer |
32 |
InternBDB: 16 / StZn / WN 65593840 | InternKon: 903 098 40 / 16
|
|
|
|
17 |
332 361 99
|
Nut |
1 |
InternBDB: M 30 /934 | InternKon: 903 098 40 / 17
|
|
|
|
18 |
004 860 98
|
Grease nipple |
1 |
InternBDB: AR 1/4 | InternKon: 903 098 40 / 18
|
|
|
|
19 |
502 976 98
|
Clamp set |
6 |
InternBDB: S-4-R-50 /3015 | InternKon: 903 098 40 / 19
|
|
|
|
20 |
504 445 98
|
Clamp set |
45 |
InternBDB: S-4-R-65 /3015 AL | InternKon: 903 098 40 / 20
|
|
|
|
21 |
505 440 98
|
Clamp set |
4 |
InternBDB: S-4-R-65 /3015 PA | InternKon: 903 098 40 / 21
|
|
|
|
22 |
504 446 98
|
Clamp set |
24 |
InternBDB: S-4-G-65 /3015 | InternKon: 903 098 40 / 22
|
|
|
|
23 |
509 064 98
|
Clamp set |
12 |
InternBDB: S-5-E /3015 | InternKon: 903 098 40 / 23
|
|
|
|
24 |
505 212 98
|
Grommet |
24 |
InternBDB: S-5-68 /3015 | InternKon: 903 098 40 / 24
|
|
|
|
25 |
534 008 99
|
Cover plate |
79 |
InternBDB: S-DP-A-4 /3015 | InternKon: 903 098 40 / 25
|
|
|
|
26 |
500 398 98
|
Cover plate |
2 |
InternBDB: S-DP-A-5 /3015 | InternKon: 903 098 40 / 26
|
|
|
|
27 |
515 928 98
|
Catch |
2 |
InternBDB: S-5 /3015 | InternKon: 903 098 40 / 27
|
|
|
|
28 |
500 399 98
|
Weld on plate |
12 |
InternBDB: S-AP-A-5 /3015 | InternKon: 903 098 40 / 28
|
|
|
|
29 |
502 961 98
|
Weld on plate |
4 |
InternBDB: S-AP-S-4 /3015 | InternKon: 903 098 40 / 29
|
|
|
|
30 |
515 927 98
|
Screw |
4 |
InternBDB: S-5 /3015 | InternKon: 903 098 40 / 30
|
|
|
|
31 |
905 279 40
|
Pipe Ш 65x150 |
4 |
InternBDB: 65x8 /2391 | InternKon: 903 098 40 / 31
|
|
|
|
32 |
308 641 99
|
Bolt |
4 |
InternBDB: M16x130 /931 | InternKon: 903 098 40 / 39
|
|
|
|
33 |
510 151 98
|
Bolt |
52 |
InternBDB: M12x120 /933 | InternKon: 903 098 40 / 40
|
|
|
|
34 |
308 599 99
|
Bolt |
72 |
InternBDB: M12x105 /931 | InternKon: 903 098 40 / 41
|
|
|
|
35 |
332 334 99
|
Nut |
60 |
InternBDB: M 12 /934 | InternKon: 903 098 40 / 43
|
|
|
|
36 |
509 310 98
|
Locking plate |
46 |
InternBDB: SI 6 | InternKon: 903 098 40 / 44
|
|
|
|
37 |
509 311 98
|
Locking plate |
2 |
InternBDB: SI 7 | InternKon: 903 098 40 / 45
|
|
|
|
38 |
905 298 40
|
Manifold |
1 |
InternKon: 903 098 40 / 46
|
|
|
|
39 |
905 299 40
|
Manifold |
1 |
InternKon: 903 098 40 / 47
|
|
|
|
40 |
903 051 40
|
Distributor |
1 |
InternKon: 903 098 40 / 48
|
|
|
|
41 |
500 127 98
|
Flange |
6 |
InternBDB: FE-5000-24/6 | InternKon: 903 098 40 / 49
|
|
|
|
42 |
504 448 98
|
Flange |
34 |
InternBDB: FE-6500-32/6 | InternKon: 903 098 40 / 50
|
|
|
|
44 |
500 203 98
|
Collar ring |
2 |
InternBDB: KO-5060-24 | InternKon: 903 098 40 / 52
|
|
|
|
45 |
504 449 98
|
Collar ring |
27 |
InternBDB: KO-6580-32 | InternKon: 903 098 40 / 53
|
|
|
|
46 |
501 898 98
|
Collar ring |
4 |
InternBDB: K-5060-24 | InternKon: 903 098 40 / 54
|
|
|
|
47 |
504 461 98
|
Collar ring |
7 |
InternBDB: K-6580-32 | InternKon: 903 098 40 / 55
|
|
|
|
48 |
356 209 40
|
Flange seal |
10 |
InternBDB: 1 1/2 NBR 90 | InternKon: 903 098 40 / 56
|
|
|
|
49 |
385 243 40
|
Flange seal |
48 |
InternBDB: 2 NBR 90 | InternKon: 903 098 40 / 57
|
|
|
|
50 |
319 288 99
|
Bolt |
16 |
InternBDB: M16x50 /912 10.9 | InternKon: 903 098 40 / 58
|
|
|
|
51 |
319 289 99
|
Bolt |
16 |
InternBDB: M16x60 /912 10.9 | InternKon: 903 098 40 / 59
|
|
|
|
52 |
319 292 99
|
Bolt |
8 |
InternBDB: M16x90 /912 10.9 | InternKon: 903 098 40 / 60
|
|
|
|
53 |
319 305 99
|
Bolt |
20 |
InternBDB: M20x60 /912 10.9 | InternKon: 903 098 40 / 61
|
|
|
|
54 |
319 323 99
|
Bolt |
28 |
InternBDB: M20x90 /912 10.9 | InternKon: 903 098 40 / 62
|
|
|
|
55 |
319 313 99
|
Bolt |
140 |
InternBDB: M20x120 /912 10.9 | InternKon: 903 098 40 / 63
|
|
|
|
57 |
332 355 99
|
Nut |
8 |
InternBDB: M 16 /934 | InternKon: 903 098 40 / 65
|
|
|
|
58 |
504 662 98
|
Nut |
140 |
InternBDB: M 20 /934 | InternKon: 903 098 40 / 66
|
|
|
|
59 |
168 474 40
|
Plug |
2 |
InternBDB: Vsti M42x2 | InternKon: 903 098 40 / 67
|
|
|
|
60 |
940 424 40
|
Hose assy. DN 50x2850 DN 50x2850 |
4 |
InternBDB: GH466-32X 2850 / FS 2 /FS 2-45 | InternKon: 903 098 40 / 68
|
|
|
|
61 |
940 322 40
|
Hose assy. DN 50x2500 DN 50x2500 |
4 |
InternBDB: GH466-32X 2500 / FS 2 /FS 2 | InternKon: 903 098 40 / 69
|
|
|
|
62 |
940 421 40
|
Hose assy. DN 50x2400 DN 50x2400 |
4 |
InternBDB: GH466-32X 2400 / FS 2 /FS 2-45 | InternKon: 903 098 40 / 70
|
|
|
|
63 |
940 315 40
|
Hose assy. DN 50x1850 DN 50x1850 |
4 |
InternBDB: GH466-32X 1850 / FS 2 /FS 2 | InternKon: 903 098 40 / 71
|
|
|
|
64 |
905 768 40
|
Manifold |
1 |
InternKon: 903 098 40 / 88
|
|
|
|
65 |
913 670 40
|
Plate |
1 |
InternKon: 903 098 40 / 89
|
|
|
|
66 |
307 777 99
|
Bolt |
5 |
InternBDB: M10x25 /933 | InternKon: 903 098 40 / 90
|
|
|
|
67 |
517 122 98
|
Lock washer |
5 |
InternBDB: S 10 | InternKon: 903 098 40 / 91
|
|
|
|
68 |
770 380 73
|
Pipe assy. Ш 65 |
2 |
InternBDB: 905 282 40 | InternKon: 915 945 40 / 72
|
|
|
|
69 |
770 381 73
|
Pipe assy. Ш 65 |
1 |
InternBDB: 905 283 40 | InternKon: 915 945 40 / 73
|
|
|
|
70 |
770 382 73
|
Pipe assy. Ш 65 |
1 |
InternBDB: 905 284 40 | InternKon: 915 945 40 / 74
|
|
|
|
71 |
770 383 73
|
Pipe assy. Ш 65 |
2 |
InternBDB: 905 285 40 | InternKon: 915 945 40 / 75
|
|
|
|
72 |
770 384 73
|
Pipe assy. Ш 65 |
1 |
InternBDB: 905 286 40 | InternKon: 915 945 40 / 76
|
|
|
|
73 |
770 385 73
|
Pipe assy. Ш 65 |
1 |
InternBDB: 905 287 40 | InternKon: 915 945 40 / 77
|
|
|
|
75 |
770 387 73
|
Pipe assy. Ш 65 |
1 |
InternBDB: 905 289 40 | InternKon: 915 945 40 / 79
|
|
|
|
76 |
770 388 73
|
Pipe assy. Ш 65 |
1 |
InternBDB: 905 290 40 | InternKon: 915 945 40 / 80
|
|
|
|
77 |
770 389 73
|
Pipe assy. Ш 65 |
1 |
InternBDB: 905 291 40 | InternKon: 915 945 40 / 81
|
|
|
|
78 |
770 390 73
|
Pipe assy. Ш 65 |
1 |
InternBDB: 905 292 40 | InternKon: 915 945 40 / 82
|
|
|
|
79 |
770 391 73
|
Pipe assy. Ш 65 |
1 |
InternBDB: 905 293 40 | InternKon: 915 945 40 / 83
|
|
|
|
80 |
770 392 73
|
Pipe assy. Ш 65 |
4 |
InternBDB: 905 294 40 | InternKon: 915 945 40 / 84
|
|
|
|
81 |
770 393 73
|
Pipe assy. Ш 50 |
1 |
InternBDB: 905 295 40 | InternKon: 915 946 40 / 85
|
|
|
|
82 |
770 394 73
|
Pipe assy. Ш 50 |
1 |
InternBDB: 905 296 40 | InternKon: 915 946 40 / 86
|
|
|
|
83 |
770 395 73
|
Pipe assy. Ш 50 |
1 |
InternBDB: 905 297 40 | InternKon: 915 946 40 / 87
|
|
|
|
94 |
342 085 99
|
Cotter pin |
1 |
InternBDB: 5x50 | InternKon: 903 098 40 / 94
|
|
|
|
95 |
319 442 99
|
Bolt |
1 |
InternBDB: M 16x40 / 912 | InternKon: 903 098 40 / 95
|
|
|
|
96 |
937 601 40
|
Retainer |
3 |
InternKon: 903 098 40 / 96
|
|
|
|
97 |
937 607 40
|
Retainer |
1 |
InternKon: 903 098 40 / 97
|
|
|
|
98 |
937 604 40
|
Angle |
1 |
InternKon: 903 098 40 / 98
|
|
|
|
99 |
304 352 99
|
Bolt |
16 |
InternBDB: M16x140 / 10.9 / DIN 931 | InternKon: 903 098 40 / 99
|
|
|
|
100 |
502 371 98
|
Clamp set |
6 |
InternBDB: S-4-E / PP / DIN 3015 | InternKon: 903 098 40 / 100
|
|
|
|
101 |
502 626 98
|
Grommet |
6 |
InternBDB: S-4-56,4 / Gummi / DIN 3015 | InternKon: 903 098 40 / 101
|
|
|
|
102 |
308 616 99
|
Bolt |
28 |
InternBDB: M12x140 / 8.8 / DIN 931 | InternKon: 903 098 40 / 102
|
|
|
|
103 |
307 806 99
|
Bolt |
8 |
InternBDB: M12x40 / 8.8 / DIN 933 | InternKon: 903 098 40 / 103
|
|
|
|
104 |
517 118 98
|
Lock washer |
40 |
InternBDB: 12 / STZN / WN 65593840 | InternKon: 903 098 40 / 104
|
|
|
|
110 |
935 546 40
|
Protection plate |
2 |
InternKon: 903 098 40 / 110
|
|
|
|
111 |
943 158 40
|
Protection plate |
3 |
InternKon: 903 098 40 / 111
|
|
|
|
112 |
943 171 40
|
Protection plate |
2 |
InternKon: 903 098 40 / 112
|
|
|
|
113 |
534 009 99
|
Weld on plate |
8 |
InternBDB: S-AP-A-4 | InternKon: 903 098 40 / 113
|
|
|
|
114 |
948 132 40
|
Pin with plate LT |
1 |
InternKon: 948 135 40 / 1
|
|
|
|
115 |
948 133 40
|
Pin with plate LT |
2 |
InternKon: 948 135 40 / 2
|
|
|
|
116 |
948 134 40
|
Pin with plate LT |
2 |
InternKon: 948 135 40 / 3
|
|