|
|
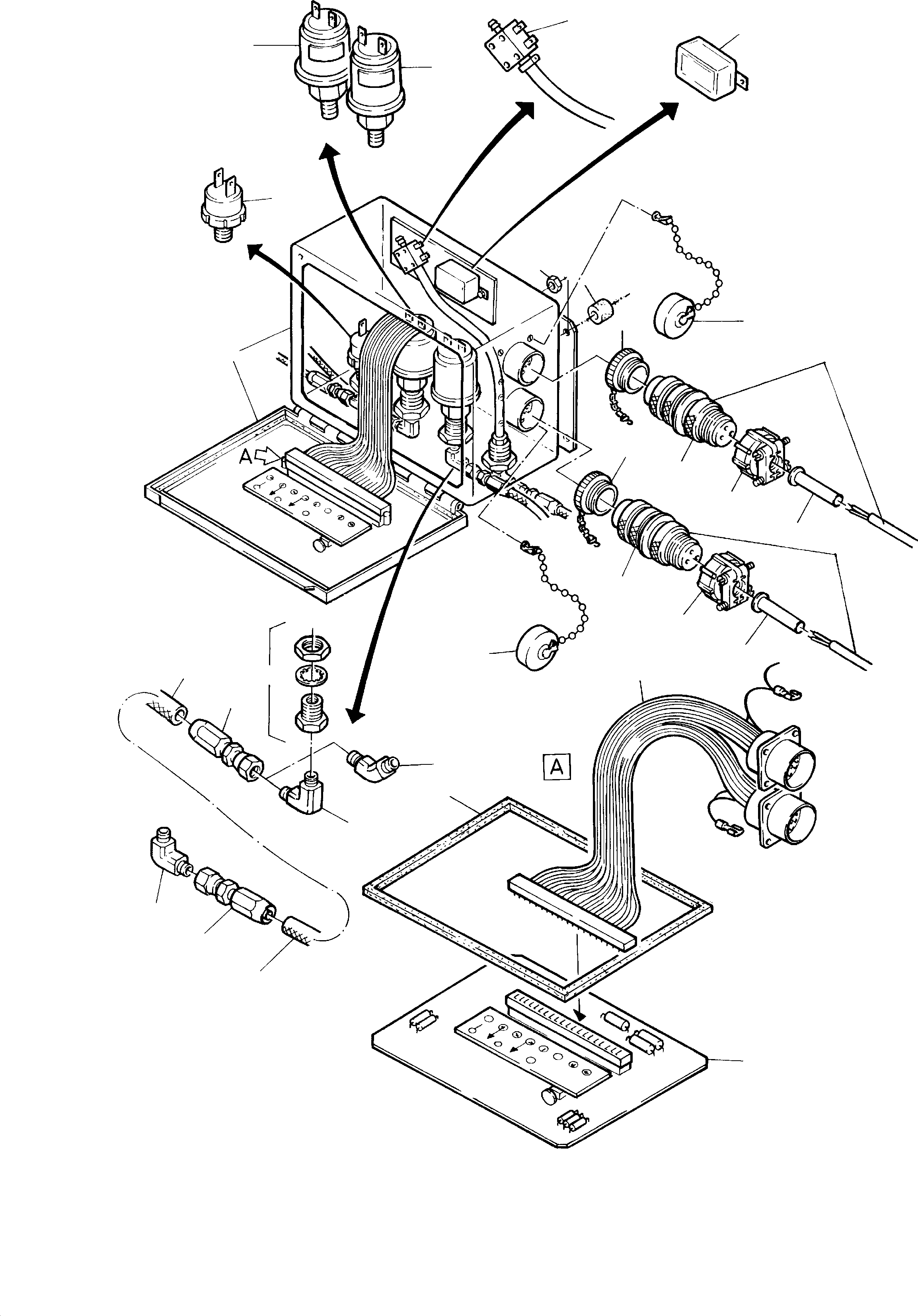
01 |
696 820 73
|
Engine Saver 550 |
1 |
InternBDB: Flight Syst. 07-2719-0012
|
|
|
|
02 |
696 833 73
|
Circuit plate |
1 |
InternBDB: 57-5500-49
|
|
|
|
03 |
696 834 73
|
Pressure switch
(oil pressure) |
1 |
InternBDB: 57-5500-12
|
|
|
|
04 |
696 835 73
|
Pressure switch
(cooling water pressure) |
1 |
InternBDB: 57-5500-45
|
|
|
|
05 |
696 836 73
|
Pressure switch
(crankcase pressure) |
1 |
InternBDB: 57-5500-38
|
|
|
|
06 |
696 837 73
|
Pressure switch
(turbocharger) |
1 |
InternBDB: 57-5500-53
|
|
|
|
07 |
696 838 73
|
Harness |
1 |
InternBDB: 57-5500-51
|
|
|
|
08 |
696 839 73
|
Relay |
1 |
InternBDB: 57-5500-02
|
|
|
|
09 |
696 840 73
|
Union |
4 |
InternBDB: 57-5500-10
|
|
|
|
10 |
696 841 73
|
Seal |
1 |
InternBDB: 57-5500-25
|
|
|
|
11 |
693 853
|
Hose DN 5
Bulk ware, state length
required |
-2 |
InternBDB: Gates 3/16" SAE 100-R 5
|
|
|
|
12 |
695 142
|
Hose fittings |
8 |
|
|
|
|
13 |
C00 681 39
|
Union |
8 |
InternBDB: Cummins
|
|
|
|
14 |
C05 104 7A
|
Union |
4 |
InternBDB: Cummins
|
|
|
|
15 |
696 842 73
|
Plug |
1 |
InternBDB: Amphenol MS 3106 A18 -1S 8932
|
|
|
|
16 |
696 843 73
|
Plug |
1 |
InternBDB: Amphenol MS 3106 A20 -29S 0939
|
|
|
|
17 |
696 844 73
|
Cable relief |
1 |
InternBDB: Amphenol MS 3057-12A
|
|
|
|
18 |
696 845 73
|
Cable relief |
1 |
InternBDB: Amphenol MS 3057-10A
|
|
|
|
19 |
696 846 73
|
Grommet |
1 |
InternBDB: Amphenol AN 3420-10
|
|
|
|
20 |
696 847 73
|
Grommet |
1 |
InternBDB: Amphenol AN 3420-12
|
|
|
|
21 |
696 848 73
|
Protection cap |
1 |
InternBDB: Amphenol MS 25042-20D
|
|
|
|
22 |
696 849 73
|
Protection cap |
1 |
InternBDB: Amphenol MS 25042-18D
|
|
|
|
23 |
696 850 73
|
Protection cap |
1 |
InternBDB: Amphenol MS 25043-20D
|
|
|
|
24 |
696 851 73
|
Protection cap |
1 |
InternBDB: Amphenol MS 25043-18D
|
|
|
|
25 |
762 136 73
|
Harness |
1 |
InternBDB: 57-5500-24
|
|
|
|
26 |
762 137 73
|
Harness |
1 |
InternBDB: 57-A550-31
|
|
|
|
27 |
461 162 40
|
Rubber block support |
4 |
InternBDB: Phoenix | InternKon: 514 600 40 / 05
|
|
|
|
28 |
507 025 98
|
Nut |
8 |
InternBDB: M 6 / 985 | InternKon: 514 600 40 / 06
|
|