|
|
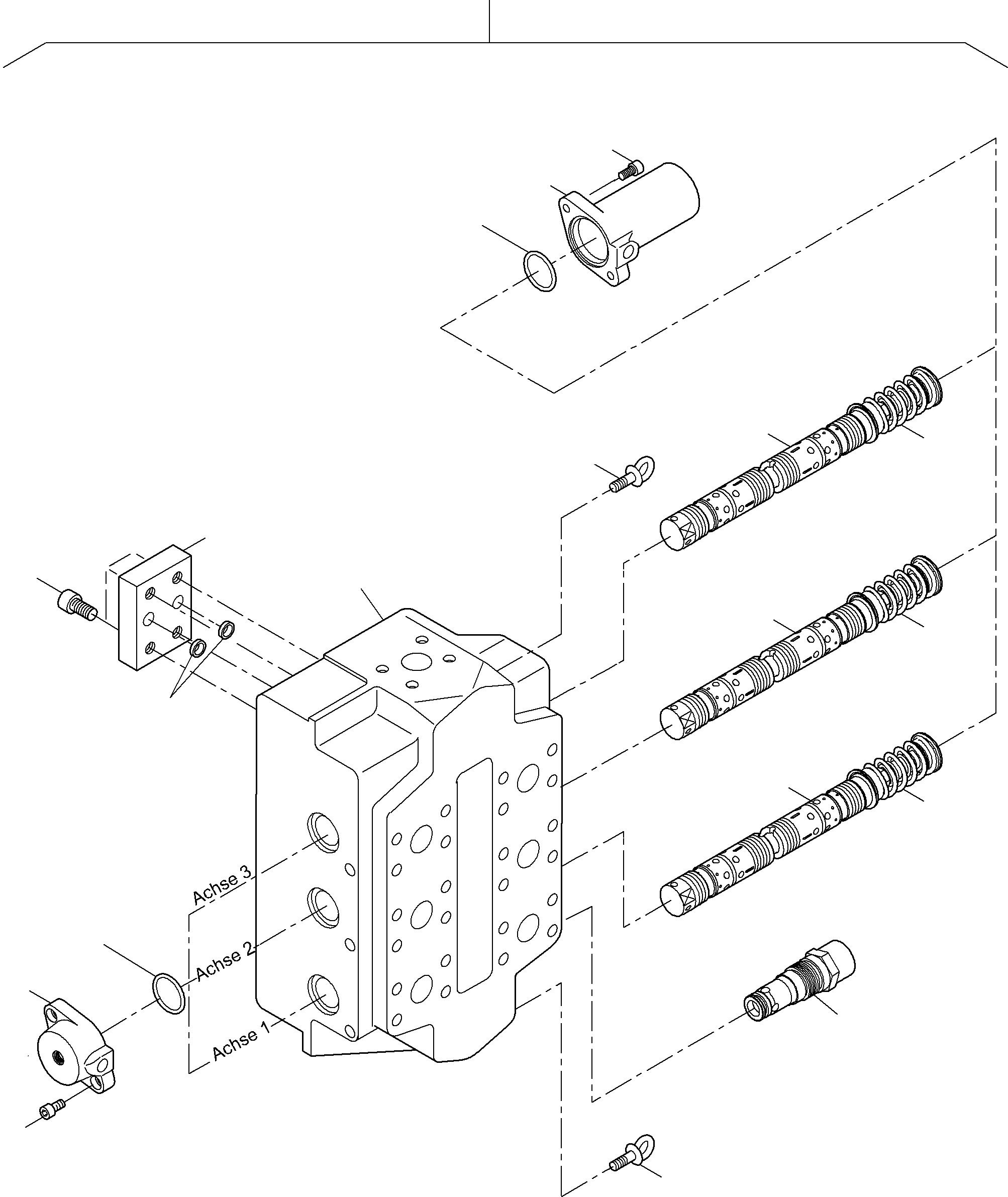
01 |
907 746 40
|
Control block |
1 |
InternBDB: MO-5081-01/ 3MO-40THSSM11K62-OHR Nr. R901045580
|
|
|
|
02 |
|
Housing |
1 |
InternBDB: MH3MO-$= H10/DTHUUU11SS | InternKon: 355-1848E / 11
|
|
|
|
03 |
319 429 99
|
Bolt |
24 |
InternBDB: M 10x20 / 912 | InternKon: 355-1848E / 70
|
|
|
|
04 |
767 739 73
|
Cover |
3 |
InternBDB: 859 637 | InternKon: 355-1848E / 17
|
|
|
|
05 |
793 380 73
|
Cover with catch |
3 |
InternBDB: R901063931 MO-40 H11/DEK-Verdrehsicherung | InternKon: 355-1848E / 13
|
|
|
|
08 |
771 854 73
|
Spring package assy. |
3 |
InternBDB: R900545158 MH-62-10 | InternKon: 355-1848E / 53
|
|
|
|
09 |
508 105 98
|
O-ring |
6 |
InternBDB: 98,02x3,53 | InternKon: 355-1848E / 89
|
|
|
|
11 |
793 378 73
|
Piston with spring package |
1 |
InternBDB: R901063933 MO 40H11 / 901050917 | InternKon: 355-1848E / 37
|
|
|
|
12 |
793 379 73
|
Piston with spring package |
1 |
InternBDB: R901063935 MO 40H11 / 901050937 | InternKon: 355-1848E / 38
|
|
|
|
13 |
793 409 73
|
Piston with spring package |
1 |
InternBDB: R901063932 MO 40H11 / 901050939 | InternKon: 355-1848E / 36
|
|
|
|
14 |
319 259 99
|
Bolt |
24 |
InternBDB: M 10x40 / 912 | InternKon: 355-1848E / 69
|
|
|
|
15 |
|
Pressure relief valve |
1 |
InternBDB: 461 498 40 | InternKon: 355-1848E / 57
|
090-0404 |
|
|
16 |
994 410
|
Plate |
6 |
InternBDB: R900303897 / MO-22-10/UM | InternKon: 355-1848E / 139
|
|
|
|
17 |
313 503 99
|
Eye bolt |
2 |
InternBDB: M 16 / 580 | InternKon: 355-1848E / 79
|
|
|
|
18 |
767 738 73
|
Seal kit assy., control block |
3 |
InternBDB: R900309700 / MO-40 3MO-2262 | InternKon: 355-1848E / 800
|
|
|
|
19 |
994 376
|
Seal kit for plate |
6 |
InternBDB: 309 641
|
|