|
|
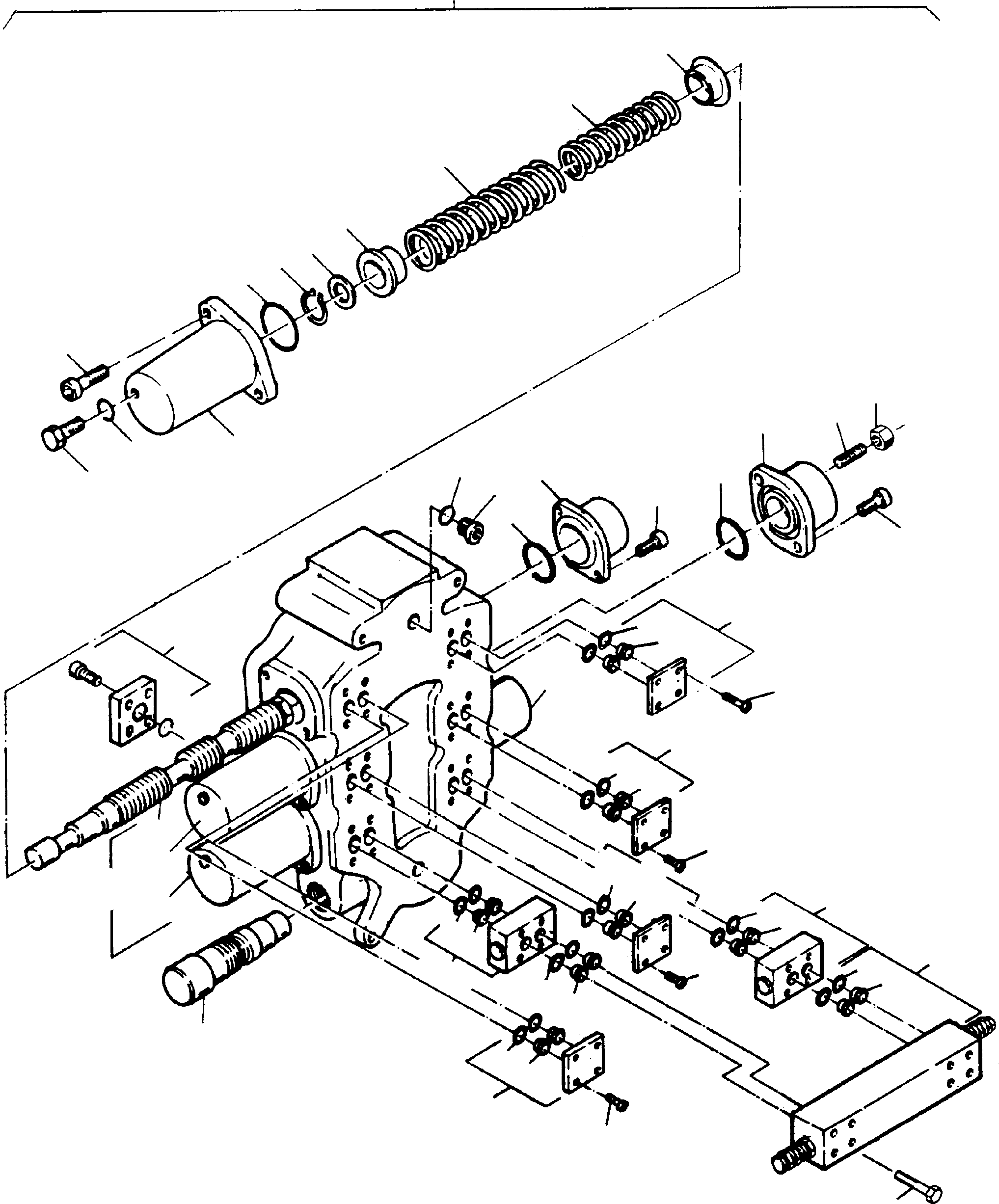
01 |
414 625 40
|
Control block assy. |
1 |
InternBDB: Rexroth MO-3147-00/ 3MO-32 328 531 AT-Nr. 669 245 73
|
|
|
|
02 |
961 241
|
Vent screw |
3 |
InternBDB: 117 640 | InternKon: MO-3002-0-3-1 / 49
|
|
|
|
03 |
339 861 99
|
Seal ring |
3 |
InternBDB: A6x10 /7603 | InternKon: MO-3002-0-3-1 / 86
|
|
|
|
04 |
319 140 99
|
Screw |
12 |
InternBDB: M8x20 /912 | InternKon: MO-3002-0-3-1 / 72
|
|
|
|
05 |
753 720
|
Cover |
3 |
InternBDB: 150 773 | InternKon: MO-3002-0-3-1 / 17
|
|
|
|
06 |
501 049 98
|
O-ring |
6 |
InternBDB: 63,17x2,62 | InternKon: MO-3002-0-3-1 / 94
|
|
|
|
07 |
999 516
|
Snap ring |
3 |
InternBDB: 150 768 | InternKon: MO-3002-0-3-1 / 43
|
|
|
|
08 |
999 517
|
Ring |
3 |
InternBDB: 150 767 | InternKon: MO-3002-0-3-1 / 40
|
|
|
|
09 |
753 723
|
Spring plate |
6 |
InternBDB: 150 766 | InternKon: MO-3002-0-3-1 / 44
|
|
|
|
10 |
753 724
|
Spring |
3 |
InternBDB: 001 461 | InternKon: MO-3002-0-3-1 / 61
|
|
|
|
11 |
753 725
|
Spring |
3 |
InternBDB: 001 570 | InternKon: MO-3002-0-3-1 / 62
|
|
|
|
12 |
994 822
|
Cover |
2 |
InternBDB: 150 772 | InternKon: MO-3002-0-3-1 / 12
|
|
|
|
13 |
754 427
|
Cover |
1 |
InternBDB: 168 358 | InternKon: MO-3002-0-3-1 / 16
|
|
|
|
14 |
754 231
|
Spindle |
1 |
InternBDB: 146 174 | InternKon: MO-3002-0-3-1 / 50
|
|
|
|
15 |
754 162
|
Nut |
1 |
InternBDB: 001 551 | InternKon: MO-3002-0-3-1 / 96
|
|
|
|
16 |
999 521
|
Piston assy.
Procurement only by state-
ment of block-No. |
1 |
InternBDB: 316 822 | InternKon: MO-3002-0-3-1 / 36
|
|
|
|
17 |
756 254 73
|
Piston assy.
Procurement only by state-
ment of block-No. |
1 |
InternBDB: 302 569 | InternKon: MO-3002-0-3-1 / 37
|
|
|
|
18 |
753 727
|
Seal kit to piston axle |
3 |
InternBDB: 309 628
|
|
|
|
19 |
|
Pressure relief valve |
1 |
InternBDB: MHDB-40 K2- 1x/420 YM (MO-7004) 307 942 | InternKon: MO-3002-0-3-1 / 60
|
090-0186 |
|
|
20 |
000 157 98
|
O-ring |
16 |
InternBDB: 18x2,5
|
|
|
|
21 |
368 097 40
|
Support ring |
12 |
InternBDB: 194 313
|
|
|
|
22 |
994 410
|
Plate |
4 |
InternBDB: AG 7123 303 897 | InternKon: MO-3002-0-3-1 / 139
|
|
|
|
23 |
319 429 99
|
Bolt |
16 |
InternBDB: M10x20 /912 | InternKon: MO-3002-0-3-1 / 78
|
|
|
|
24 |
|
Anticavitation valve |
2 |
InternBDB: MHSV 22 ZB1- 1x/M(MO-7151) 307 121 | InternKon: MO-3002-0-3-1 / 144
|
090-0226 |
|
|
25 |
|
Bleed-off valve, mutual up to 320 bar |
1 |
InternBDB: MH2DBH VV 22 BP 9-1x/ 420 YM 405 195 | InternKon: MO-3002-0-3-1 / 187
|
090-0458 |
|
|
26 |
320 032 99
|
Bolt |
8 |
InternBDB: M10x150 /912 10.9 | InternKon: MO-3002-0-3-1 / 82
|
|
|
|
27 |
999 525
|
Plug |
1 |
InternBDB: 131 012 | InternKon: MO-3002-0-3-1 / 47
|
|
|
|
28 |
500 582 98
|
O-ring |
1 |
InternBDB: 38x3 | InternKon: MO-3002-0-3-1 / 90
|
|
|
|
29 |
756 417 73
|
Plate assy.
(with o-ring and screw) |
1 |
InternBDB: 326 825 | InternKon: MO-3002-0-3-1 / 188
|
|
|
|
30 |
368 097 40
|
Support ring |
4 |
InternBDB: 148 875
|
|
|
|
31 |
756 737 73
|
Piston
Procurement only by state-
ment of block-No. |
1 |
InternBDB: 329 448
|
|