|
|
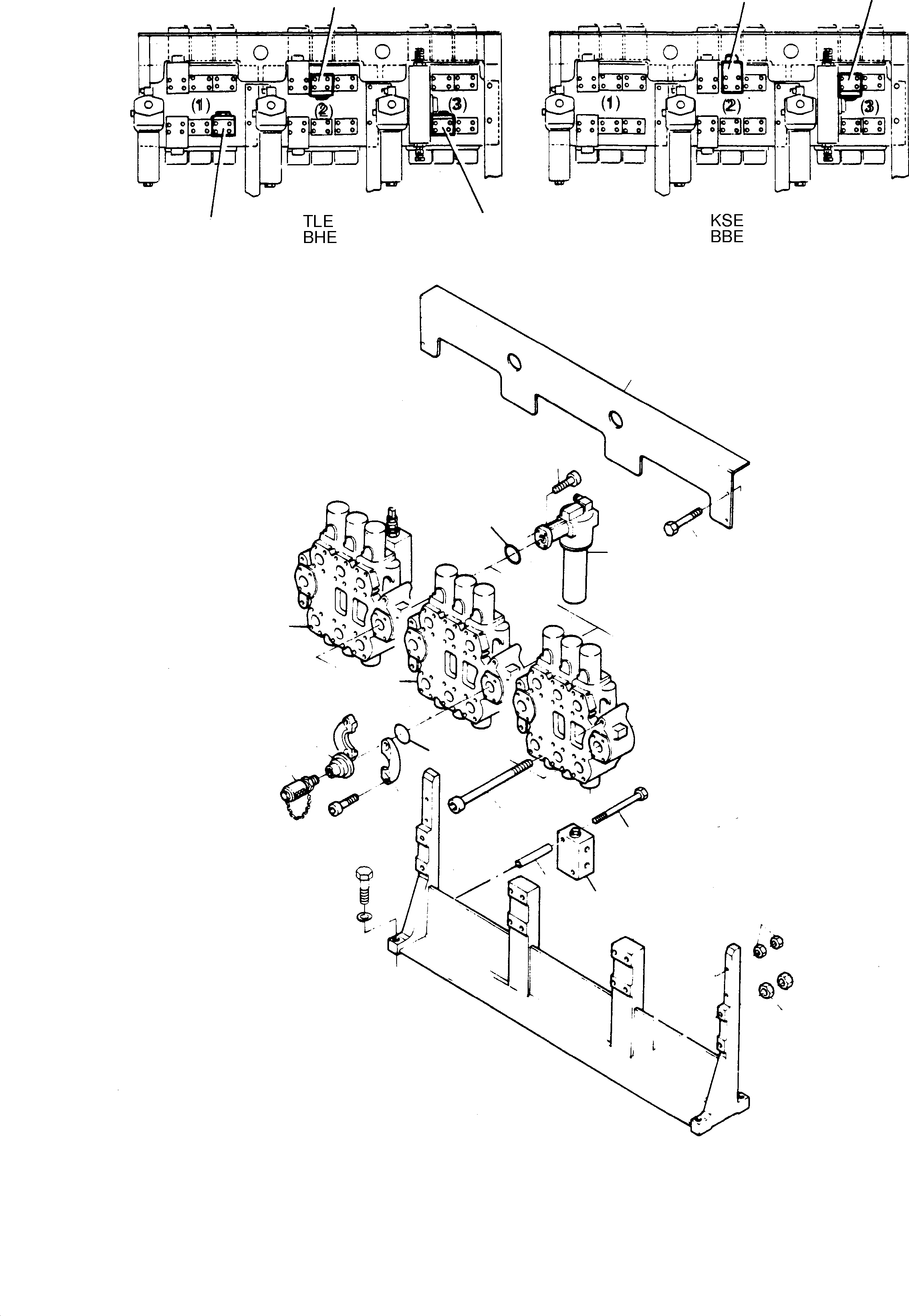
01 |
427 110 40
|
Support, control unit |
1 |
InternKon: 427 120 40 / 1
|
|
|
|
02 |
|
Control block |
2 |
InternBDB: 324 828 40 | InternKon: 427 120 40 / 28
|
090-0443 |
|
|
03 |
|
Control block |
1 |
InternBDB: 414 625 40 | InternKon: 427 120 40 / 29
|
090-0453 |
|
|
04 |
|
H.P. filter |
3 |
InternBDB: 461 187 40 | InternKon: 427 120 40 / 30
|
090-5597 |
|
|
05 |
427 121 40
|
Angle |
1 |
InternKon: 427 120 40 / 20
|
|
|
|
06 |
504 483 98
|
Bolt |
12 |
InternBDB: M12x210 /912 | InternKon: 427 120 40 / 33
|
|
|
|
07 |
504 135 98
|
Screw |
4 |
InternBDB: M6x55 /912 | InternKon: 427 120 40 / 38
|
|
|
|
08 |
332 334 98
|
Nut |
18 |
InternBDB: M 12 /934 | InternKon: 427 120 40 / 39
|
|
|
|
09 |
332 110 99
|
Nut |
8 |
InternBDB: M 6 /934 | InternKon: 427 120 40 / 40
|
|
|
|
10 |
006 637 98
|
Half flange |
3 |
InternBDB: 25 /420 | InternKon: 427 120 40 / 25
|
|
|
|
11 |
420 139 40
|
Flanged plug |
3 |
|
|
|
|
12 |
153 646 40
|
Test coupling |
3 |
InternBDB: AR 1/4 ST 2103-01-51.00 | InternKon: 427 120 40 / 41
|
|
|
|
13 |
414 370 40
|
Shut down valve |
1 |
InternBDB: Rexroth NG 6 MO 7204-00 | InternKon: 427 120 40 / 45
|
|
|
|
14 |
427 228 40
|
Pipe Ш 10x75 |
2 |
InternBDB: 10x1,5 /2391 | InternKon: 427 120 40 / 48
|
|
|
|
15 |
308 942 99
|
Bolt |
2 |
InternBDB: M6x140 /931 | InternKon: 427 120 40 / 47
|
|
|
|
16 |
319 273 99
|
Bolt |
12 |
InternBDB: M12x35 /912 10.9 | InternKon: 427 120 40 / 36
|
|
|
|
17 |
504 600 98
|
O-ring |
6 |
InternBDB: 32,9x3,5
|
|
|
|
18 |
|
Anticavitation valve |
-2 |
InternBDB: 256 164 40
|
090-0226 |
|
|
19 |
|
Bleed-off valve |
-2 |
InternBDB: 226 056 40
|
090-0198 |