|
|
? |
324 828 40
|
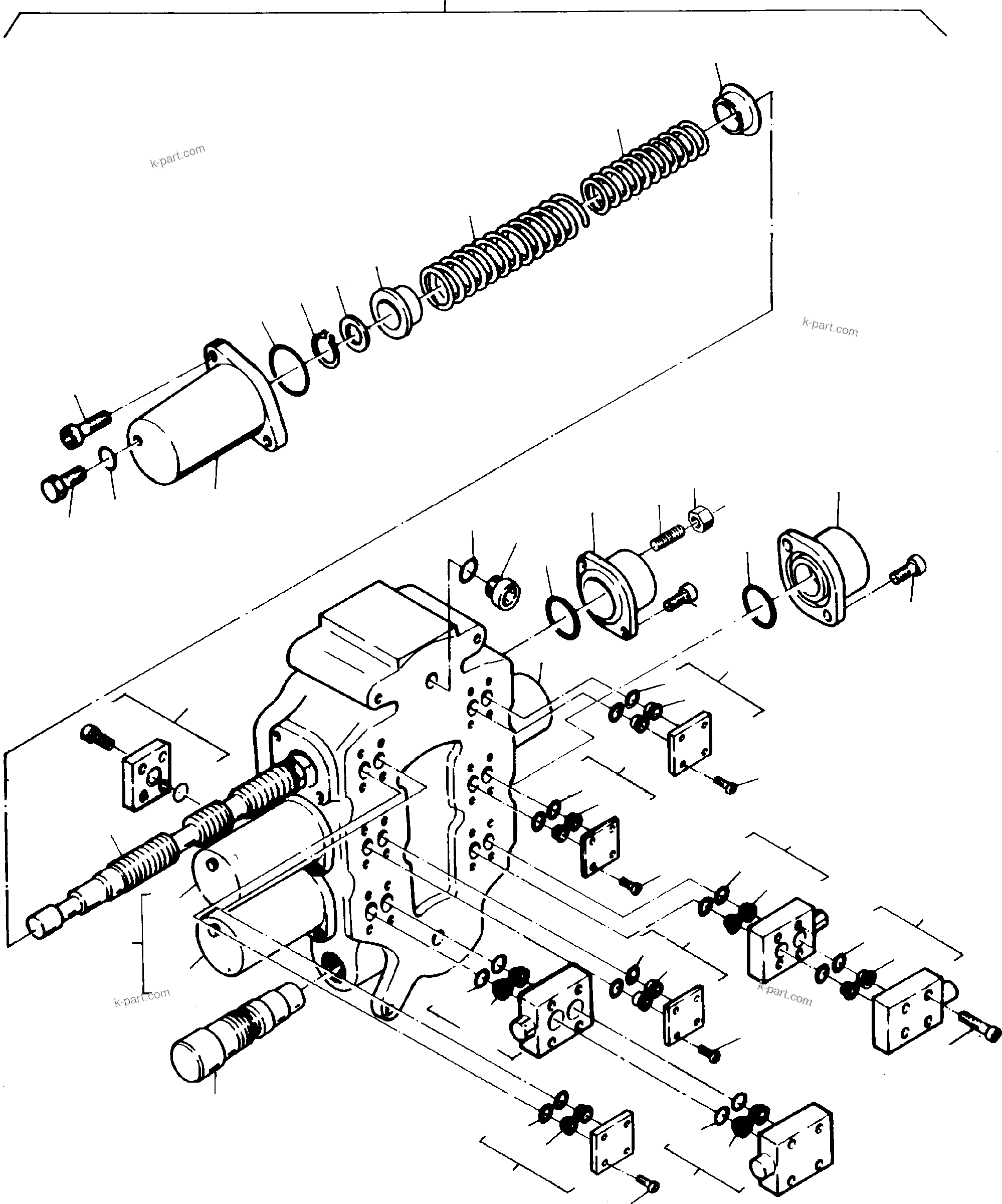
Control block assy. |
1 |
InternBDB: Rexroth MO-3136-00/ 3 MO-32 AT-Nr. 669 111 73
|
|
|
|
? |
961 241
|
Vent screw |
3 |
InternBDB: 117 640 | InternKon: MO 3002-0-3-1 / 49
|
|
|
|
? |
339 861 99
|
Seal ring |
3 |
InternBDB: A6x10 /7603 | InternKon: MO 3002-0-3-1 / 86
|
|
|
|
? |
319 140 99
|
Screw |
12 |
InternBDB: M8x20 /912 | InternKon: MO 3002-0-3-1 / 72
|
|
|
|
? |
753 720
|
Cover |
3 |
InternBDB: 150 773 | InternKon: MO 3002-0-3-1 / 17
|
|
|
|
? |
501 049 98
|
O-ring |
6 |
InternBDB: 63,17x2,62 | InternKon: MO 3002-0-3-1 / 94
|
|
|
|
? |
999 516
|
Snap ring |
3 |
InternBDB: 150 768 | InternKon: MO 3002-0-3-1 / 43
|
|
|
|
? |
999 517
|
Ring |
3 |
InternBDB: 150 767 | InternKon: MO 3002-0-3-1 / 40
|
|
|
|
? |
753 723
|
Spring plate |
6 |
InternBDB: 150 766 | InternKon: MO 3002-0-3-1 / 44
|
|
|
|
? |
753 724
|
Spring |
3 |
InternBDB: 001 461 | InternKon: MO 3002-0-3-1 / 61
|
|
|
|
? |
753 725
|
Spring |
3 |
InternBDB: 001 570 | InternKon: MO 3002-0-3-1 / 62
|
|
|
|
? |
754 427
|
Cover |
2 |
InternBDB: 168 358 | InternKon: MO 3002-0-3-1 / 16
|
|
|
|
? |
754 231
|
Spindle |
2 |
InternBDB: 146 174 | InternKon: MO 3002-0-3-1 / 50
|
|
|
|
? |
754 162
|
Nut |
2 |
InternBDB: 001 551 | InternKon: MO 3002-0-3-1 / 96
|
|
|
|
? |
994 822
|
Cover |
1 |
InternBDB: 150 772 | InternKon: MO 3002-0-3-1 / 12
|
|
|
|
? |
756 254 73
|
Piston assy.
For replacement state s/no.
of block |
2 |
InternBDB: 302 569 | InternKon: MO 3002-0-3-1 / 36
|
|
|
|
? |
754 067
|
Piston assy.
For replacement state s/no.
of block |
1 |
InternBDB: 319 524 | InternKon: MO 3002-0-3-1 / 37
|
|
|
|
? |
753 727
|
Seal kit for piston axle |
3 |
InternBDB: 309 628
|
|
|
|
? |
|
Pressure relief valve |
1 |
InternBDB: MHDB-40K2- 1x/420YM (MO-7004) 307 942 | InternKon: MO 3002-0-3-1 / 60
|
090-0186 |
|
|
? |
000 157 98
|
O-ring |
16 |
InternBDB: 18x2,5
|
|
|
|
? |
368 097 40
|
Support ring |
16 |
InternBDB: 194 313
|
|
|
|
? |
994 410
|
Plate |
4 |
InternBDB: AG 7123 303 897 | InternKon: MO 3002-0-3-1 / 139
|
|
|
|
? |
319 429 99
|
Bolt |
16 |
InternBDB: M10x20 /912 | InternKon: MO 3002-0-3-1 / 78
|
|
|
|
? |
|
Anticavitation valve |
2 |
InternBDB: MHSV22ZB1- 1x/M(MO-7151) 307 121 | InternKon: MO 3002-0-3-1 / 144
|
090-0226 |
|
|
? |
|
Bleed-off valve |
2 |
InternBDB: MHDBD22P2- 1x/420M (AG 7041) 303 354 | InternKon: MO 3002-0-3-1 / 163
|
090-0198 |
|
|
? |
319 264 99
|
Bolt |
8 |
InternBDB: M10x90 /912 10.9 | InternKon: MO 3002-0-3-1 / 81
|
|
|
|
? |
999 525
|
Plug |
1 |
InternBDB: 131 012 | InternKon: MO 3002-0-3-1 / 47
|
|
|
|
? |
500 582 98
|
O-ring |
1 |
InternBDB: 38x3 | InternKon: MO 3002-0-3-1 / 90
|
|
|
|
? |
756 255 73
|
Plate assy.
(with o-ring and bolt) |
1 |
InternBDB: 319 320 Schraube: M12x25 /912 | InternKon: MO 3002-0-3-1 / 187
|
|