|
|
? |
|
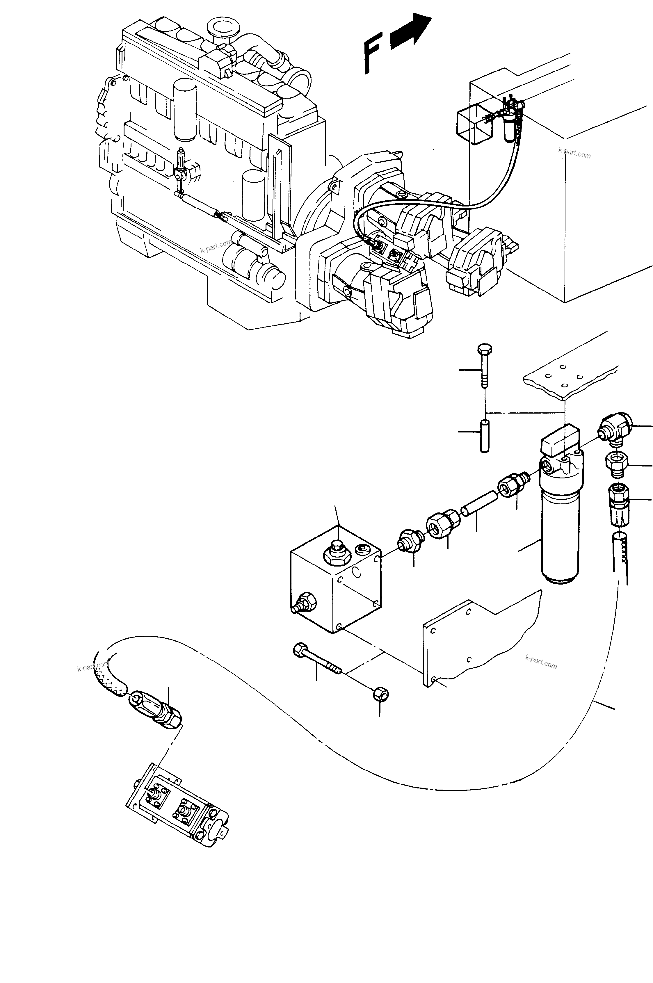
Load limitation valve |
1 |
InternBDB: 414 087 40 | InternKon: 420 170 40 / 15
|
090-0371 |
|
|
? |
|
H.P. filter - pilot oil |
1 |
InternBDB: 270 402 40 | InternKon: 420 170 40 / 20
|
090-5541 |
|
|
? |
256 783 40
|
Hose NW 12
Bulk ware, state length
required |
-2 |
InternBDB: Aeroquip 1503-10 | InternKon: 420 170 40 / 47
|
|
|
|
? |
372 463 99
|
Union |
1 |
InternBDB: DS 25 /2353 | InternKon: 420 170 40 / 75
|
|
|
|
? |
372 981 99
|
Union |
1 |
InternBDB: KOR 25/20-S | InternKon: 420 170 40 / 76
|
|
|
|
? |
372 462 99
|
Union |
1 |
InternBDB: DS 20 /2353 | InternKon: 420 170 40 / 77
|
|
|
|
? |
427 081 40
|
Pipe assy. Ш 20x50 lg. |
1 |
InternBDB: 20x2 /2391 | InternKon: 420 170 40 / 104
|
|
|
|
? |
007 171 98
|
Union |
1 |
InternBDB: Voss 20-SR | InternKon: 420 170 40 / 106
|
|
|
|
? |
159 959 40
|
Union |
1 |
InternBDB: KOR 20-S/15-L | InternKon: 420 170 40 / 107
|
|
|
|
? |
255 924 40
|
Hose fittings |
2 |
InternBDB: Aeroquip 07.002-13-10
|
|
|
|
? |
308 542 99
|
Bolt |
4 |
InternBDB: M6x70 /931
|
|
|
|
? |
502 501 98
|
Bolt |
4 |
InternBDB: M6x100 /931
|
|
|
|
? |
332 110 99
|
Nut |
4 |
InternBDB: M 6 /934
|
|
|
|
? |
420 171 40
|
Pipe Ш 12x55 |
4 |
InternBDB: 12x2 /2391
|
|