|
|
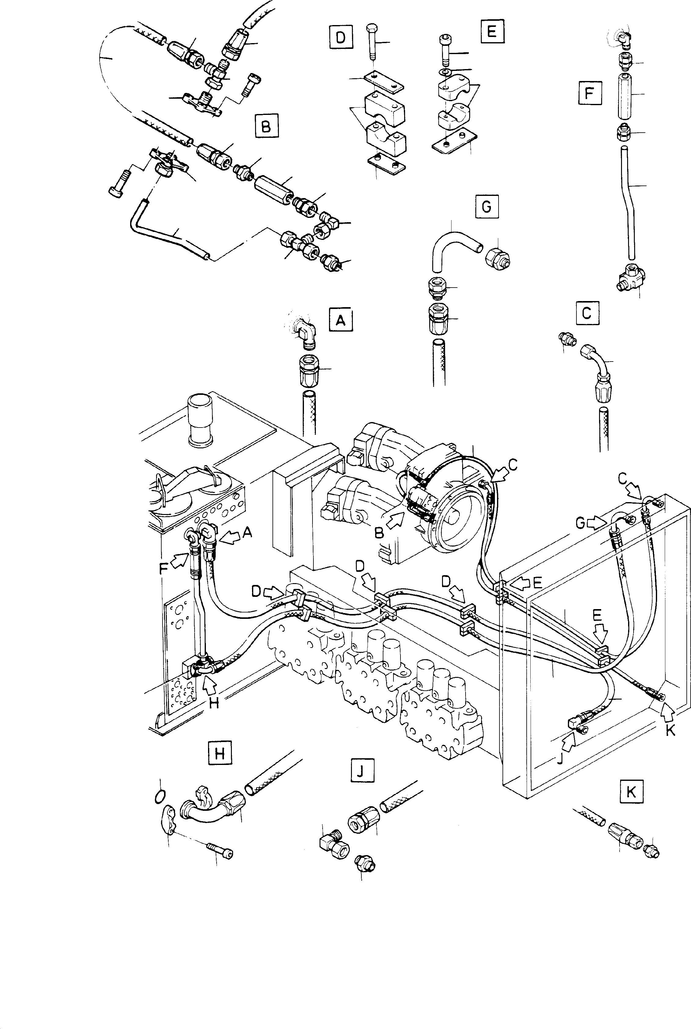
01 |
255 842 40
|
Hose NW 32x4400
Bulk ware, state length
required |
1 |
InternBDB: 1503-24 | InternKon: 420 170 40 / 33
|
|
|
|
02 |
255 842 40
|
Hose NW 32x4200
Bulk ware, state length
required |
1 |
InternBDB: 1503-24 | InternKon: 420 170 40 / 33
|
|
|
|
03 |
256 783 40
|
Hose NW 12x2120
Bulk ware, state length
required |
1 |
InternBDB: Aeroquip 1503-10 | InternKon: 420 170 40 / 34
|
|
|
|
04 |
256 783 40
|
Hose NW 12x3660
Bulk ware, state length
required |
1 |
InternBDB: Aeroquip 1503-10 | InternKon: 420 170 40 / 35
|
|
|
|
06 |
270 599 40
|
Non-return valve |
1 |
InternBDB: Rexroth S20A 5.0 | InternKon: 420 170 40 / 19
|
|
|
|
07 |
427 084 40
|
Pipe Ш 25x450 lg. |
1 |
InternBDB: 25x4 /2391 | InternKon: 420 170 40 / 27
|
|
|
|
08 |
427 085 40
|
Pipe Ш 38 |
1 |
InternBDB: 38x5 /2391 | InternKon: 420 170 40 / 26
|
|
|
|
09 |
372 463 99
|
Union |
2 |
InternBDB: DS 25 /2353 | InternKon: 420 170 40 / 55
|
|
|
|
10 |
372 441 99
|
Union |
2 |
InternBDB: CS 38 /2353 | InternKon: 420 170 40 / 56
|
|
|
|
11 |
266 656 40
|
Socket |
4 |
InternBDB: G 1212-24 | InternKon: 420 170 40 / 40
|
|
|
|
12 |
269 969 40
|
Nipple |
3 |
InternBDB: 11.155-38-24 | InternKon: 420 170 40 / 39
|
|
|
|
13 |
266 657 40
|
Nipple |
1 |
InternBDB: G 4679-24 | InternKon: 420 170 40 / 37
|
|
|
|
14 |
255 008 40
|
Socket |
6 |
InternBDB: G 1210-10 | InternKon: 420 170 40 / 43
|
|
|
|
15 |
145 735 40
|
Flange joint |
2 |
InternBDB: Bosch 1 515 702 066
|
|
|
|
16 |
006 915 98
|
Union |
1 |
InternBDB: 25-SR | InternKon: 420 170 40 / 54
|
|
|
|
17 |
324 499 40
|
Nipple |
2 |
InternBDB: 11.031-13-10 | InternKon: 420 170 40 / 41
|
|
|
|
18 |
385 245 40
|
Nipple |
4 |
InternBDB: 11.002-13-10 | InternKon: 420 170 40 / 42
|
|
|
|
19 |
372 417 99
|
Union |
1 |
InternBDB: ES 38 /2353 | InternKon: 420 170 40 / 57
|
|
|
|
20 |
425 151 40
|
Face |
1 |
InternKon: 420 170 40 / 22
|
|
|
|
21 |
427 117 40
|
Nozzle 16 mm |
1 |
InternKon: 420 170 40 / 23
|
|
|
|
22 |
006 634 98
|
Half flange |
2 |
InternBDB: 40 /210 | InternKon: 420 170 40 / 50
|
|
|
|
23 |
006 729 98
|
O-ring |
1 |
InternBDB: 47,22x3,53 | InternKon: 420 170 40 / 51
|
|
|
|
24 |
319 157 99
|
Bolt |
4 |
InternBDB: M12x35 /912 | InternKon: 420 170 40 / 52
|
|
|
|
25 |
502 640 98
|
Clamp |
12 |
InternBDB: H-CS 6/45 | InternKon: 420 170 40 / 114
|
|
|
|
26 |
500 942 98
|
Clamp |
8 |
InternBDB: C 3/22 | InternKon: 420 170 40 / 110
|
|
|
|
27 |
534 009 99
|
Plate |
6 |
InternBDB: ES 6 | InternKon: 420 170 40 / 115
|
|
|
|
28 |
533 992 99
|
Plate |
4 |
InternBDB: E 3 | InternKon: 420 170 40 / 111
|
|
|
|
29 |
534 008 99
|
Plate |
6 |
InternBDB: DS 6 | InternKon: 420 170 40 / 118
|
|
|
|
30 |
308 612 99
|
Bolt |
12 |
InternBDB: M12x100 /931 | InternKon: 420 170 40 / 119
|
|
|
|
31 |
319 133 99
|
Bolt |
8 |
InternBDB: M6x30 /912 | InternKon: 420 170 40 / 112
|
|
|
|
32 |
340 405 99
|
Washer |
8 |
InternBDB: 6,4 /433 | InternKon: 420 170 40 / 113
|
|
|
|
33 |
372 188 99
|
Union |
1 |
InternBDB: DDS 38 /2353
|
|
|
|
34 |
372 437 99
|
Union |
2 |
InternBDB: CS 16 /2353
|
|
|
|
35 |
256 783 40
|
Hose NW 12x600
Bulk ware, state length
required |
-2 |
InternBDB: Aeroquip 1503-10
|
|
|
|
36 |
371 954 99
|
Union |
2 |
InternBDB: FFL 15 /2353
|
|
|
|
37 |
372 173 99
|
Union |
1 |
InternBDB: DDL 15 /2353
|
|
|
|
38 |
370 314 99
|
Union |
2 |
InternBDB: DL 15 /2353
|
|
|
|
39 |
270 032 40
|
Non-return valve |
1 |
InternBDB: Rexroth S 10 A 5
|
|
|
|
40 |
215 811 99
|
Pipe Ш 15
Bulk ware, state length
required |
-2 |
InternBDB: 15x1,5 /2391
|
|
|
|
41 |
373 700 99
|
Union |
1 |
InternBDB: GR 22/15-L
|
|