|
|
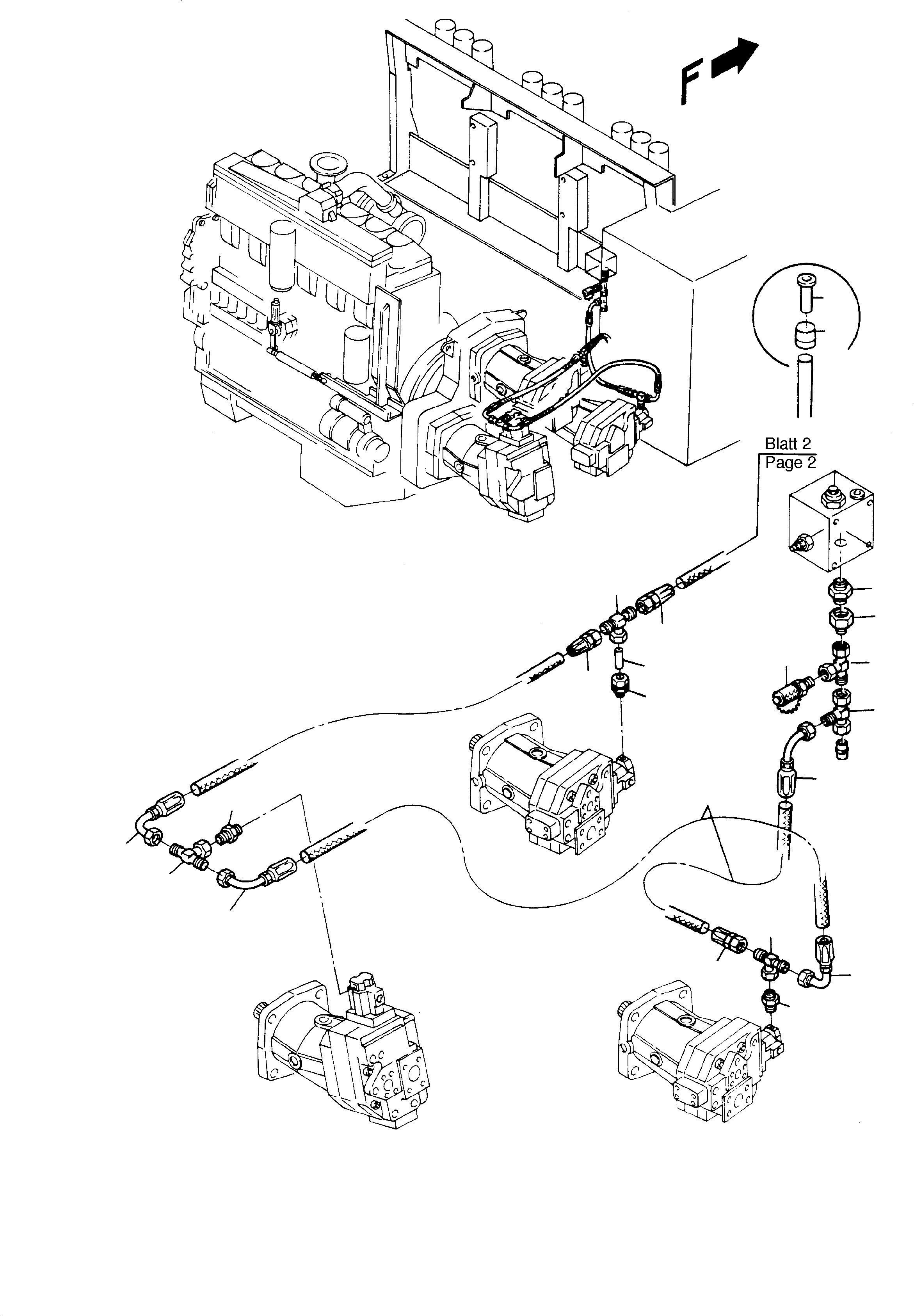
01 |
372 895 99
|
Union |
1 |
InternBDB: KOR12/10-L | InternKon: 427 120 40 / 108
|
|
|
|
02 |
372 424 99
|
Union |
1 |
InternBDB: CL10/2353 | InternKon: 427 120 40 / 67
|
|
|
|
03 |
226 351 40
|
Union |
1 |
InternBDB: TL /CL 12 | InternKon: 427 120 40 / 135
|
|
|
|
04 |
371 952 99
|
Union |
1 |
InternBDB: FFL 10 /2353 | InternKon: 427 120 40 / 73
|
|
|
|
05 |
269 292 40
|
Hose fittings |
8 |
InternBDB: Aeroquip 07.002-8-6
|
|
|
|
06 |
256 584 40
|
Hose NW 8
Bulk ware, state length
required |
-2 |
InternBDB: Aeroquip 2651-06
|
|
|
|
09 |
159 966 40
|
Clamping ring |
-2 |
|
|
|
|
10 |
007 577 40
|
Sleeve |
-2 |
|
|
|
|
11 |
256 662 40
|
Shuttle valve |
1 |
InternBDB: WV 10-L
|
|
|
|
12 |
226 354 40
|
Nozzle 2 mm |
1 |
InternBDB: TL /9,6x4 | InternKon: 427 120 40 / 136
|
|
|
|
13 |
372 107 99
|
Union |
2 |
InternBDB: EEL10 /2353 | InternKon: 427 120 40 / 72
|
|
|
|
14 |
004 398 98
|
Socket |
1 |
InternBDB: A10-L | InternKon: 427 120 40 / 109
|
|
|
|
15 |
374 416 99
|
Socket |
1 |
InternBDB: L10G 1/4 / 3901
|
|
|
|
16 |
372 059 99
|
Union |
2 |
InternBDB: DSVT 10-LR
|
|
|
|
17 |
256 662 40
|
Shuttle valve |
2 |
InternBDB: WV-10-L | InternKon: 427 120 40 / 54
|
|
|
|
18 |
371 952 99
|
Union |
6 |
InternBDB: FFL 10 /2353 | InternKon: 427 120 40 / 52
|
|
|
|
19 |
269 292 40
|
Hose fittings |
1 |
InternBDB: Aeroquip 07.002-8-6
|
|
|
|
20 |
256 584 40
|
Hose NW 8
Bulk ware, state length
required |
-2 |
InternBDB: Aeroquip 2651-06
|
|
|
|
21 |
215 627 99
|
Pipe Ш 10
Bulk ware, state length
required |
-2 |
InternBDB: 10x2 /2391
|
|
|
|
22 |
502 167 98
|
Plastic pipe Ш 10
Bulk ware, state length
required |
-2 |
InternBDB: 10x2/73378
|
|
|
|
23 |
159 966 40
|
Clamping ring |
-2 |
|
|
|
|
24 |
007 577 98
|
Sleeve |
-2 |
|
|
|
|
30 |
269 294 40
|
Hose fittings |
4 |
InternBDB: 07.031-8-6
|
|