|
|
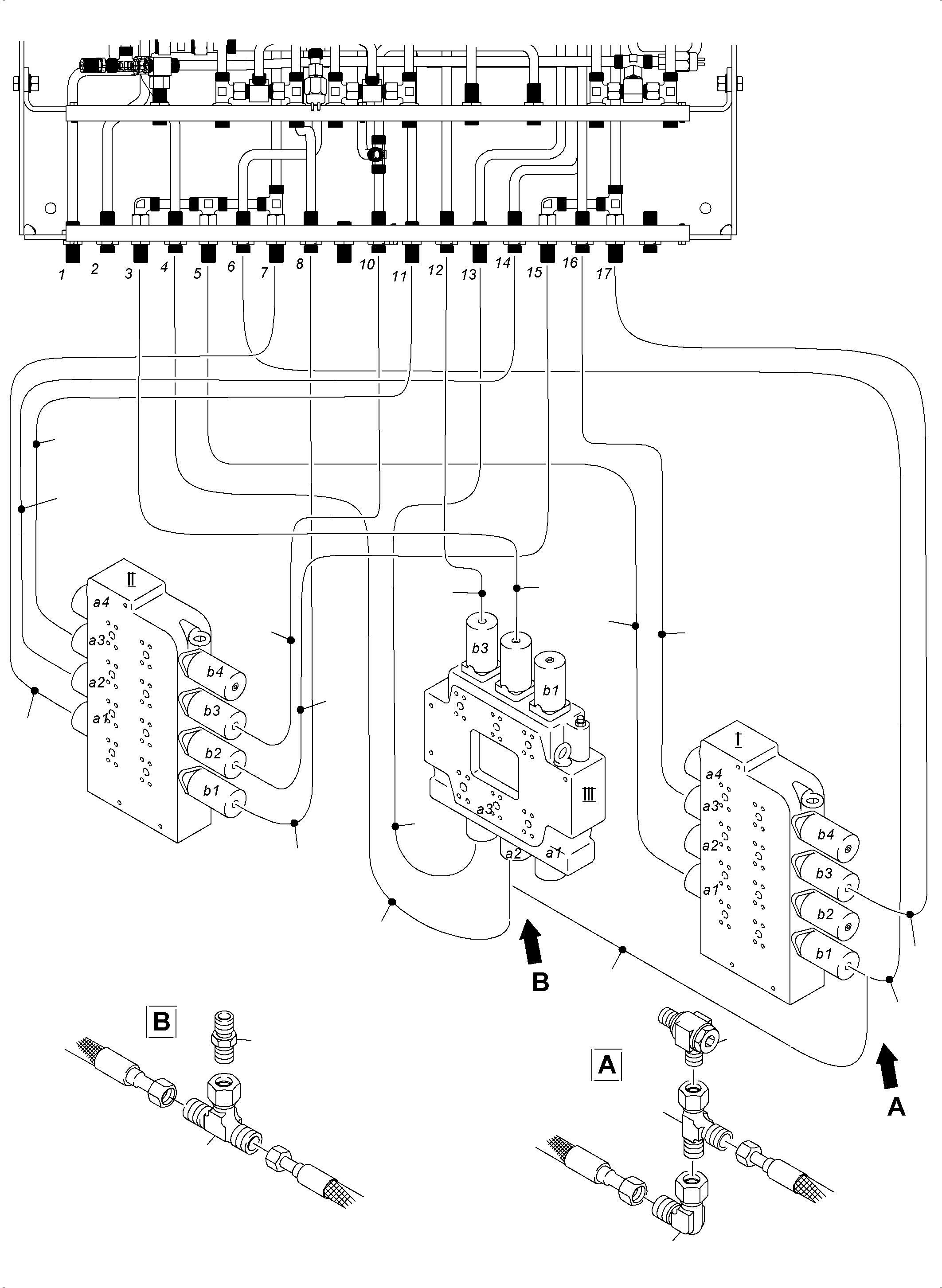
01 |
517 645 98
|
Hose assy. DN10x11400 |
1 |
InternBDB: 050 DOL12/DOL12 | InternKon: 925 175 40 / 1
|
|
|
|
02 |
517 761 98
|
Hose assy. DN16x11400 |
1 |
InternBDB: 120 DOL18/DOL18 | InternKon: 925 175 40 / 2
|
|
|
|
03 |
517 646 98
|
Hose assy. DN10x11400 |
1 |
InternBDB: 050 DOL12/DOL 90 | InternKon: 925 175 40 / 3
|
|
|
|
04 |
517 651 98
|
Hose assy. DN10x7700 |
2 |
InternBDB: 050 DOL12/DOL12
|
|
|
|
05 |
517 647 98
|
Hose assy. DN10x7200 |
3 |
InternBDB: 050 DOL12/DOL12
|
|
|
|
06 |
517 648 98
|
Hose assy. DN10x7000 |
9 |
InternBDB: 050 DOL12/DOL12
|
|
|
|
08 |
516 507 98
|
Hose assy. DN10x6700 |
1 |
InternBDB: 050 DOL12/DOL12 | InternKon: 925 175 40 / 8
|
|
|
|
16 |
517 647 98
|
Hose assy. DN10x7200 |
1 |
InternBDB: 050 DOL12/DOL12 | InternKon: 925 175 40 / 16
|
|
|
|
19 |
515 526 98
|
Hose assy. DN10x7500 |
2 |
InternBDB: 050 DOL12/DOL12 | InternKon: 925 175 40 / 19
|
|
|
|
20 |
515 525 98
|
Hose assy. DN10x8000 |
4 |
InternBDB: 050 DOL12/DOL12 | InternKon: 925 175 40 / 20
|
|
|
|
23 |
510 926 98
|
Hose assy. DN10x1200 |
1 |
InternBDB: 240 DOL12/DOL12 | InternKon: NUR TL / 23
|
|
|
|
24 |
516 167 98
|
Socket |
1 |
InternBDB: L12 / DIN 3934 | InternKon: NUR TL / 60
|
|
|
|
25 |
516 157 98
|
Socket |
1 |
InternBDB: L12 / DIN 3932 | InternKon: NUR TL / 67
|
|
|
|
26 |
940 066 40
|
Orifice |
4 |
InternBDB: D=1,0 | InternKon: 925 175 40 / 26
|
|
|
|
27 |
371 459 99
|
Union |
3 |
InternBDB: SDS-L12XG 3/8A | InternKon: 925 175 40 / 27
|
|
|
|
28 |
517 117 98
|
Union |
15 |
InternBDB: 12 LR /OMD | InternKon: 925 175 40 / 28
|
|
|
|
29 |
516 157 98
|
Socket |
4 |
InternBDB: L 12 /3943 | InternKon: 925 175 40 / 29
|
|
|
|
30 |
516 186 98
|
Union |
1 |
InternBDB: SW SDS-L 15 XM 18x1,5 ISO 08434 | InternKon: 925 175 40 / 30
|
|
|
|
34 |
604 499 40
|
Union |
1 |
InternBDB: GR 18/15-L/OMD | InternKon: 925 175 40 / 34
|
|
|
|
35 |
516 159 98
|
Union |
1 |
InternBDB: SWE-L 18 | InternKon: 925 175 40 / 35
|
|
|
|
36 |
515 865 98
|
Socket |
1 |
InternBDB: GZR 18/12-PL | InternKon: 925 175 40 / 36
|
|
|
|
37 |
516 174 98
|
Socket |
1 |
InternBDB: L 12 /3944 | InternKon: 925 175 40 / 37
|
|
|
|
38 |
502 752 98
|
Coupling |
22 |
InternBDB: 12-L | InternKon: 925 175 40 / 38
|
|
|
|
62 |
308 583 99
|
Bolt |
1 |
InternBDB: M10x80 / DIN 931 8.8 | InternKon: 925 175 40 / 62
|
|
|
|
63 |
340 467 99
|
Washer |
1 |
InternBDB: B 13 / DIN125 | InternKon: NUR TL / 63
|
|
|
|
64 |
443451610
|
Clip |
1 |
InternBDB: KES 04434 | InternKon: NUR TL / 61
|
|
|
|
65 |
307 779 99
|
Bolt |
5 |
InternBDB: M10x30 / DIN 933 8.8 | InternKon: 925 175 40 / 65
|
|
|
|
66 |
507 037 98
|
Nut |
15 |
InternBDB: M 10 /985 8 | InternKon: 925 175 40 / 66
|
|
|
|
68 |
340 465 99
|
Washer |
16 |
InternBDB: B 10,5 /125 | InternKon: 925 175 40 / 68
|
|
|
|
69 |
510 741 98
|
Resilient sleeve |
3 |
InternBDB: 13/25x50 | InternKon: 925 175 40 / 69
|
|
|
|
70 |
510 745 98
|
Resilient sleeve |
1 |
InternBDB: 13/25x40 | InternKon: 925 175 40 / 70
|
|
|
|
76 |
443451510
|
Clip |
25 |
InternBDB: 77 KES 04434 | InternKon: 925 175 40 / 76
|
|
|
|
77 |
443452310
|
Clip |
7 |
InternBDB: 77 KES 04434 | InternKon: 925 175 40 / 77
|
|
|
|
78 |
443551510
|
Clip |
2 |
InternBDB: KES 04435 | InternKon: 925 175 40 / 78
|
|