|
|
01 |
797 353 73
|
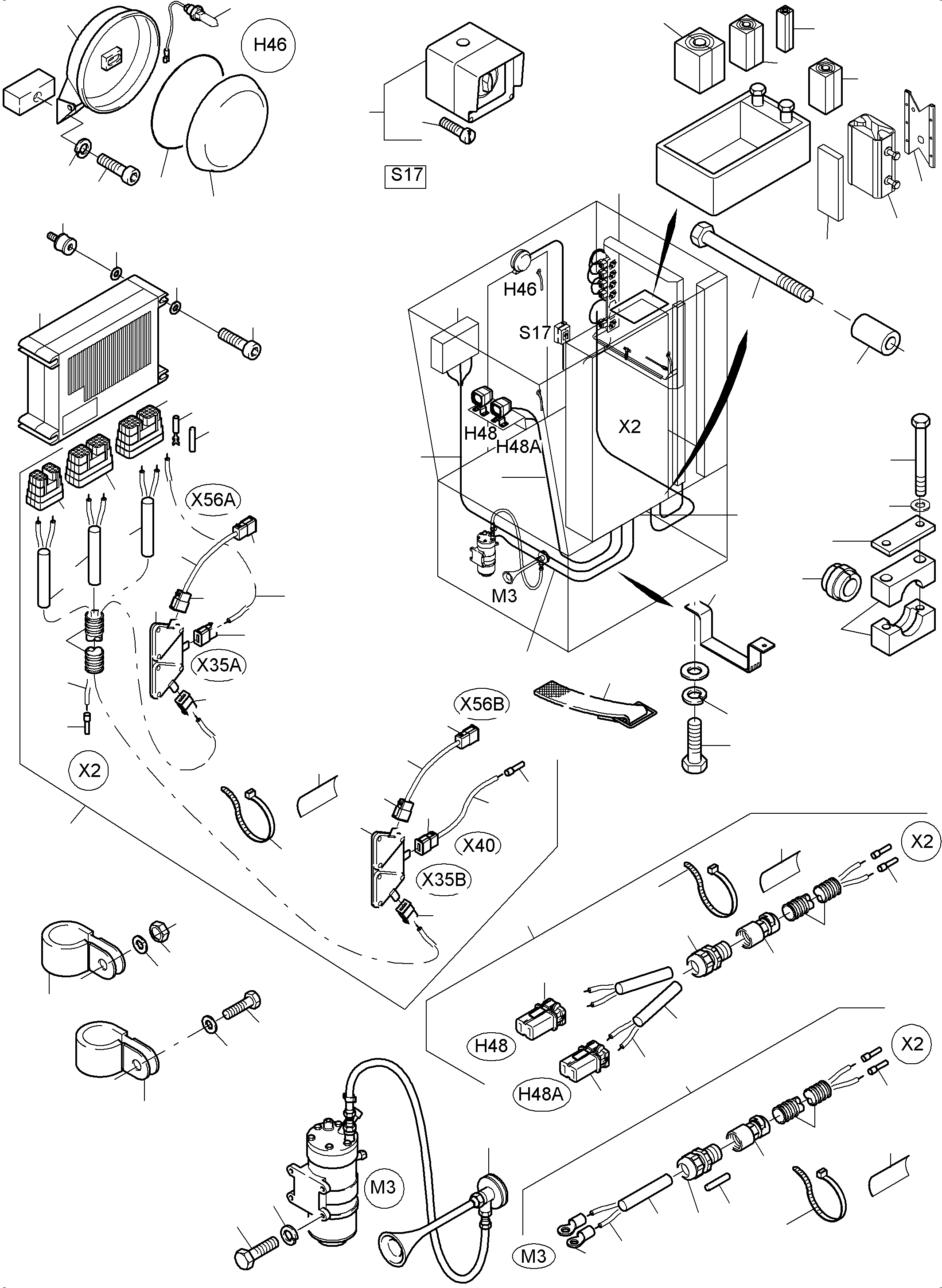
Controller |
1 |
InternBDB: CR700 007835231001 952 376 40 | InternKon: 947 327 40 / 1
|
|
|
|
02 |
655 642 40
|
Circular bearing |
4 |
InternBDB: 5218 132 B10 11MN60 | InternKon: 947 327 40 / 2
|
|
|
|
03 |
308 544 99
|
Bolt |
4 |
InternBDB: M 6X 80 8.8 DIN 00931 | InternKon: 947 327 40 / 3
|
|
|
|
04 |
517 120 98
|
Lock washer |
8 |
InternBDB: 6 STZN WN 65593840 | InternKon: 947 327 40 / 4
|
|
|
|
05 |
350 762 99
|
Washer |
4 |
InternBDB: R 6,6 ST DIN 00440 | InternKon: 947 327 40 / 5
|
|
|
|
06 |
|
Compressor-single ton-horn |
1 |
InternBDB: 2090 GM GESTIMMT A 24V 256 886 40 | InternKon: 947 327 40 / 6
|
113-2150 |
|
|
07 |
307 730 99
|
Bolt |
4 |
InternBDB: M 6 X 20 8.8 DIN 00933 | InternKon: 947 327 40 / 7
|
|
|
|
08 |
948 807 40
|
Harness-Lighting |
1 |
InternKon: 947 327 40 / 14
|
|
|
|
09 |
948 818 40
|
Harness-Controller |
1 |
InternKon: 947 327 40 / 15
|
|
|
|
10 |
948 817 40
|
Harness-Compressor |
1 |
InternKon: 947 327 40 / 16
|
|
|
|
11 |
|
Clip |
4 |
InternBDB: 56A3511190 CR-10 D=54 KLTD | InternKon: 947 327 40 / 17
|
|
|
|
12 |
0443451510
|
Clip NW 15 |
12 |
InternBDB: 77 KES 04434 | InternKon: 947 327 40 / 18
|
|
|
|
13 |
0443452711
|
Clip NW 27 |
1 |
InternBDB: 77 KES 04434 | InternKon: 947 327 40 / 19
|
|
|
|
14 |
|
Switch box |
1 |
InternBDB: 947 342 40 | InternKon: 947 327 40 / 20
|
255-2165c |
|
|
15 |
504 011 98
|
Bolt |
4 |
InternBDB: M12 X 80 8.8 A2E DIN 00933 | InternKon: 947 327 40 / 21
|
|
|
|
16 |
510 745 98
|
Resilient sleeve |
4 |
InternBDB: 13 /25X 40 42CRMO4-TQ+T WN 34194840 | InternKon: 947 327 40 / 23
|
|
|
|
17 |
340 627 99
|
Washer |
60 |
InternBDB: 6 ST DIN 01440 | InternKon: 947 327 40 / 24
|
|
|
|
18 |
307 729 99
|
Bolt |
30 |
InternBDB: M 6 X 18 8.8 DIN 00933 | InternKon: 947 327 40 / 25
|
|
|
|
19 |
086 690 40
|
Sealing |
-2 |
InternBDB: 20x3 Prestik AE | InternKon: 947 327 40 / 26
|
|
|
|
20 |
509 064 98
|
Clamp set |
3 |
InternBDB: S-5-E PA DIN 03015 | InternKon: 947 327 40 / 27
|
|
|
|
21 |
516 024 98
|
Grommet |
3 |
InternBDB: S-5-70 GUMMI DIN 03015 | InternKon: 947 327 40 / 28
|
|
|
|
22 |
500 398 98
|
Cover plate |
3 |
InternBDB: S-DP-A-5 W1 DIN 03015 | InternKon: 947 327 40 / 29
|
|
|
|
23 |
343 008 99
|
Washer |
6 |
InternBDB: 17 ST1203 DIN 00093 | InternKon: 947 327 40 / 30
|
|
|
|
24 |
302 178 99
|
Bolt |
6 |
InternBDB: M16X130 4.6 DIN 00601 | InternKon: 947 327 40 / 31
|
|
|
|
25 |
931 321 40
|
Retainer |
2 |
InternKon: 947 327 40 / 32
|
|
|
|
26 |
655 530 40
|
Strab |
2 |
InternKon: 947 327 40 / 33
|
|
|
|
27 |
307 775 99
|
Bolt |
16 |
InternBDB: M10 X 20 8.8 DIN 00933 | InternKon: 947 327 40 / 34
|
|
|
|
28 |
517 122 98
|
Lock washer |
56 |
InternBDB: 10 STZN WN 65593840 12x947 347 40 / 04 | InternKon: 947 327 40 / 35
|
|
|
|
29 |
507 037 98
|
Nut |
40 |
InternBDB: M10 8 DIN 00985 12x947 347 40 / 05 | InternKon: 947 327 40 / 36
|
|
|
|
30 |
319 140 99
|
Bolt |
1 |
InternBDB: M 8 X 20 8.8 DIN 00912 | InternKon: 947 327 40 / 39
|
|
|
|
31 |
346 510 99
|
Lock washer |
1 |
InternBDB: A 8 FST DIN 00128 | InternKon: 947 327 40 / 40
|
|
|
|
32 |
0819320010
|
Clip |
7 |
InternBDB: KES 08193 | InternKon: 947 327 40 / 45
|
|
|
|
33 |
0443451910
|
Clip NW 19 |
17 |
InternBDB: 77 KES 04434 | InternKon: 947 327 40 / 46
|
|
|
|
34 |
510 741 98
|
Resilient sleeve |
9 |
InternBDB: 13 /25X 50 42CRMO4-TQ+T WN 34194840 | InternKon: 947 327 40 / 47
|
|
|
|
35 |
|
Harness - control frame |
1 |
InternBDB: 939 084 40 | InternKon: 947 327 40 / 48
|
485-2186e |
|
|
36 |
0443451210
|
Clip NW 12 |
14 |
InternBDB: 77 KES 04434 12x 947 347 40 / 03 | InternKon: 947 327 40 / 49
|
|
|
|
40 |
795 132 73
|
Plug assy. |
2 |
InternBDB: 0819212920 | InternKon: 948 807 40 / 1
|
|
|
|
41 |
907 692 40
|
Fitting DN16/DN12 |
2 |
InternBDB: PMA M16/NW12 BVIR-M162 | InternKon: 948 807 40 / 2
|
|
|
|
42 |
907 703 40
|
Cable union |
1 |
InternBDB: MEHRFACH 21650YNPM4X3 | InternKon: 948 807 40 / 3
|
|
|
|
43 |
256 514 40
|
Plate |
18 |
InternBDB: 15X30X1,5 ALU 10x 947 347 40 / 07 | InternKon: 948 807 40 / 4
|
|
|
|
44 |
056 292 40
|
Cable strap |
18 |
InternBDB: TY 23 M 10x 947 347 40 / 08 | InternKon: 948 807 40 / 5
|
|
|
|
45 |
940 461 40
|
Insulating tube B5x0,6 |
-2 |
InternBDB: B 5 X0,6 PUR 70 SHORE | InternKon: 948 807 40 / 6
|
|
|
|
46 |
655 650 40
|
Cable protection hose DN 12 |
-2 |
InternBDB: PMA NW 12 VCST-12B 947 347 40 / 01 | InternKon: 948 807 40 / 7
|
|
|
|
47 |
056 070 40
|
Cable sleeve 1,0-1,5 |
64 |
InternBDB: 1,0-1,5 | InternKon: 948 807 40 / 8
|
|
|
|
48 |
515 213 40
|
Cable 1,0 |
-2 |
InternBDB: KIW Pur-Litze 1,0MM2 BLAU | InternKon: 948 807 40 / 9
|
|
|
|
49 |
907 864 40
|
Plug assy. |
1 |
InternBDB: DRC26-24SA | InternKon: 948 818 40 / 1
|
|
|
|
50 |
907 865 40
|
Plug assy. |
1 |
InternBDB: DRC26-40SA | InternKon: 948 818 40 / 2
|
|
|
|
51 |
907 866 40
|
Plug assy. |
1 |
InternBDB: DRC26-40SB | InternKon: 948 818 40 / 3
|
|
|
|
52 |
932 517 40
|
Contacte |
59 |
InternBDB: ART-NR 1062-20-0144-* KES 08191 000819107610 | InternKon: 948 818 40 / 4
|
|
|
|
53 |
635 896 40
|
Tube protection |
2 |
InternBDB: 12X9X1,5 100 121 005 | InternKon: 948 818 40 / 7
|
|
|
|
54 |
056 071 40
|
Cable sleeve 2,5 |
13 |
InternBDB: 2,5 4KT 20312723 | InternKon: 948 818 40 / 9
|
|
|
|
55 |
932 561 40
|
Contacte |
50 |
InternBDB: 0413-204-2005 | InternKon: 948 818 40 / 10
|
|
|
|
56 |
655 653 40
|
Cable protection hose DN 48 |
-2 |
InternBDB: PMA NW 48 VCSG-48B | InternKon: 948 818 40 / 11
|
|
|
|
57 |
906 647 40
|
T-Splitter |
2 |
InternBDB: DT-3P-P007 | InternKon: 948 818 40 / 12
|
|
|
|
58 |
913 246 40
|
Bushing assy. |
6 |
InternKon: 948 818 40 / 13
|
|
|
|
59 |
906 577 40
|
Cable |
-2 |
InternBDB: UIC H+S 552 039.12 | InternKon: 948 818 40 / 14
|
|
|
|
60 |
7821915010
|
Contacte |
3 |
InternBDB: 173681-1 | InternKon: 948 818 40 / 15
|
|
|
|
61 |
906 605 40
|
Plug |
2 |
InternBDB: DT04-3P-P006 | InternKon: 948 818 40 / 16
|
|
|
|
62 |
940 169 40
|
Cable 4x1 |
-2 |
InternBDB: 600C 4X 1,0MM2 CE | InternKon: 948 818 40 / 17
|
|
|
|
63 |
907 877 40
|
Cable 2x0,75 |
-2 |
InternBDB: 2X0,75MM2 GRAU 21151 | InternKon: 948 818 40 / 18
|
|
|
|
64 |
500 090 98
|
Wire end ferrule 0,75-6 |
14 |
InternBDB: A 0,75- 6 CU DIN 46228 | InternKon: 948 818 40 / 21
|
|
|
|
65 |
940 910 40
|
Warmth shrink hose |
-2 |
InternBDB: H3/32 V 2,4 N 1,2 W 0,5 BESTELLNR 91 F 164 10 M | InternKon: 948 818 40 / 22
|
|
|
|
66 |
940 913 40
|
Warmth shrink hose |
-2 |
InternBDB: H1/ 4 V 6,4 N 3,2 W 0,6 BESTELLNR 91 F 170 6 M | InternKon: 948 818 40 / 23
|
|
|
|
67 |
907 704 40
|
Cable union |
1 |
InternBDB: MEHRFACH 21650YNPM3X3,5 | InternKon: 948 817 40 / 2
|
|
|
|
68 |
515 214 40
|
Cable 2,5 |
-2 |
InternBDB: 2,5MM2 BLAU | InternKon: 948 817 40 / 4
|
|
|
|
69 |
896 521 40
|
End pin |
1 |
InternBDB: BO 4,0X25 | InternKon: 948 817 40 / 5
|
|
|
|
70 |
940 463 40
|
Insulating tube |
-2 |
InternBDB: B 7 X0,7 PUR 70 SHORE | InternKon: 948 817 40 / 8
|
|
|
|
71 |
055 108 40
|
Cable lug |
1 |
InternBDB: BLAU 2.5F M5 33307 | InternKon: 948 817 40 / 9
|
|
|
|
72 |
932 530 40
|
Cable shoe |
1 |
InternBDB: BLAU 33408 000.000 * DIN 46237 | InternKon: 948 817 40 / 11
|
|
|
|
73 |
940 460 40
|
Insulating tube B4x0,5 |
-2 |
InternBDB: B 4 X0,5 PUR 70 SHORE | InternKon: 948 817 40 / 12
|
|
|
|
74 |
795 134 73
|
Plug assy. |
2 |
InternBDB: 000819213920 | InternKon: 948 818 40 / 19
|
|
|
|
75 |
948 822 40
|
Harness NS-X2 |
1 |
InternKon: 947 327 40 / 10
|
|
|
|
76 |
795 129 73
|
Plug assy. |
1 |
InternBDB: HD36-24-31PE-059 KES 08191 00081919120691206 | InternKon: 948 822 40 / 1
|
|
|
|
77 |
795 157 73
|
Pin |
31 |
InternBDB: PIN 0460-202-16141 KES 08191 000819105320 | InternKon: 948 822 40 / 2
|
|
|
|
78 |
907 980 40
|
Fitting DN 23 |
2 |
InternBDB: PMA NW 23 BVIVG-U353 | InternKon: 948 822 40 / 3
|
|
|
|
79 |
940 629 40
|
Warmth shrink hose |
-2 |
InternBDB: BÑŒrklin 05060 91F2570 | InternKon: 948 822 40 / 4
|
|
|
|
80 |
655 652 40
|
Cable protection hose DN 23 |
-2 |
InternBDB: PMA NW 23 VCSG-23B | InternKon: 948 822 40 / 5
|
|
|
|
81 |
926 550 40
|
Spotlight assy. |
1 |
InternKon: 939 084 40 / 31
|
|
|
|
82 |
634 009 40
|
Spotlight |
1 |
InternBDB: AB-05-03 ABL | InternKon: 926 550 40 / 1
|
|
|
|
83 |
507 383 99
|
Halogen lamp |
1 |
InternBDB: H1 24V / 70W | InternKon: 926 550 40 / 2
|
|
|
|
84 |
769 155 73
|
Seal |
1 |
InternBDB: ABL 18-1 401
|
|
|
|
85 |
769 156 73
|
Glass white |
1 |
InternBDB: ABL 18-10201
|
|
|
|
88 |
940 726 40
|
Light switch |
1 |
InternBDB: Santon 51LC1K6 | InternKon: 944 781 40 / 1
|
|
|
|
89 |
321 010 99
|
Screw |
4 |
InternBDB: M5x25 / 84 | InternKon: 944 781 40 / 2
|
|
|
|
91 |
906 761 40
|
Rubber clamp |
12 |
InternBDB: Roxtec 30/0+12-22 0130
|
|
|
|
92 |
906 760 40
|
Rubber clamp |
3 |
InternBDB: Roxtec 40/0 +22 -32 0140
|
|
|
|
93 |
907 223 40
|
Rubber clamp |
3 |
InternBDB: Roxtec 15W 40 /3x0+3,5 -10,5 0615
|
|
|
|
94 |
907 104 40
|
Rubber clamp |
6 |
InternBDB: Roxtec 20/0 +4 -13,5 0120
|
|
|
|
95 |
907 105 40
|
Rail |
2 |
InternBDB: Roxtec 0503
|
|
|
|
96 |
906 762 40
|
Compensating disc |
1 |
InternBDB: Roxtec 10/0x12 0310
|
|
|
|
97 |
906 758 40
|
Seal |
1 |
InternBDB: Roxtec 0500
|
|
|
|
98 |
655 873 40
|
Cable 1,5 |
-2 |
InternBDB: 1,5MM2 BLAU 090150BL 947 347 40 / 05 | InternKon: 948 822 40 / 7
|
|
|
|
99 |
948 821 40
|
Harness NS-1X-X2 |
1 |
InternKon: 947 327 40 / 11
|
|
|
|
100 |
907 690 40
|
Cable union DN 23 |
1 |
InternBDB: PMA NW 23 GERADE BVNV-M253 | InternKon: 948 821 40 / 1
|
|
|
|
101 |
907 553 40
|
Cable 16,0 |
-2 |
InternBDB: 16,0MM2 BLAU | InternKon: 948 821 40 / 3
|
|
|
|
102 |
269 078 40
|
Wire end ferrule 16/28,7 |
8 |
InternBDB: H 16/28,7 5660.0 GRUEN | InternKon: 948 821 40 / 6
|
|
|
|
103 |
948 820 40
|
Harness 1X1-X100 |
1 |
InternKon: 947 327 40 / 12
|
|
|
|
104 |
795 145 73
|
Socket |
1 |
InternBDB: HD34-24-31SE-059 KES 08191 000819194106 | InternKon: 948 820 40 / 1
|
|
|
|
105 |
795 154 73
|
Cable bushing |
29 |
InternBDB: 0462-201-16141 KES 08191 000819105420 | InternKon: 948 820 40 / 2
|
|
|
|
106 |
795 122 73
|
Sealing plug |
2 |
InternBDB: NO 114017 KES 08191 000819100770 | InternKon: 948 820 40 / 11
|
|
|
|
110 |
940 892 40
|
Heater |
1 |
InternBDB: MIT GEBLAESE 2KW GH2 230V 2KW LM Therm | InternKon: 947 347 40 / 1
|
|
|
|
111 |
440 321 40
|
Ambient thermostat |
1 |
InternBDB: A19 BS2 A19 BRC-9250 | InternKon: 947 347 40 / 2
|
|
|
|
112 |
948 863 40
|
Harness - fire extinguishing substance |
1 |
InternKon: 947 347 40 / 6
|
|
|
|
113 |
906 420 40
|
T-Distributor DN 12 |
1 |
InternBDB: NW 12 BFTL-121212TTT | InternKon: 948 863 40 / 2
|
|
|
|
114 |
635 042 40
|
Wire end ferrule 1,5 |
10 |
InternBDB: D=1,5 203124-20 CE015 U | InternKon: 948 863 40 / 3
|
|
|
|
115 |
907 890 40
|
Cable 1,5sw |
-2 |
InternBDB: 1,5MM2 SCHWARZ 090150SW | InternKon: 948 863 40 / 4
|
|
|
|
116 |
655 079 40
|
Cable 1.5 gr/ge |
-2 |
InternBDB: 1,5MM2 GRUEN/GELB 090150GG | InternKon: 948 863 40 / 6
|
|