|
|
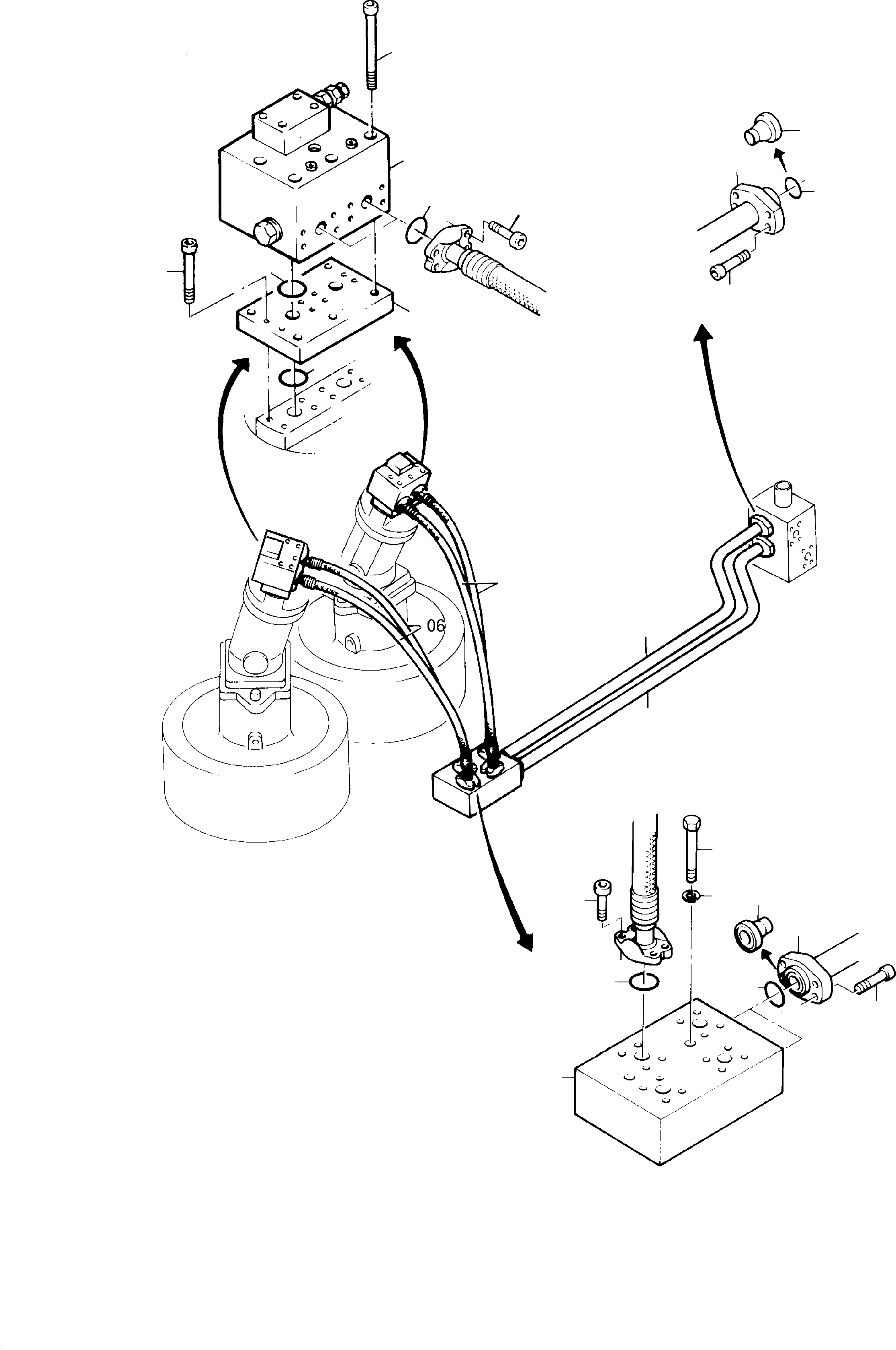
01 |
|
Brake valve, swing gear |
2 |
InternBDB: 461 792 40 551 495 40 | InternKon: 457 200 40 / 5
|
090-0501a |
|
|
02 |
320 253 99
|
Bolt |
10 |
InternBDB: M18x180 /912 10.9 | InternKon: 457 200 40 / 251
|
|
|
|
03 |
480 645 40
|
Intermediate plate |
2 |
InternKon: 457 200 40 / 246
|
|
|
|
04 |
319 484 99
|
Bolt |
16 |
InternBDB: M14x40 /912 10.9 | InternKon: 457 200 40 / 250
|
|
|
|
05 |
356 210 40
|
Tetra seal |
16 |
InternBDB: 1 1/4 | InternKon: 457 200 40 / 35
|
|
|
|
06 |
461 820 40
|
Hose assy. DN 32x1030 |
4 |
InternBDB: TL | InternKon: 457 200 40 / 111
|
|
|
|
07 |
319 209 99
|
Bolt |
32 |
InternBDB: M14x45 /912 10.9 | InternKon: 457 200 40 / 171
|
|
|
|
08 |
371 522 40
|
Manifold |
1 |
InternKon: 457 200 40 / 4
|
|
|
|
09 |
343 117 99
|
Lock washer |
2 |
InternBDB: 20 /127 | InternKon: 457 200 40 / 101
|
|
|
|
10 |
308 675 99
|
Bolt |
2 |
InternBDB: M20x150 /931 | InternKon: 457 200 40 / 95
|
|
|
|
11 |
694 628
|
Pipe assy. with flanges Ш 50 mit Flanschen |
1 |
InternBDB: 371 567 40 | InternKon: 457 200 40 / 118
|
|
|
|
12 |
694 629
|
Pipe assy. with flanges Ш 50 mit Flanschen |
1 |
InternBDB: 371 568 40 | InternKon: 457 200 40 / 119
|
|
|
|
13 |
356 209 40
|
Tetra seal |
4 |
InternBDB: 1 1/2 | InternKon: 457 200 40 / 36
|
|
|
|
14 |
319 289 99
|
Bolt |
16 |
InternBDB: M16x60 /912 10.9 | InternKon: 457 200 40 / 174
|
|
|
|
15 |
500 127 98
|
Flange |
4 |
InternBDB: FE-5000-24/6 | InternKon: 457 200 40 / 24
|
|
|
|
16 |
501 898 98
|
Collar ring |
4 |
InternBDB: K-5060-24 | InternKon: 457 200 40 / 31
|
|