|
|
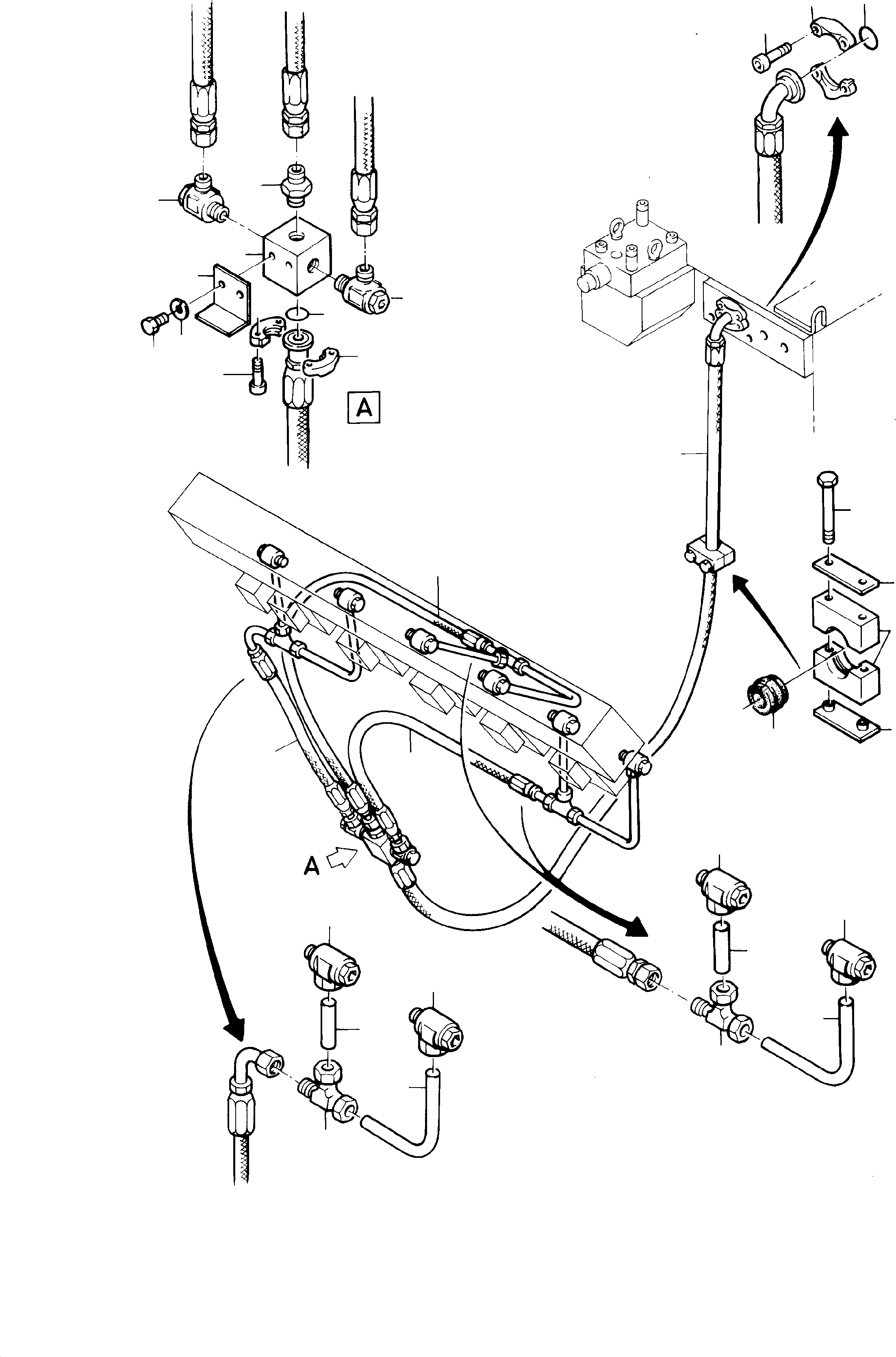
01 |
400 002 40
|
Block |
1 |
InternKon: 371 521 40 / 6
|
|
|
|
02 |
409 891 40
|
Retainer |
1 |
InternKon: 371 521 40 / 10
|
|
|
|
03 |
343 112 99
|
Lock washer |
2 |
InternBDB: 12 /128 | InternKon: 371 521 40 / 191
|
|
|
|
04 |
307 343 99
|
Bolt |
2 |
InternBDB: M12x20 /931 | InternKon: 371 521 40 / 189
|
|
|
|
05 |
419 059 40
|
Hose DN 40x3880 lg. |
1 |
InternBDB: TL | InternKon: 371 521 40 / 169
|
|
|
|
06 |
356 209 40
|
Tetra seal |
2 |
InternBDB: Bu. u. Lu. FR-76-5937-2200 | InternKon: 371 521 40 / 36
|
|
|
|
07 |
145 825 40
|
Half flange |
4 |
InternBDB: 40 /210 011 735 99 | InternKon: 371 521 40 / 27
|
|
|
|
08 |
319 156 99
|
Bolt |
8 |
InternBDB: M12x30 /912 | InternKon: 371 521 40 / 88
|
|
|
|
11 |
372 440 99
|
Union |
1 |
InternBDB: CS 30 /2353 | InternKon: 371 521 40 / 43
|
|
|
|
12 |
006 910 98
|
Union |
2 |
InternBDB: 30-SM 011 754 99 | InternKon: 371 521 40 / 69
|
|
|
|
15 |
409 895 40
|
Hose DN 25x865 lg. |
1 |
InternBDB: TL | InternKon: 371 521 40 / 165
|
|
|
|
16 |
409 896 40
|
Hose DN 25x1150 lg. |
1 |
InternBDB: TL | InternKon: 371 521 40 / 206
|
|
|
|
17 |
409 897 40
|
Hose DN 25x1550 lg. |
1 |
InternBDB: TL | InternKon: 371 521 40 / 207
|
|
|
|
18 |
534 009 99
|
Welding plate |
3 |
InternBDB: ES 6 011 839 99
|
|
|
|
19 |
502 620 98
|
Half clamp |
6 |
InternBDB: RI-CS 6
|
|
|
|
20 |
534 008 99
|
Cover plate |
3 |
InternBDB: DS 6
|
|
|
|
21 |
308 459 99
|
Bolt |
6 |
InternBDB: M12x100 /931 10.9
|
|
|
|
22 |
502 626 98
|
Grommet |
3 |
InternBDB: RI-Z6S /56,4
|
|
|
|
25 |
373 776 99
|
Union |
3 |
InternBDB: TR 30/25/25-S 010 877 99 | InternKon: 368 327 40 / 33
|
|
|
|
26 |
006 909 98
|
Union |
6 |
InternBDB: 25-SM 011 754 99 | InternKon: 368 327 40 / 30
|
|
|
|
27 |
215 787 99
|
Pipe Ш 25x160 lg.
Bulk ware, state length
required |
3 |
InternBDB: 25x3 /2391 | InternKon: 368 327 40 / 32
|
|
|
|
28 |
368 369 40
|
Pipe, assy. Ш 25 |
3 |
InternKon: 368 327 40 / 31
|
|