Search in all models by partnumber
Search current book

Komatsu H285 S/N 78099 parts catalog PDF

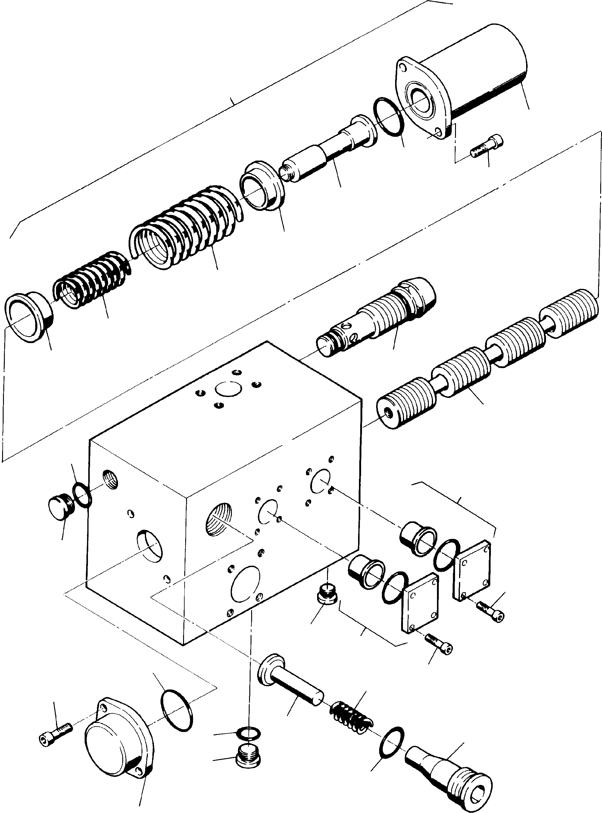
HYDR. CONTROL BLOCK (090-0494) in H285 S/N 78099. Diagram image and parts list.

Model manual types and quick links