|
|
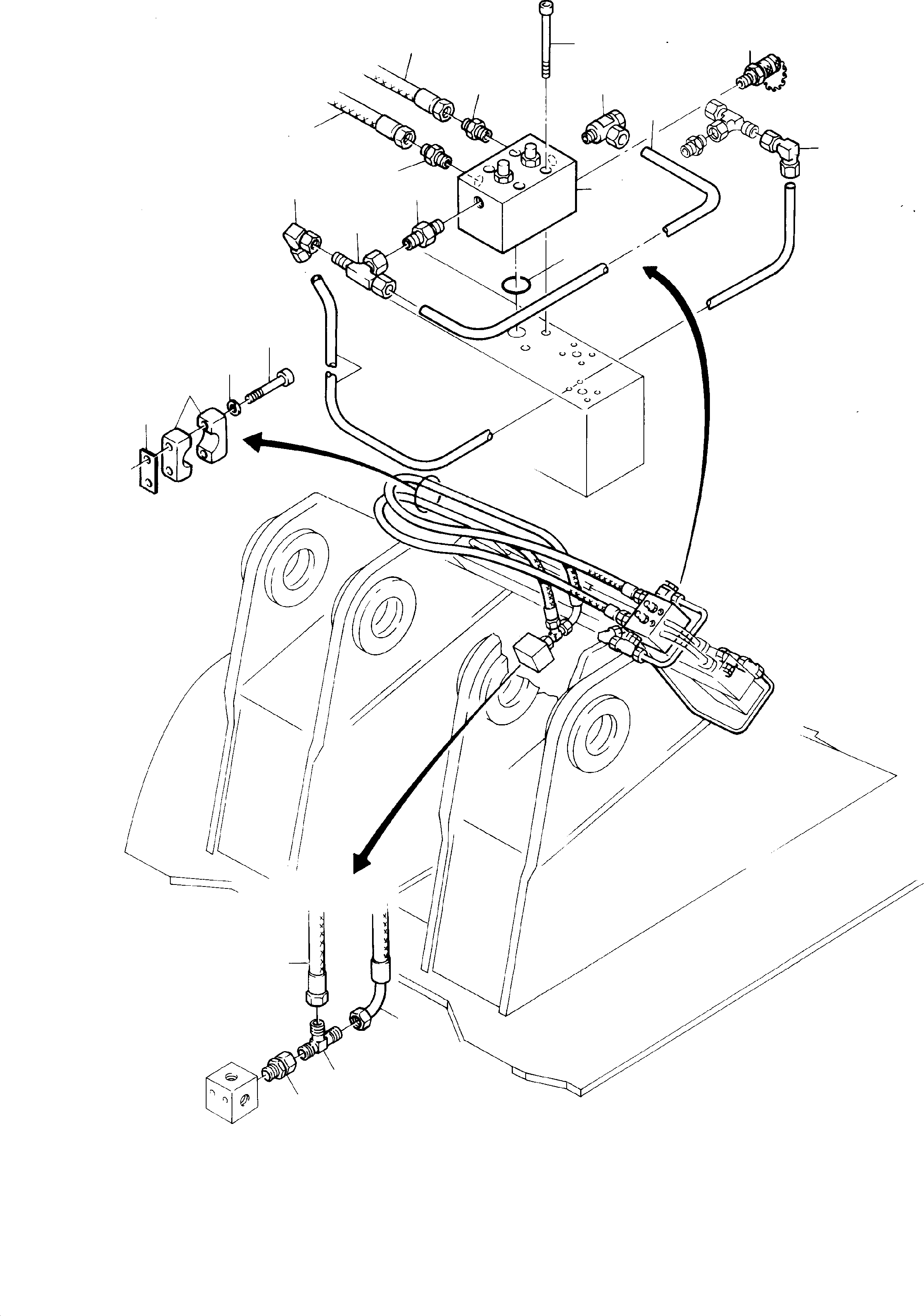
01 |
|
Secondary pressure relief valve |
1 |
InternBDB: 400 001 40 | InternKon: 368 392 40 / 19
|
114-1865 |
|
|
02 |
385 243 40
|
Tetra seal |
1 |
InternBDB: Bu. u. Lu. FR 76-6299 -2200 2" | InternKon: 368 392 40 / 2
|
|
|
|
03 |
319 478 99
|
Bolt |
4 |
InternBDB: M20x140 /912 | InternKon: 368 392 40 / 16
|
|
|
|
04 |
006 894 98
|
Union |
1 |
InternBDB: Voss 10-LR | InternKon: 368 392 40 / 18
|
|
|
|
05 |
215 627 99
|
Pipe Ш 10
Bulk ware, state length
required |
-2 |
InternBDB: 10x2 /2391 | InternKon: 368 392 40 / 17
|
|
|
|
06 |
372 107 99
|
Union |
1 |
InternBDB: EEL 10 /2353
|
|
|
|
07 |
374 416 99
|
Socket |
1 |
InternBDB: L 10 R /3901
|
|
|
|
08 |
372 171 99
|
Union |
2 |
InternBDB: DDL 10 /2353 | InternKon: 368 392 40 / 39
|
|
|
|
09 |
374 414 99
|
Socket |
2 |
InternBDB: S25M /3901
|
|
|
|
12 |
534 020 99
|
Welding plate |
2 |
InternBDB: E 5 011 839 99
|
|
|
|
13 |
502 143 98
|
Half clamp |
4 |
InternBDB: H-C 5/32
|
|
|
|
14 |
340 405 99
|
Washer |
4 |
InternBDB: 6,4 /433
|
|
|
|
15 |
319 136 99
|
Screw |
4 |
InternBDB: M6x50 /912
|
|
|
|
17 |
373 776 99
|
Union |
1 |
InternBDB: TR30/25/25-S 010 877 99 | InternKon: 368 392 40 / 34
|
|
|
|
18 |
504 897 98
|
Union |
1 |
InternBDB: EVGE 30-SM | InternKon: 368 392 40 / 33
|
|
|
|
21 |
255 375 40
|
Test-screw coupling |
1 |
InternBDB: Hydrotechnik 32.240-66 | InternKon: 368 392 40 / 36
|
|
|
|
22 |
414 780 40
|
Hose assy. DN 20x2600 lg. |
1 |
InternBDB: TL | InternKon: 368 392 40 / 30
|
|
|
|
23 |
414 781 40
|
Hose assy. DN 20x2700 lg. |
1 |
InternBDB: TL | InternKon: 368 392 40 / 29
|
|