|
|
? |
414 898 40
|
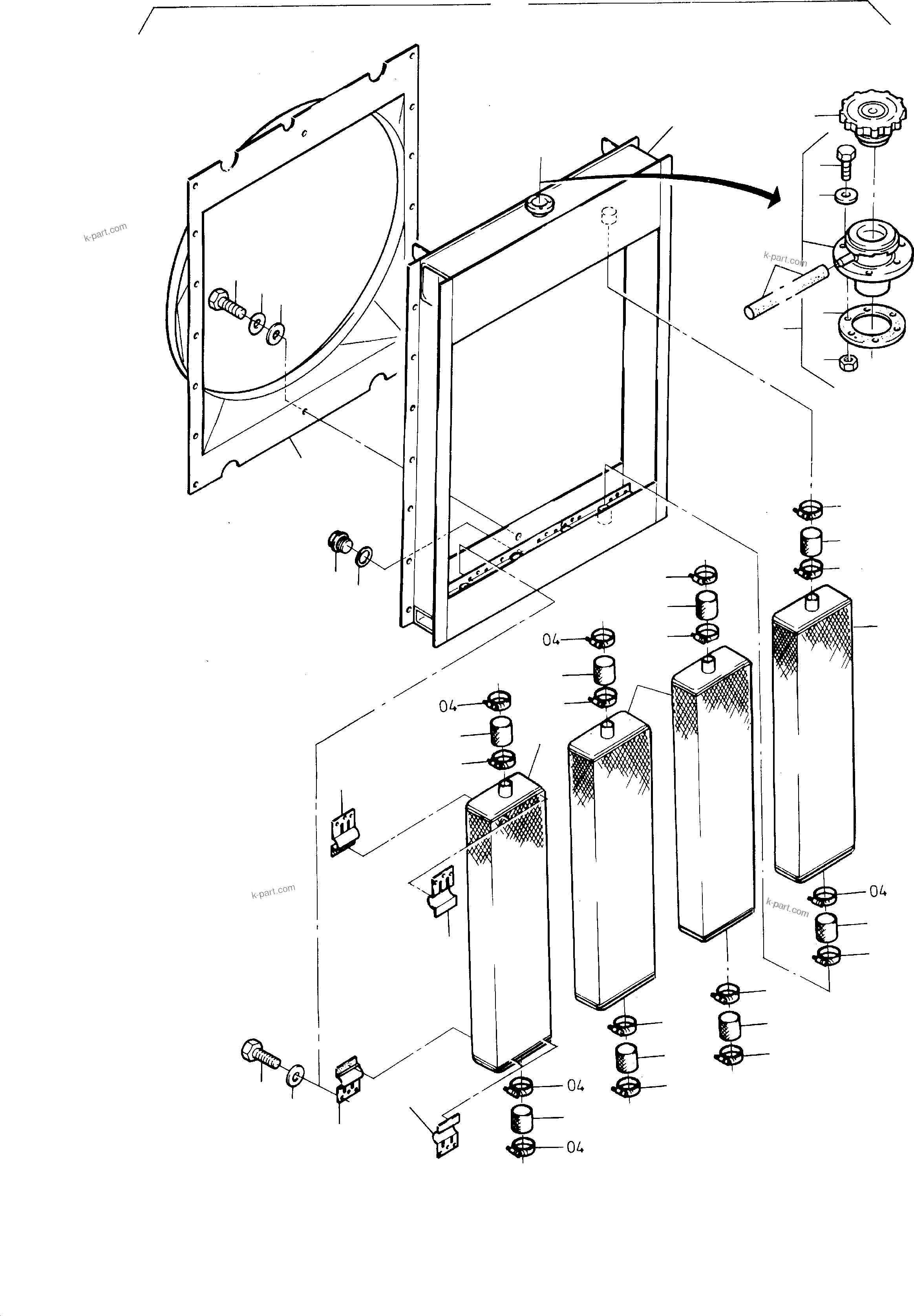
Radiator with fan cowl |
1 |
InternBDB: Lдng.u.Reich 1.1823.9.25 AT-Nr. 669 517 73
|
|
|
|
? |
696 689 73
|
Frame |
1 |
InternBDB: 1.1823.9.25 Pos.01,2,3,4 | InternKon: 1.1823.9.25 / 1
|
|
|
|
? |
695 659 73
|
Radiator core |
4 |
InternBDB: 1.1823.2.05.9 | InternKon: 1.1823.9.25 / 7
|
|
|
|
? |
500 307 99
|
Clamp |
16 |
InternBDB: 1S 60x15 010 422 99 | InternKon: 1.1823.9.25 / 21
|
|
|
|
? |
414 716 40
|
Water hose DN 50x70 lg.
Bulk ware, state length
required |
8 |
InternBDB: Angst+Pfister 06.53.322.050 | InternKon: 1.1823.9.25 / 20
|
|
|
|
? |
695 944 73
|
Bearing element |
32 |
InternBDB: 1.1800.3.00.1.52 | InternKon: 1.1823.9.25 / 9
|
|
|
|
? |
340 684 99
|
Washer |
96 |
InternBDB: 8,4 /7349 | InternKon: 1.1823.9.25 / 16
|
|
|
|
? |
696 677 73
|
Screw |
96 |
InternBDB: M8x18 1.1800.6.08.3.18 | InternKon: 1.1823.9.25 / 11
|
|
|
|
? |
339 884 99
|
Seal |
1 |
InternBDB: A14x18x1,5 /7603 | InternKon: 1.1823.9.25 / 25
|
|
|
|
? |
349 966 99
|
Plug |
1 |
InternBDB: AM14x1,5 / 7604 | InternKon: 1.1823.9.25 / 24
|
|
|
|
? |
957 633
|
Water hose DN 10x2200 lg.
Bulk ware, state length
required |
1 |
InternBDB: Angst+Pfister 06.53.322.010 | InternKon: 1.1823.9.25 / 14
|
|
|
|
? |
598 330 40
|
Fan cowl |
-2 |
|
|
|
|
? |
350 474 99
|
Washer |
16 |
InternBDB: 8,4 /9021
|
|
|
|
? |
346 510 99
|
Lock washer |
16 |
InternBDB: 8 /127
|
|
|
|
? |
307 305 99
|
Bolt |
16 |
InternBDB: M8x25 /933
|
|
|
|
? |
695 947 73
|
Valve cover |
1 |
InternBDB: 0,6 LR 1103 | InternKon: 1.1823.9.25 / 17
|
|
|
|
? |
690 412 73
|
Filler neck |
1 |
InternBDB: 1.1800.2.00.8.11
|
|
|
|
? |
307 646 99
|
Bolt |
6 |
InternBDB: M6x16 /933
|
|
|
|
? |
340 683 99
|
Washer |
6 |
InternBDB: 6,4 /7349
|
|
|
|
? |
761 921 73
|
Seal |
1 |
InternBDB: 1321678.48
|
|
|
|
? |
374 208 99
|
Nut |
6 |
InternBDB: M6 /562
|
|