Search in all models by partnumber
Search current book

Komatsu H285 S/N 78099 parts catalog PDF

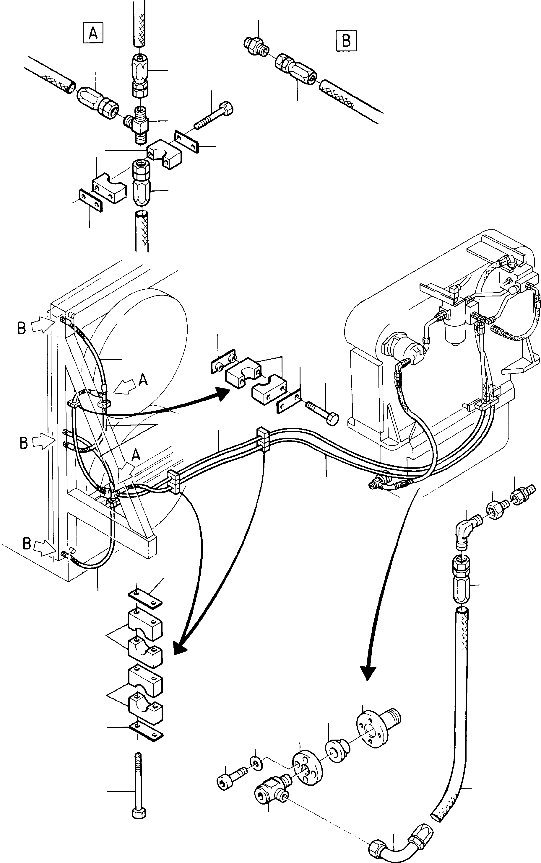
LUBE LINES - PUMP DISTRIBUTOR GEAR (114-1225b) in H285 S/N 78099. Diagram image and parts list.

Model manual types and quick links