|
|
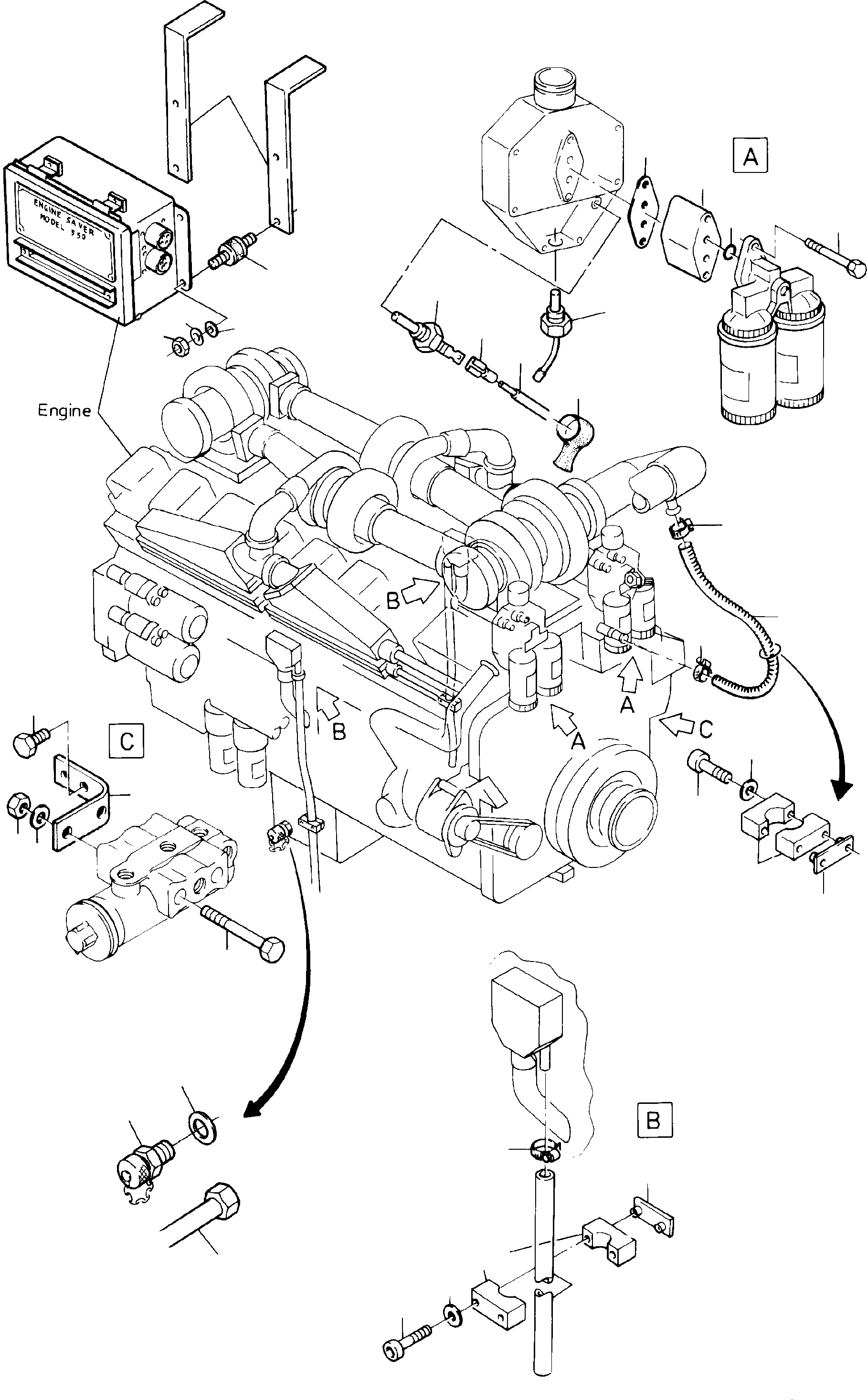
01 |
400 088 40
|
Distance plate |
2 |
InternBDB: 60 dick | InternKon: 386 903 40 / 7
|
|
|
|
02 |
357 818 40
|
Gasket |
2 |
InternKon: 386 903 40 / 8
|
|
|
|
03 |
501 359 98
|
O-ring |
4 |
InternBDB: Cummins 70861
|
|
|
|
04 |
505 116 98
|
Bolt |
4 |
InternBDB: 3/8-16 UNC x 6 1/2 010 500 99 | InternKon: 386 903 40 / 45
|
|
|
|
05 |
360 893 40
|
Hose DN 25x2000 mm
Bulk ware, state length
required |
1 |
InternBDB: Ang. u. Pfi. 06.53.243.025 | InternKon: 386 903 40 / 53
|
|
|
|
06 |
005 853 98
|
Clamp |
4 |
InternBDB: 1 S 33x12 010 422 99 | InternKon: 386 903 40 / 54
|
|
|
|
07 |
534 020 99
|
Welding plate |
3 |
InternBDB: E 5 011 839 99 | InternKon: 386 903 40 / 57
|
|
|
|
08 |
502 143 98
|
Half clamp |
6 |
InternBDB: H-C 5/32 011 839 99 | InternKon: 386 903 40 / 56
|
|
|
|
09 |
340 405 99
|
Washer |
6 |
InternBDB: 6,4 /433 | InternKon: 386 903 40 / 59
|
|
|
|
10 |
319 136 99
|
Screw |
6 |
InternBDB: M6x50 /912 | InternKon: 386 903 40 / 58
|
|
|
|
11 |
168 422 40
|
Hose (colourless) DN 25x1500 mm
Bulk ware, state length
required |
2 |
InternBDB: Weil PVC-glasklar 33x25 | InternKon: 386 903 40 / 55
|
|
|
|
12 |
339 918 99
|
Seal ring |
1 |
InternBDB: 26x32 /7603
|
|
|
|
13 |
461 390 40
|
Drain valve |
1 |
InternBDB: Roelex | InternKon: 386 903 40 / 18
|
|
|
|
14 |
490 586 40
|
Drain hose |
1 |
InternBDB: Roelex
|
|
|
|
23 |
761 357 73
|
Water temperature transmitter |
1 |
InternBDB: Flight Syst.
|
|
|
|
24 |
055 103 40
|
Cable shoe, red |
1 |
InternBDB: He. u. Bu. 50.252.118
|
|
|
|
25 |
255 745 40
|
Rubber grommet |
1 |
InternBDB: Bosch 3130 558 000
|
|
|
|
26 |
502 609 98
|
Cable
Bulk ware, state length
required |
-2 |
InternBDB: 1 qmm blau
|
|
|
|
27 |
431 169 40
|
Water temperature transmitter |
1 |
InternBDB: Motometer 642.007.1009 | InternKon: 399 790 40 / 14
|
|
|
|
28 |
404 909 40
|
Valve support |
1 |
InternKon: 386 903 40 / 66
|
|
|
|
29 |
004 870 98
|
Screw |
2 |
InternBDB: 7/16-14 UNC x 1 1/4 010 500 99 | InternKon: 386 903 40 / 68
|
|
|
|
30 |
308 560 99
|
Bolt |
2 |
InternBDB: M8x70 /931 | InternKon: 386 903 40 / 67
|
|
|
|
31 |
346 510 99
|
Lock washer |
2 |
InternBDB: 8 /128
|
|
|
|
32 |
332 111 99
|
Nut |
2 |
InternBDB: M 8 /934
|
|
|
|
33 |
492 505 40
|
Engine-Saver - bracket |
2 |
InternKon: 386 903 40 / 81
|
|
|
|
35 |
346 499 99
|
Lock washer |
4 |
InternBDB: 6 /128
|
|
|
|
36 |
332 110 99
|
Nut |
4 |
InternBDB: M 6 /985 | InternKon: 386 903 40 / 83
|
|
|
|
38 |
340 463 99
|
Disc |
4 |
InternBDB: 6,4 /125 | InternKon: 386 903 40 / 84
|
|
|
|
39 |
440 986 40
|
Rubber block support |
4 |
InternBDB: Phoenix 781 091-60 | InternKon: 386 903 40 / 86
|
|
|
|
43 |
515 562 40
|
Oil pressure gauge |
1 |
InternBDB: Motometer 675.002.1012 | InternKon: 399 790 40 / 15
|
|
|
|
44 |
055 103 40
|
Cable shoe, red |
1 |
InternBDB: He. u. Bu. 50.252.118
|
|
|
|
45 |
255 745 40
|
Rubber grommet |
1 |
InternBDB: Bosch 3130 558 000
|
|
|
|
46 |
502 609 98
|
Cable
Bulk ware, state length
required |
-2 |
InternBDB: 1 qmm blau
|
|
|
|
47 |
431 117 40
|
Cover |
1 |
InternKon: 386 903 40 / 78
|
|
|
|
48 |
414 899 40
|
Magnetic pickup (rpm-relay) |
1 |
InternBDB: Cummins 303 9524 3/4-16 UNF | InternKon: 399 790 40 / 125
|
|
|
|
49 |
414 899 40
|
Magnetic pickup
(Ramp Generator) |
1 |
InternBDB: Cummins 303 9524 3/4-16 UNF
|
|
|
|
50 |
696 832 73
|
Magnetic pickup
(Engine-Saver) |
1 |
InternBDB: Flight Syst. 57-A995-03 5/8-18 UNF
|
|
|
|
51 |
255 034 40
|
Clamp housing |
1 |
InternBDB: Bopla A 105
|
|
|
|
52 |
323 949 40
|
Cable union |
4 |
InternBDB: PG 7 5010.100.007
|
|
|
|
53 |
323 951 40
|
Cable union |
1 |
InternBDB: PG 11 5010.100.011
|
|
|
|
54 |
356 247 40
|
Socket |
1 |
InternBDB: 5020.030.011
|
|
|
|
55 |
356 239 40
|
Protecting hose
Bulk ware, state length
required |
-2 |
InternBDB: 0220.101.013
|
|