|
|
? |
|
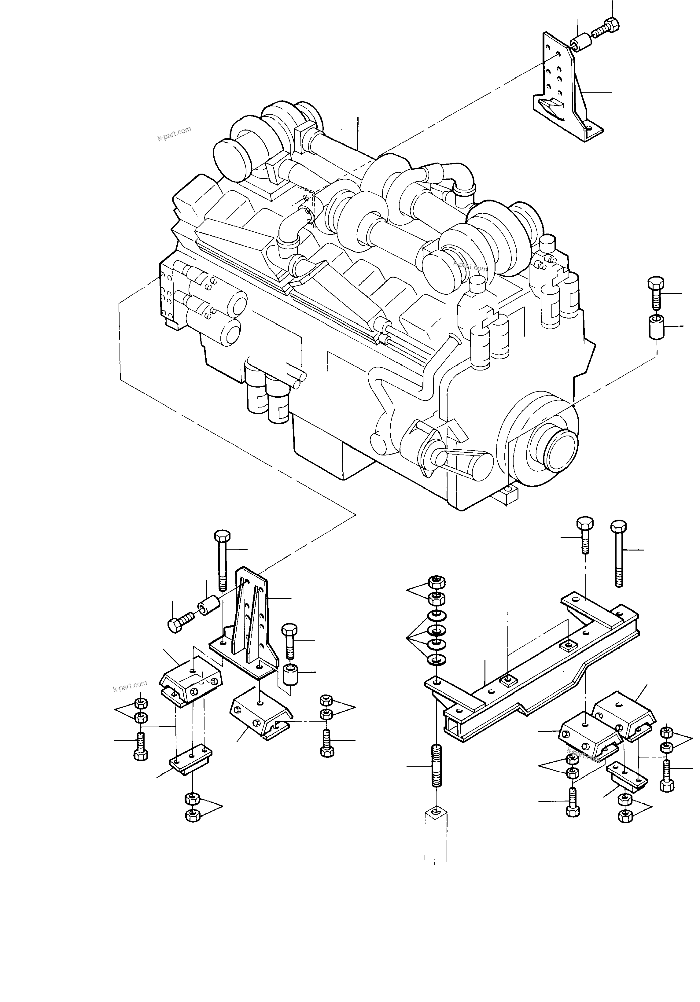
Diesel engine |
1 |
InternKon: 386 903 40 / 1
|
090-2825a |
|
|
? |
260 738 40
|
Lower part, engine |
1 |
InternKon: 386 903 40 / 5
|
|
|
|
? |
506 756 98
|
Bolt |
16 |
InternBDB: 3/4-10 UNC x 4 1/2" 10.9 010 500 99 | InternKon: 386 903 40 / 5
|
|
|
|
? |
260 737 40
|
Lower part, engine |
1 |
InternKon: 386 903 40 / 4
|
|
|
|
? |
505 447 98
|
Bolt |
2 |
InternBDB: M24x260 /931 10.9 | InternKon: 386 903 40 / 10
|
|
|
|
? |
332 359 99
|
Nut |
8 |
InternBDB: M 24 /934 10 | InternKon: 386 903 40 / 12
|
|
|
|
? |
489 259 40
|
Strip |
4 |
InternKon: 386 903 40 / 13
|
|
|
|
? |
308 635 99
|
Bolt |
8 |
InternBDB: M16x75 /931 | InternKon: 386 903 40 / 61
|
|
|
|
? |
332 355 99
|
Nut |
32 |
InternBDB: M 16 /934 10 | InternKon: 386 903 40 / 44
|
|
|
|
? |
308 829 99
|
Bolt |
8 |
InternBDB: M16x65 /931 | InternKon: 386 903 40 / 60
|
|
|
|
? |
308 405 99
|
Bolt |
2 |
InternBDB: M24x130 /931 10.9 | InternKon: 386 903 40 / 7
|
|
|
|
? |
|
Engine suspension |
4 |
InternBDB: 497 739 40 | InternKon: 386 903 40 / 2
|
023-1225b |
|
|
? |
|
Engine suspension |
4 |
InternBDB: 497 738 40 | InternKon: 386 903 40 / 3
|
023-1227b |
|
|
? |
308 403 99
|
Bolt |
2 |
InternBDB: M24x160 /931 10.9 | InternKon: 386 903 40 / 6
|
|
|
|
? |
505 449 98
|
Bolt |
2 |
InternBDB: M24x350 /931 10.9 | InternKon: 386 903 40 / 11
|
|
|
|
? |
507 291 98
|
Bolt |
2 |
InternBDB: M18x120 /931 10.9 | InternKon: 386 903 40 / 8
|
|
|
|
? |
386 906 40
|
Lifting beam |
1 |
InternKon: 386 903 40 / 3
|
|
|
|
? |
507 329 98
|
Nut |
4 |
InternBDB: M 36 /985 | InternKon: 386 903 40 / 49
|
|
|
|
? |
340 185 99
|
Spring plate |
14 |
InternBDB: B 71 /2093 | InternKon: 386 903 40 / 48
|
|
|
|
? |
311 010 40
|
Thread pin |
2 |
InternKon: 386 903 40 / 47
|
|
|
|
? |
487 652 40
|
Resilient sleeve |
16 |
InternKon: 386 903 40 / 89
|
|
|
|
? |
494 248 40
|
Resilient sleeve |
2 |
InternKon: 386 903 40 / 87
|
|
|
|
? |
566 521 40
|
Resilient sleeve |
2 |
InternKon: 386 903 40 / 88
|
|