|
|
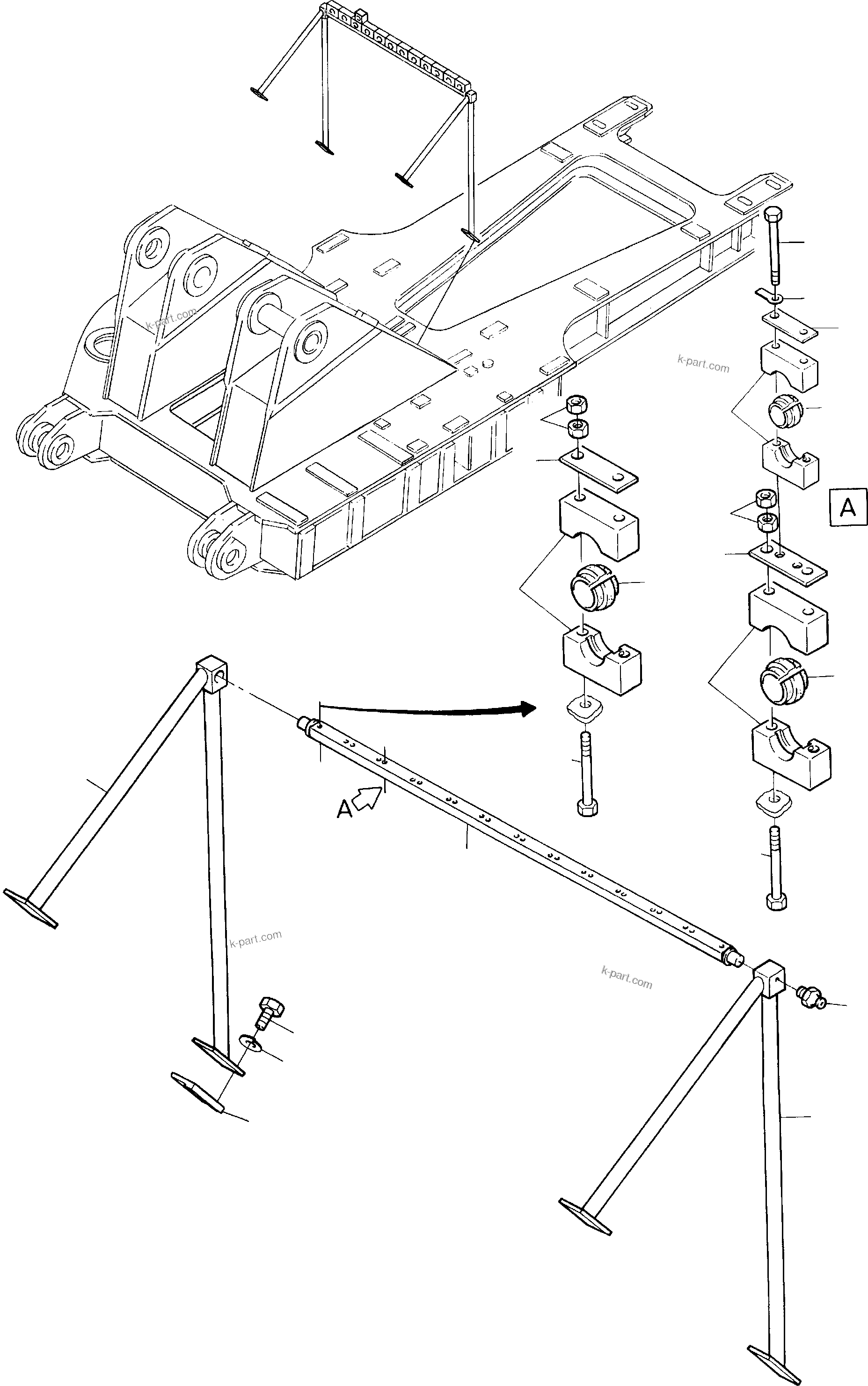
? |
509 434 40
|
Hose support |
1 |
InternBDB: E-ST | InternKon: 509 446 40 / 2
|
|
|
|
? |
509 435 40
|
Hose support |
1 |
InternBDB: E-ST | InternKon: 509 446 40 / 3
|
|
|
|
? |
396 150 40
|
Thread plate |
4 |
InternKon: 509 446 40 / 4
|
|
|
|
? |
343 116 99
|
Lock washer |
16 |
InternBDB: 16 /128 | InternKon: 509 446 40 / 7
|
|
|
|
? |
307 821 99
|
Bolt |
16 |
InternBDB: M16x25 /933 | InternKon: 509 446 40 / 6
|
|
|
|
? |
509 439 40
|
Retainer |
1 |
|
|
|
|
? |
350 562 99
|
Grease nipple |
2 |
InternBDB: AM10x1 /71412 | InternKon: 509 446 40 / 5
|
|
|
|
? |
304 128 99
|
Bolt |
24 |
InternBDB: M16x220 /931 | InternKon: 509 437 40 / 5
|
|
|
|
? |
504 853 98
|
Half clamp |
24 |
InternBDB: RI-CS 7 011 839 99 | InternKon: 509 437 40 / 3
|
|
|
|
? |
505 212 98
|
Grommet |
12 |
InternBDB: RI-Z 68 011 839 99 | InternKon: 509 437 40 / 7
|
|
|
|
? |
500 398 98
|
Cover plate |
11 |
InternBDB: DS 7 | InternKon: 509 437 40 / 4
|
|
|
|
? |
332 355 99
|
Nut |
48 |
InternBDB: M16 /934 | InternKon: 509 437 40 / 6
|
|
|
|
? |
502 618 98
|
Half clamp |
2 |
InternKon: 509 437 40 / 8
|
|
|
|
? |
504 926 98
|
Grommet |
1 |
InternKon: 509 437 40 / 9
|
|
|
|
? |
509 440 40
|
Cover plate |
1 |
InternKon: 509 437 40 / 2
|
|
|
|
? |
534 004 99
|
Cover plate |
1 |
InternKon: 509 437 40 / 10
|
|
|
|
? |
308 581 99
|
Bolt |
2 |
InternBDB: M10x70 /931 | InternKon: 509 437 40 / 11
|
|
|
|
? |
343 005 99
|
Locking plate |
2 |
InternKon: 509 437 40 / 12
|
|