|
|
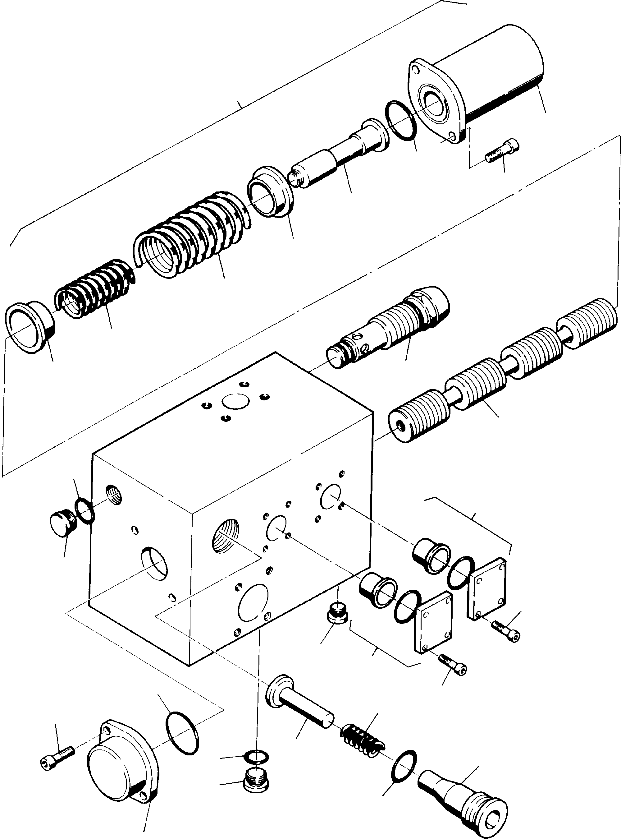
01 |
461 413 40
|
Control block assy. |
1 |
InternBDB: Rexroth MO-3166 580 878 AT-Nr. 669 505 73
|
|
|
|
02 |
319 256 99
|
Bolt |
4 |
InternBDB: M10x25 /912 | InternKon: MO-3166-00 / 30
|
|
|
|
03 |
754 580
|
Cover |
1 |
InternBDB: 684 394 | InternKon: MO-3166-00 / 13
|
|
|
|
04 |
500 581 98
|
O-ring |
2 |
InternBDB: 82,14x3,53 | InternKon: MO-3166-00 / 32
|
|
|
|
05 |
994 477
|
Pin |
1 |
InternBDB: 149 908 | InternKon: MO-3166-00 / 19
|
|
|
|
06 |
994 476
|
Spring plate |
2 |
InternBDB: 152 040 | InternKon: MO-3166-00 / 20
|
|
|
|
07 |
994 472
|
Spring |
1 |
InternBDB: 001 600 | InternKon: MO-3166-00 / 22
|
|
|
|
08 |
994 473
|
Spring |
1 |
InternBDB: 001 599 | InternKon: MO-3166-00 / 21
|
|
|
|
09 |
805 572 73
|
Piston
For replacement state s/no.
of block |
1 |
InternBDB: 640 261 | InternKon: MO-3166-00 / 18
|
|
|
|
10 |
754 581
|
Cover |
1 |
InternBDB: 684 393 | InternKon: MO-3166-00 / 12
|
|
|
|
11 |
|
Pressure relief valve |
1 |
InternBDB: 307 942 | InternKon: MO-3166-00 / 46
|
090-0186 |
|
|
12 |
994 471
|
Plug |
1 |
InternBDB: 147 997 | InternKon: MO-3166-00 / 27
|
|
|
|
13 |
500 580 98
|
O-ring |
1 |
InternBDB: 44x3 | InternKon: MO-3166-00 / 28
|
|
|
|
14 |
255 012 40
|
Spring |
1 |
InternBDB: 008 862 | InternKon: MO-3166-00 / 26
|
|
|
|
15 |
255 011 40
|
Taper |
1 |
InternBDB: 147 996 | InternKon: MO-3166-00 / 25
|
|
|
|
16 |
994 826
|
Plug |
6 |
InternBDB: 131 015 | InternKon: MO-3166-00 / 38
|
|
|
|
17 |
971 158
|
O-ring |
6 |
InternBDB: 29x3 | InternKon: MO-3166-00 / 42
|
|
|
|
18 |
994 479
|
Plug |
3 |
InternBDB: 131 016 | InternKon: MO-3166-00 / 37
|
|
|
|
19 |
500 582 98
|
O-ring |
3 |
InternBDB: 38x3 | InternKon: MO-3166-00 / 41
|
|
|
|
20 |
754 698
|
Plug |
2 |
InternBDB: 008 702 | InternKon: MO-3166-00 / 40
|
|
|
|
21 |
319 255 99
|
Bolt |
8 |
InternBDB: M10x20 /912 10.9 | InternKon: MO-3166-00 / 31
|
|
|
|
22 |
994 410
|
Plate |
2 |
InternBDB: 303 897 | InternKon: MO-3166-00 / 47
|
|
|
|
23 |
994 484
|
Seal kit - piston axle |
1 |
InternBDB: 309 648
|
|