|
|
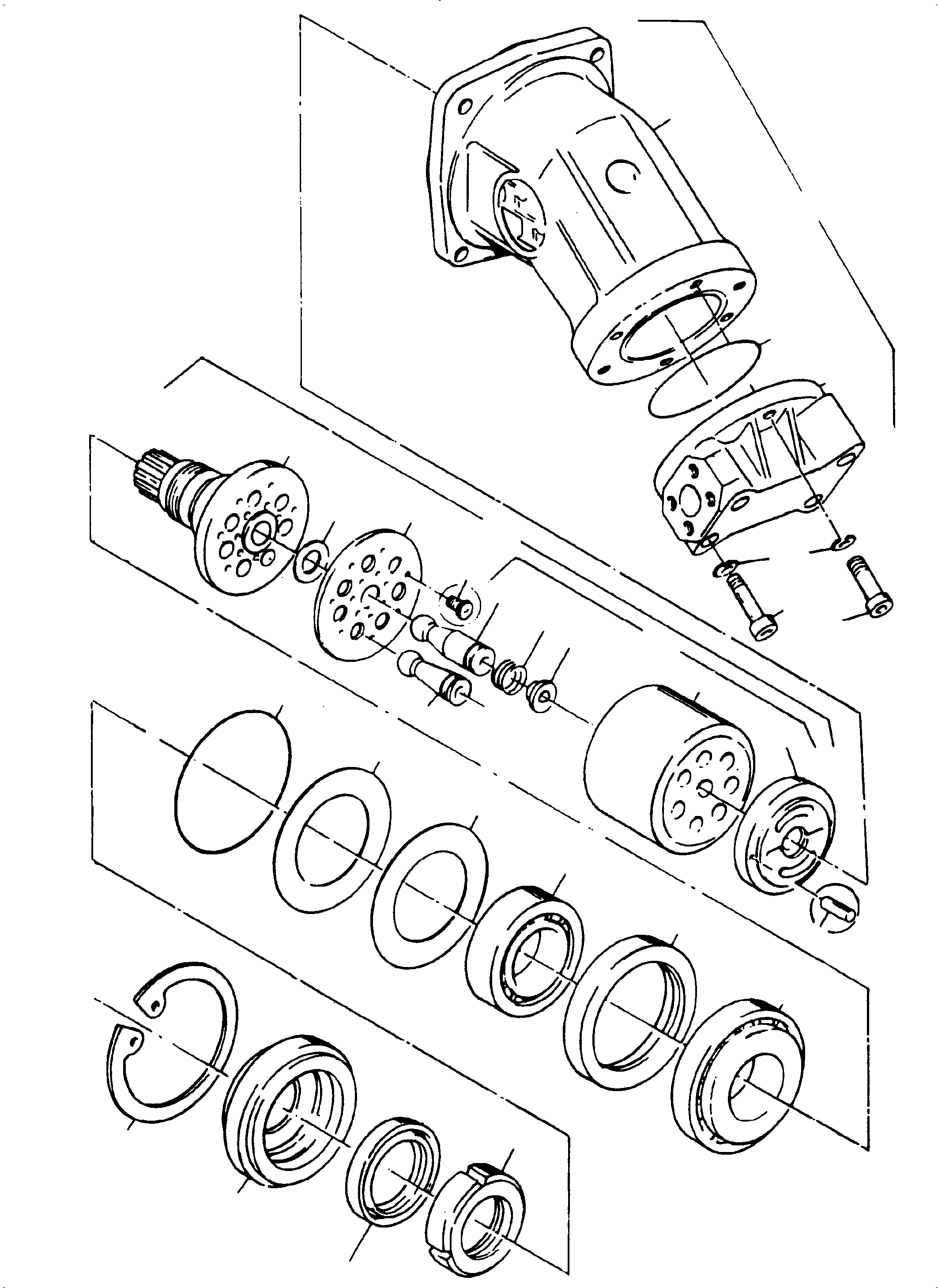
01 |
358 666 40
|
Hydraulic-motor, assy. |
1 |
InternBDB: Hydromatik A2F M90/61 W-PAB 02 408 464 AT-Nr. 668 952
|
|
|
|
02 |
|
Housing |
1 |
InternBDB: 416 938 | InternKon: 211.20.25.42 / 03
|
|
|
|
03 |
319 156 99
|
Screw |
2 |
InternBDB: M12x30 /912 | InternKon: 211.20.25.42 / 10
|
|
|
|
04 |
343 856 99
|
Lock washer |
6 |
InternBDB: 12 /7980 | InternKon: 211.20.25.42 / 08
|
|
|
|
05 |
319 438 99
|
Screw |
4 |
InternBDB: M12x70 /912 | InternKon: 211.20.25.42 / 07
|
|
|
|
06 |
753 651
|
Connection plate |
1 |
InternBDB: 409 944 | InternKon: 211.20.25.42 / 04
|
|
|
|
07 |
950 365
|
O-ring |
1 |
InternBDB: 88,5x3,53 238-7507 | InternKon: 211.20.25.42 / 06
|
|
|
|
08 |
344 791 99
|
Pin |
1 |
InternBDB: 6 M6x12 /7-ST | InternKon: 211.20.25.42 / 05
|
|
|
|
09 |
754 684
|
Transmission, assy. fig-nos: 10,17-30 |
1 |
InternBDB: 480 455 | InternKon: 211.20.25.42 / 01
|
|
|
|
10 |
754 685
|
Transmission, hydr. part, assy. fig-nos: 11-16 |
1 |
InternBDB: 418 926
|
|
|
|
11 |
754 686
|
Control plate |
1 |
InternBDB: 408 460 | InternKon: 201.20.07.92 / 02
|
|
|
|
12 |
754 687
|
Cylinder |
1 |
InternBDB: 421 308 | InternKon: 201.20.07.92 / 01
|
|
|
|
13 |
754 688
|
Spring plate |
1 |
InternBDB: 416 976 | InternKon: 201.20.07.92 / 06
|
|
|
|
14 |
753 659
|
Cup spring |
4 |
InternBDB: 081 511 | InternKon: 201.20.07.92 / 07
|
|
|
|
15 |
753 660
|
Trunnion |
1 |
InternBDB: 408 461 | InternKon: 201.20.07.92 / 03
|
|
|
|
16 |
754 689
|
Piston with piston ring |
7 |
InternBDB: 426 816 + 2x 156 203 | InternKon: 201.20.07.92 / 04
|
|
|
|
17 |
753 662
|
Screw, burnished |
7 |
InternBDB: 154 803 M6x16 /7985 | InternKon: 201.20.07.10 / 20
|
|
|
|
18 |
754 690
|
Withdrawal plate |
1 |
InternBDB: 417 702 | InternKon: 201.20.07.10 / 07
|
|
|
|
19 |
753 666
|
Disk |
1 |
InternBDB: 408 492 | InternKon: 201.20.07.10 / 05
|
|
|
|
20 |
754 691
|
Drive shaft with bearing set with fig-nos: 21-23,27 |
1 |
InternBDB: 419 769 | InternKon: 201.20.07.10 / 02
|
|
|
|
21 |
|
Roller bearing |
1 |
InternBDB: 154 398 T 7 FC 055 DIN/ISO 355 | InternKon: 201.20.07.10 / 10
|
|
|
|
22 |
|
Race |
1 |
InternBDB: 408 457 | InternKon: 201.20.07.10 / 03
|
|
|
|
23 |
|
Roller bearing |
1 |
InternBDB: 33110 /720 | InternKon: 201.20.07.10 / 11
|
|
|
|
24 |
754 692
|
Shim ring 95x115x0,1 |
2 |
InternBDB: nach DIN 988 156 275 | InternKon: 201.20.07.10 / 17
|
|
|
|
25 |
754 693
|
Shim ring 95x115x0,3 |
1 |
InternBDB: nach DIN 988 156 276 | InternKon: 201.20.07.10 / 18
|
|
|
|
26 |
971 124
|
O-ring |
1 |
InternBDB: 107,55x3,53 244-7507 | InternKon: 201.20.07.10 / 15
|
|
|
|
27 |
|
Groove nut |
1 |
InternBDB: 156 019 | InternKon: 201.20.07.10 / 09
|
|
|
|
28 |
504 035 98
|
Shaft seal |
1 |
InternBDB: 45x62x7 BASL 0,5 | InternKon: 201.20.07.10 / 14
|
|
|
|
29 |
753 550
|
Cover |
1 |
InternBDB: 409 976 | InternKon: 201.20.07.10 / 04
|
|
|
|
30 |
342 673 99
|
Circlip |
1 |
InternBDB: 115x4 /472 | InternKon: 201.20.07.10 / 12
|
|
|
|
31 |
753 669
|
Cover, assy. with fig-no: 28 |
1 |
InternBDB: 409 976 + 086 116
|
|
|
|
|$$32 |
999 062
|
Seal kit, assy. fig-nos: 07,26,28 |
-2 |
InternBDB: E-ST
|
|
|
|
|$$33 |
973 125
|
Fluid sealing 50 ml to fig-no: 17 |
-2 |
InternBDB: Loctite 241
|
|
|
|
|$$34 |
989 946
|
Fluid sealing 50 ml (pipe thread) |
-2 |
InternBDB: Loctite 572
|
|